GM Service Manual Online
For 1990-2009 cars only
Makes
🢒
Chevrolet
🢒
1997
🢒
Corvette
🢒
Body and Accessories
🢒
Lighting Systems
🢒 Interior Lights Dimming Schematics
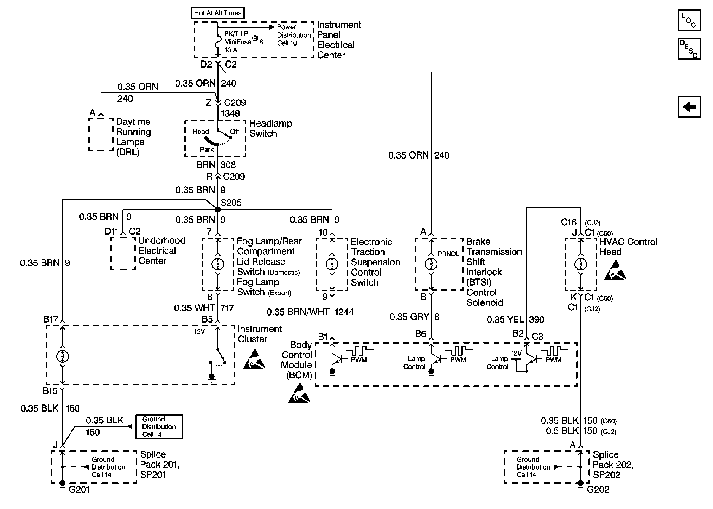
Figure
1:
Cell 117: Door and Radio Dimming Control
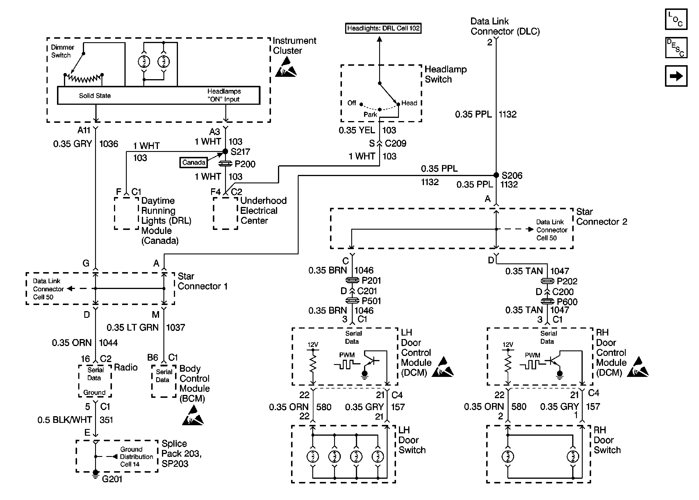
Figure
2:
Cell 117: Misc. Lamp Dimming Control