GM Service Manual Online
For 1990-2009 cars only
Makes
🢒
Chevrolet
🢒
1997
🢒
Corvette
🢒
Body and Accessories
🢒
Wiring Systems
🢒 Data Link Connector Schematics
Data Link Connector Schematics Rear Mounted EBTCM/BPMV
Figure
1:
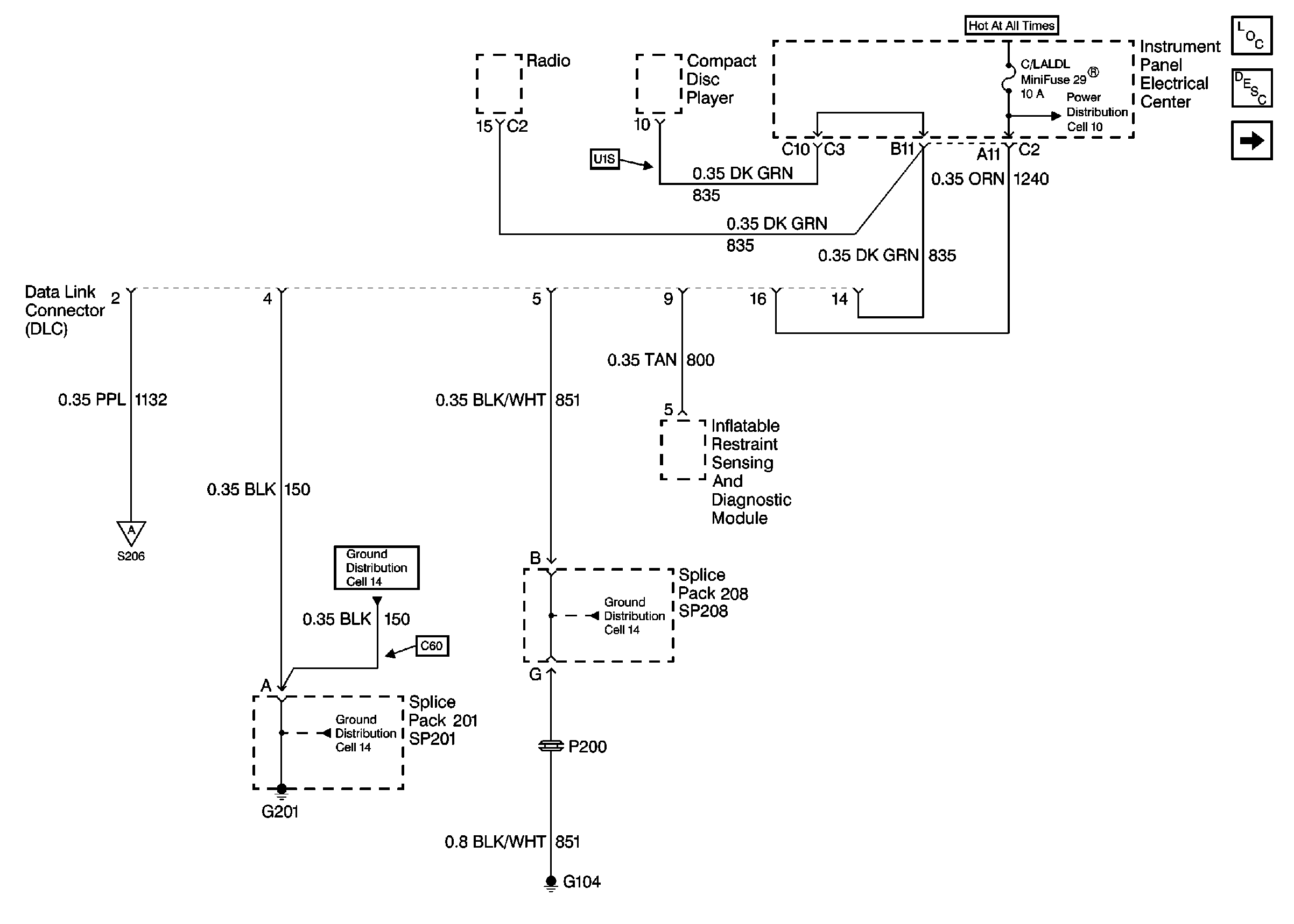
Cell 50: Data Link Connector (DLC)
Figure
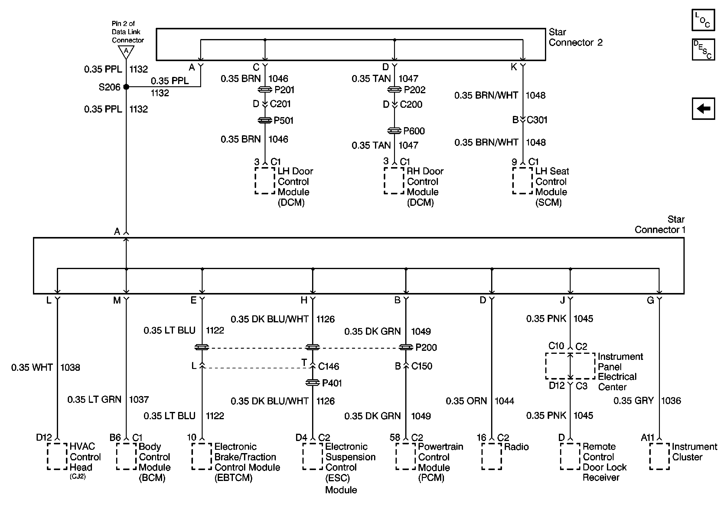
2:
Cell 50: Star Connector 1 and 2