GM Service Manual Online
For 1990-2009 cars only
Figure 1:

Cell 51: Power, Ground and DLC


Object Number: 63578  Size: FS
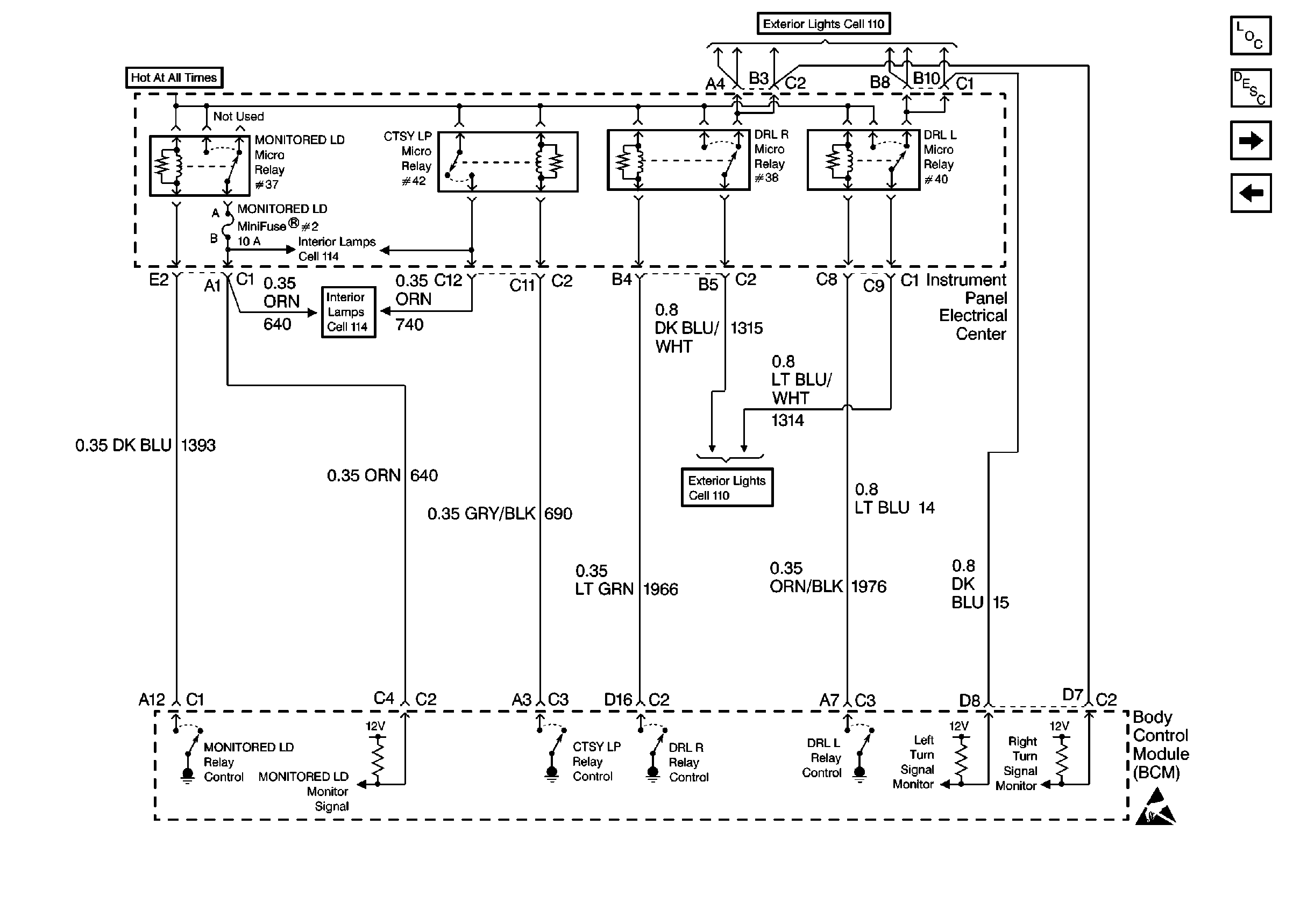
Figure 2:

Cell 51: Lamp Relay and Monitored Relay Control


Object Number: 63583  Size: FS
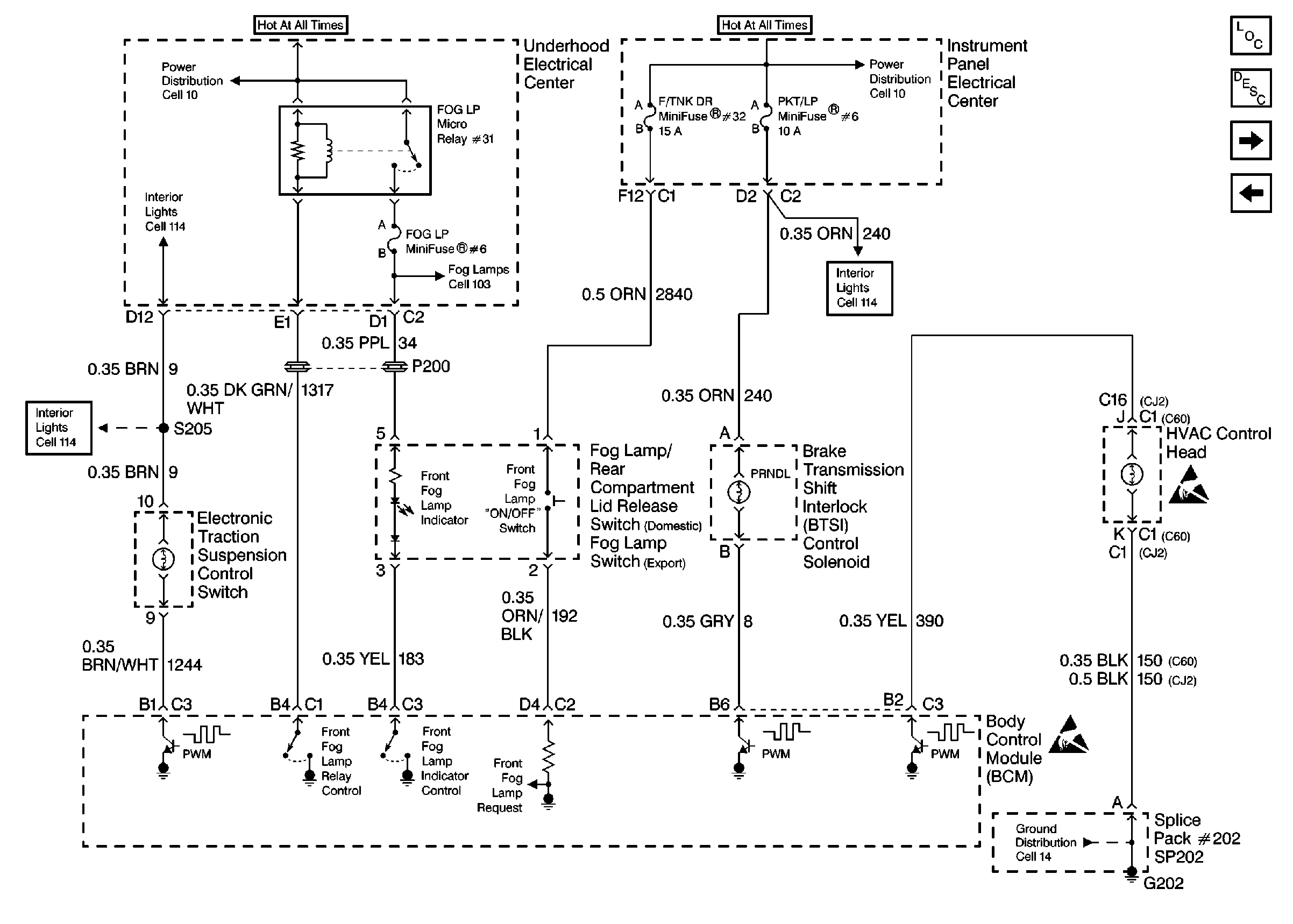
Figure 3:

Cell 51: Fog Lamp Circuit


Object Number: 178336  Size: FS
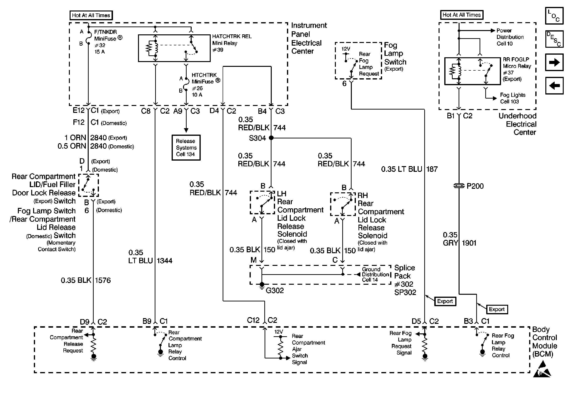
Figure 4:

Cell 51: Fuel Door, Hatch and Rear Fog Lamp Control


Object Number: 63580  Size: FS
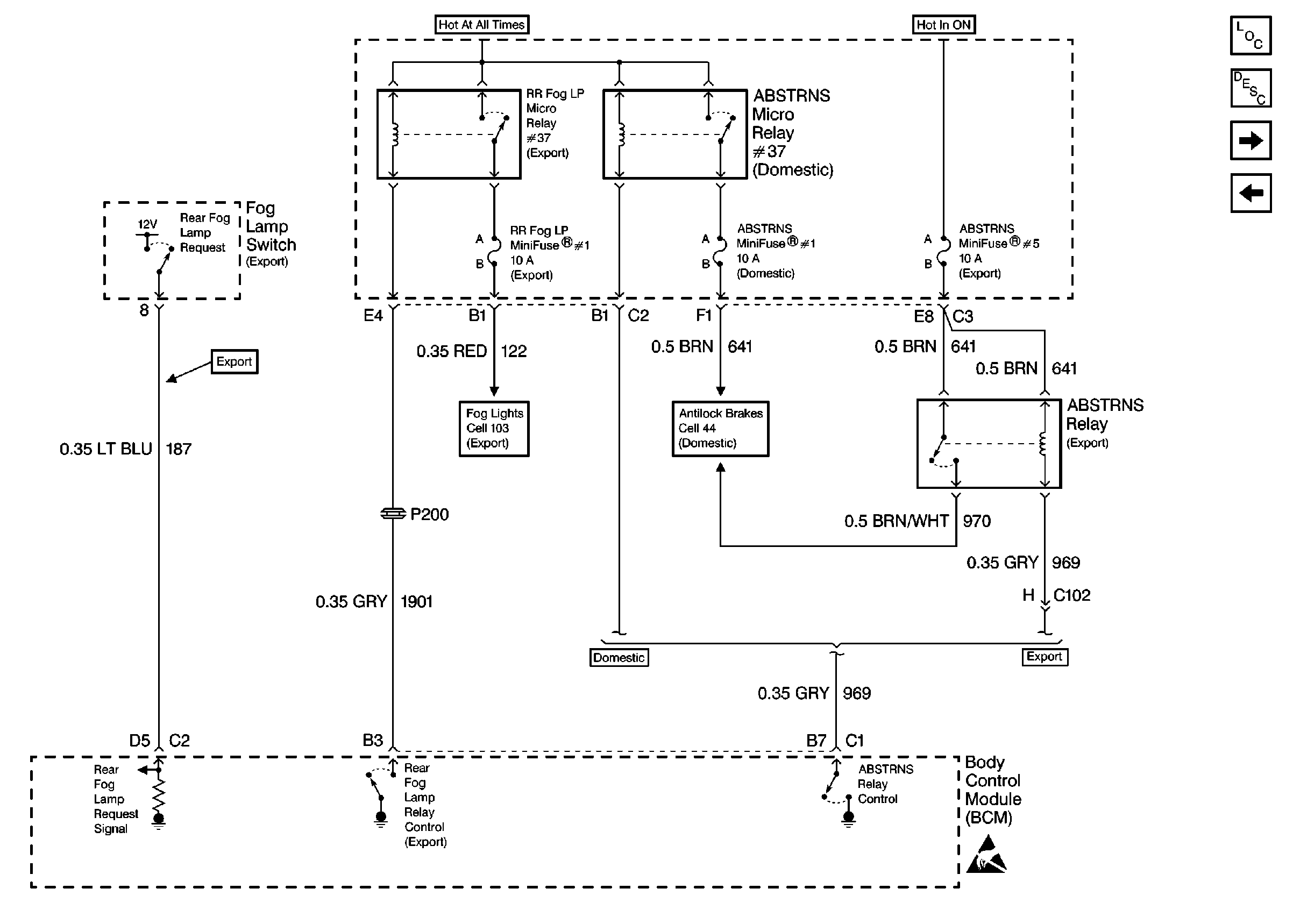
Figure 5:

Rear Fog Lamp and ABS Relay Control


Object Number: 206295  Size: FS
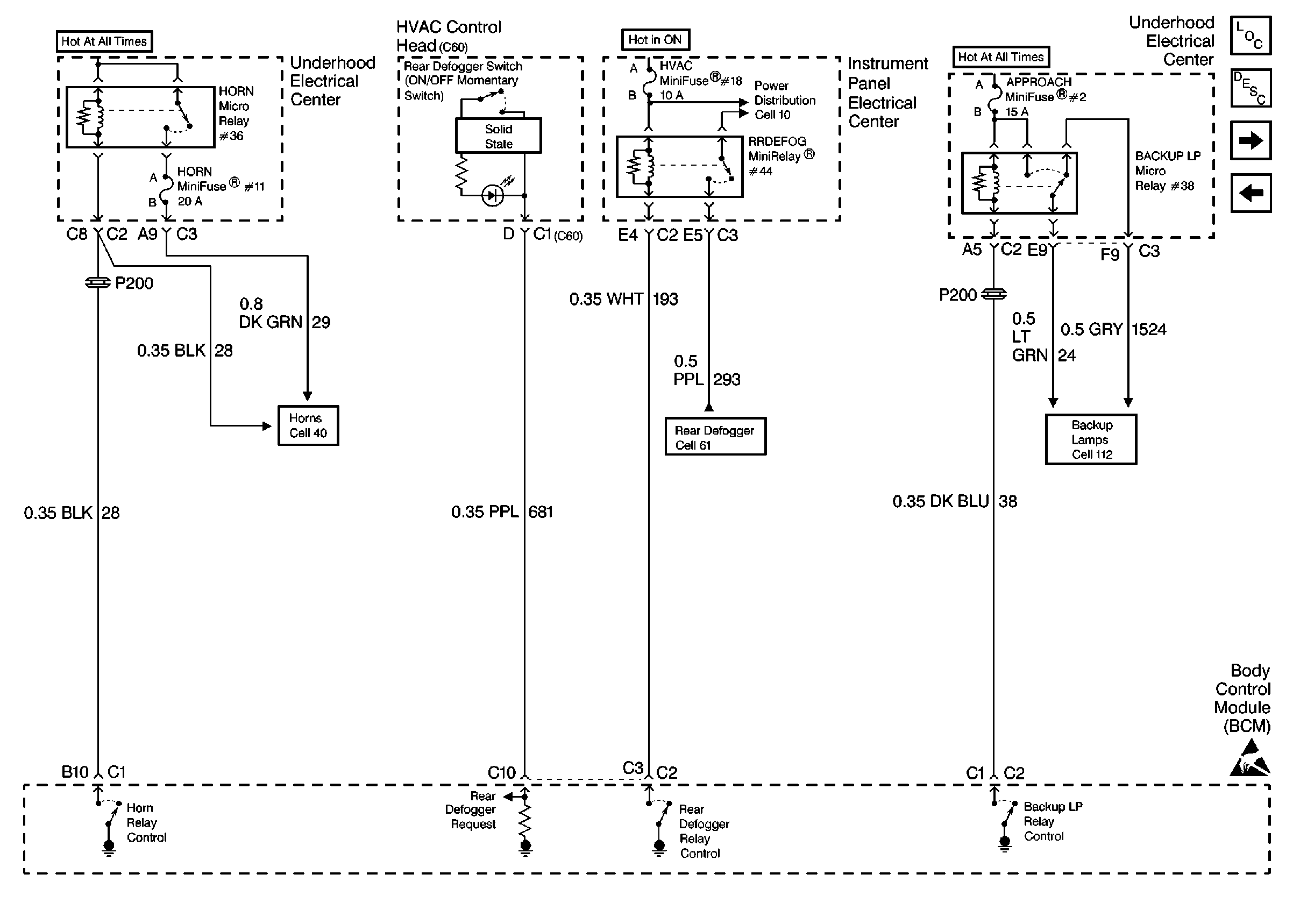
Figure 6:

Cell 51: Horn, Backup and Rear Defogger System


Object Number: 178334  Size: FS
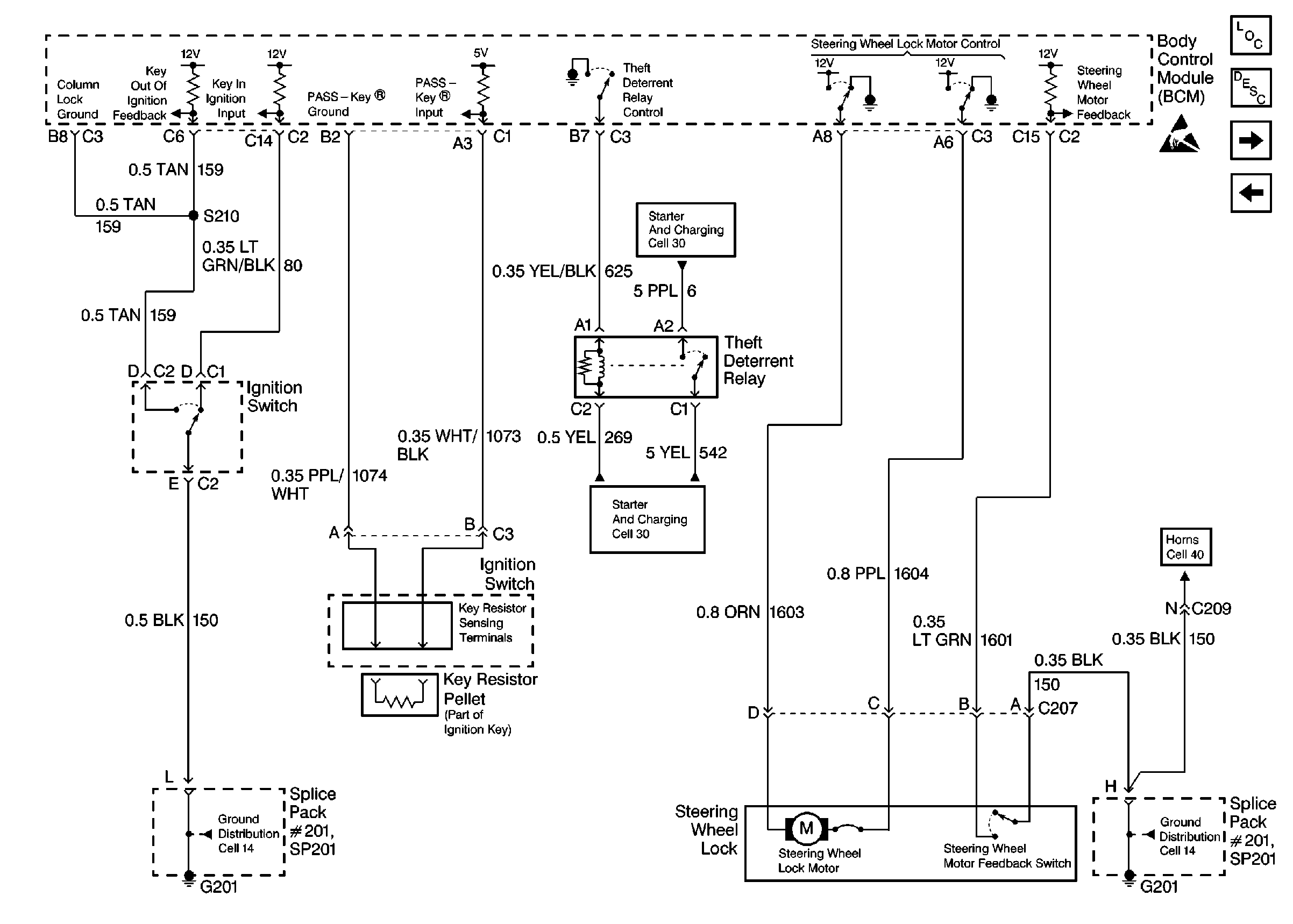
Figure 7:

Cell 51: Ignition Switch and Steering Wheel Lock Control


Object Number: 63579  Size: FS
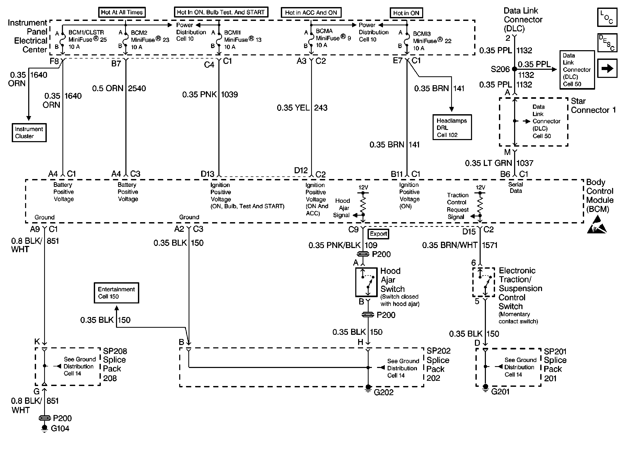
Figure 8:

Cell 51: Door Ajar Switches


Object Number: 82377  Size: FS