GM Service Manual Online
For 1990-2009 cars only
Figure 1:

Cell 34: Cruise Control Switch


Object Number: 315493  Size: FS
Figure 2:

Cell 34: Power and Ground


Object Number: 315495  Size: FS
Figure 3:

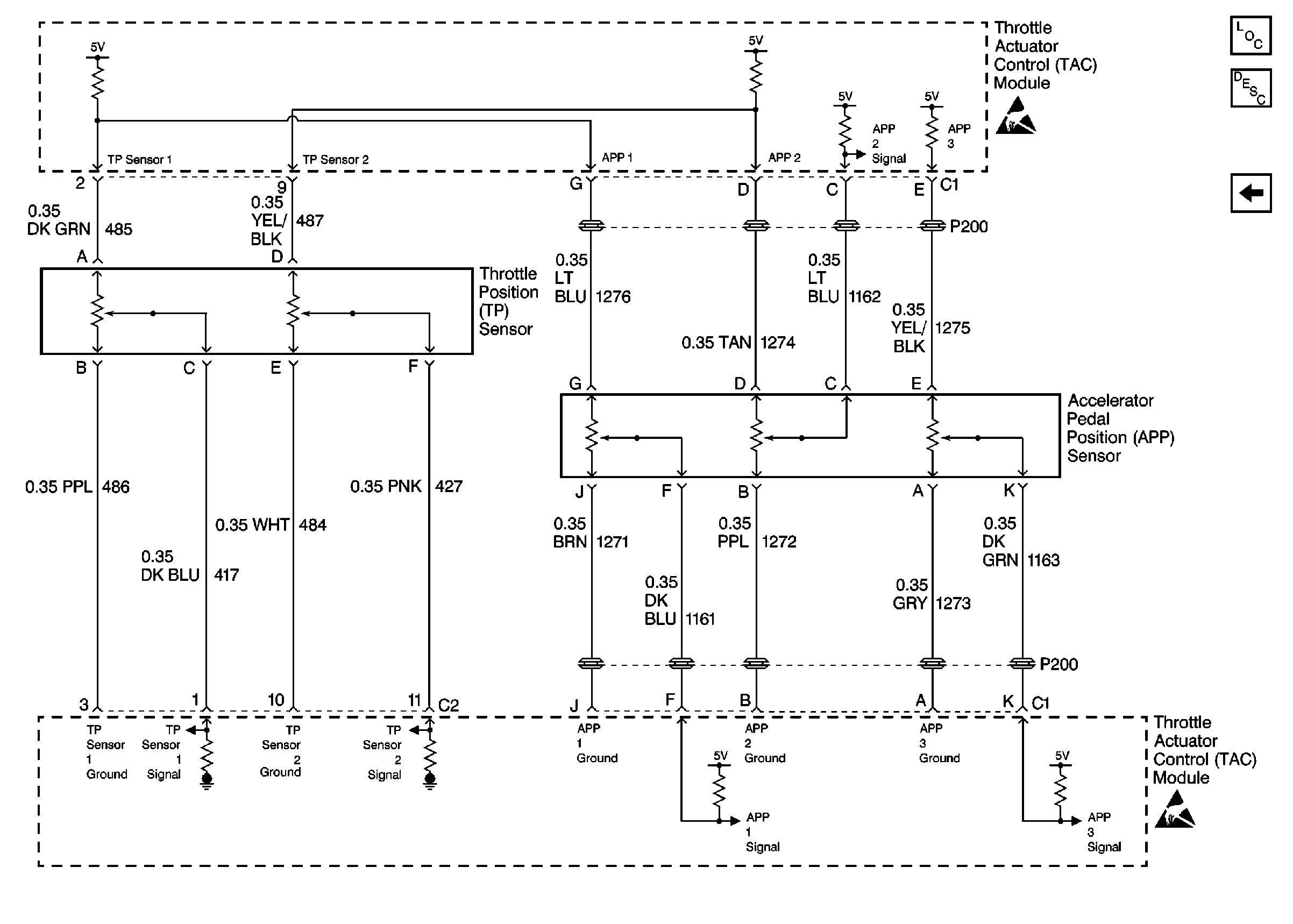
Cell 34: TP and APP


Object Number: 315497  Size: FS