GM Service Manual Online
For 1990-2009 cars only

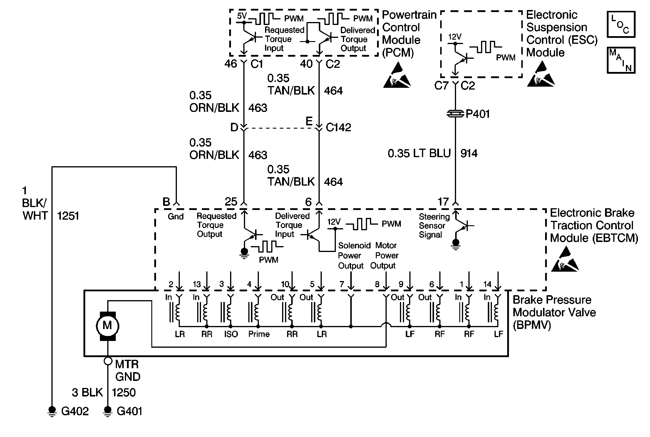
Object Number: 95916  Size: MF
ABS Components
ABS/TCS Schematics

Circuit Description

Traction Control is simultaneously controlled by the EBTCM and the PCM. The PCM sends a DELIVERED TORQUE message via a Pulse Width Modulated (PWM) signal to the EBTCM confirming the delivered torque level for proper Traction Control system operation. The EBTCM supplies the pull up voltage.

Conditions for Setting the DTC

DTC C1276 can be set anytime when ignition voltage is present. A malfunction exists if the PWM signal is out of range or no signal is received for a period of 7 seconds.

Action Taken When the DTC Sets

A malfunction DTC is stored, the TCS is disabled and the Traction Control indicator is turned ON. The ABS remains functional.

Conditions for Clearing the DTC

    • Condition for DTC is no longer present and scan tool clear DTC function is used.
    • Fifty ignition cycles have passed with no DTC(s) detected.

Diagnostic Aids

    • It is very important that a thorough inspection of the wiring and connectors be performed. Failure to carefully and fully inspect wiring and connectors may result in misdiagnosis, causing part replacement with reappearance of the malfunction.
    • If an intermittent malfunction exists refer to General Electrical Diagnosis in Wiring Systems.
    • Possible causes for DTC C1276 to set::
       - Open in CKT 464.
       - CKT 464 shorted to ground or voltage.
       - Communication frequency problem.
       - Communication duty cycle problem.
       - CKT 464 has a wiring problem, terminal corrosion, or poor connections.
       - EBTCM not receiving information from the PCM.

Test Description

The numbers below refer to step numbers on the diagnostic table.

  1. Checks for proper duty cycle.

  2. Checks for proper frequency.

DTC C1276 Delivered Torque Signal Circuit Malfunction

Step

Action

Value(s)

Yes

No

1

Was the Diagnostic System Check performed?

--

Go to Step 2

Go to Diagnostic System Check

2

Check the following grounds, G402 and G106 making sure each ground is clean, tight and free of damage. Refer to Master Electrical Component List in Wiring Systems.

Were any loose, damaged, or corroded grounds found?

--

Go to Step 3

Go to Step 4

3

Repair ground as necessary. Refer to Wiring Repairs in Wiring Systems.

Is the repair complete?

--

Go to Diagnostic System Check

--

4

  1. Turn the ignition switch to the OFF position.
  2. Disconnect the EBTCM connector.
  3. Install J 39700 Universal Pinout Box using the J 39700-25 cable adapter to the EBTCM harness connector and the EBTCM connector.
  4. Turn the ignition switch to the ON position, engine OFF.
  5. Using J 39200 DMM, measure the DC duty cycle between J 39700 terminals 6 and B.

Is the duty cycle within the range specified in the value(s) column?

5 - 25%

Go to Step 5

Go to Step 7

5

Using J 39200 DMM, measure the DC Hz between J 39700 terminals 6 and B.

Is the frequency within the range specified in the value(s) column?

121 - 134Hz

Go to Step 6

Go to Step 13

6

Replace the EBTCM. Refer to Electronic Brake and Traction Control Module .

Is the replacement complete?

--

Go to Diagnostic System Check

--

7

  1. Turn the ignition switch to the OFF position.
  2. Disconnect the PCM connector C2.
  3. Turn the ignition switch to the ON position, engine OFF.
  4. Using J 39200 DMM, measure the voltage between terminals 6 and B of J 39700 .

Is the voltage within the range specified in the value(s) column?

Battery Volts

Go to Step 8

Go to Step 10

8

  1. Turn the ignition switch to the OFF position.
  2. Disconnect the J 39700-25 cable adapter from the EBTCM leaving the cable adapter connected to the EBTCM harness only.
  3. Turn the ignition switch to the ON position, engine OFF.
  4. Using J 39200 DMM, measure the voltage between terminals 6 and B of J 39700 .

Is the voltage within the range specified in the value(s) column?

Greater than 1V

Go to Step 9

Go to Step 12

9

Repair CKT 464 for a short to voltage. Refer to Wiring Repairs in Wiring Systems.

Is the repair complete?

--

Go to Diagnostic System Check

--

10

  1. Turn the ignition switch to the OFF position.
  2. Using J 39200 DMM, measure the resistance between J 39700 terminals 6 and B.

Is the resistance within the range specified in the value(s) column?

OL (infinite)

Go to Step 6

Go to Step 11

11

Repair CKT 464 for a short to ground. Refer to Wiring Repairs in Wiring Systems.

Is the repair complete?

--

Go to Diagnostic System Check

--

12

  1. Turn the ignition switch to the Off position.
  2. Using J 39200 DMM, measure the resistance between terminal 6 of J 39700 and the PCM connector C2 terminal 40.

Is the resistance within the range specified in the value(s) column?

0 - 2ohms

Go to Step 13

Go to Step 14

13

Replace PCM. Refer to Powertrain Control Module/Throttle Actuator Control Module Replacement in Engine Controls.

Is the Replacement complete?

--

Go to Diagnostic System Check

--

14

Repair CKT 464 for an open. Refer to Wiring Repairs in Wiring Systems.

Is the repair complete?

--

Go to Diagnostic System Check

--