GM Service Manual Online
For 1990-2009 cars only

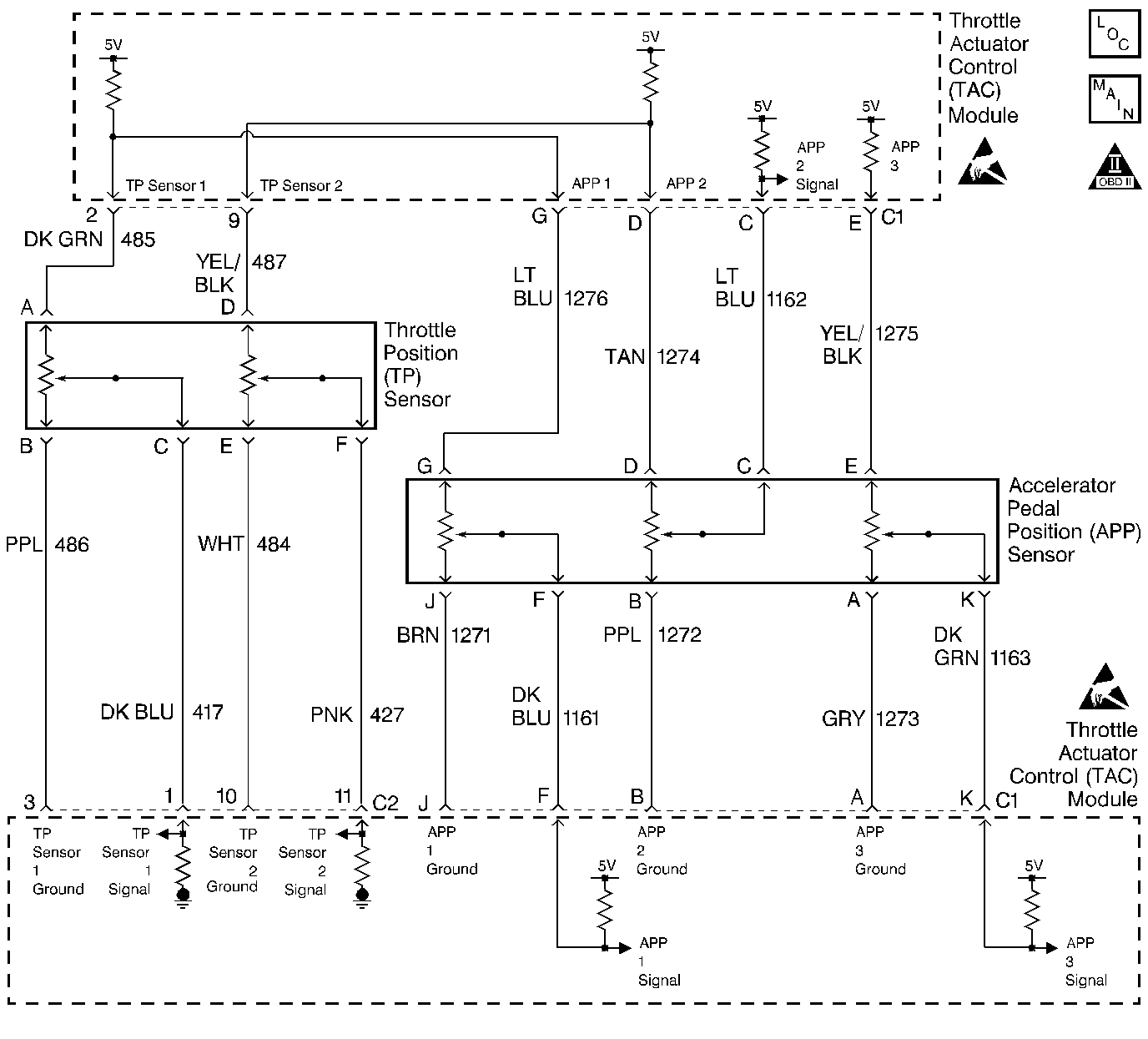
Object Number: 297346  Size: LF
OBD II Symbol Description Notice
Engine Controls Components
Cell 20: TP and APP Sensors
Handling ESD Sensitive Parts Notice
Handling ESD Sensitive Parts Notice

Circuit Description

The Accelerator Pedal Position (APP) sensor is mounted on the accelerator pedal assembly. The sensor is actually three individual Accelerator Pedal Position sensors within one housing. Three separate signal, ground, and 5.0 volt reference circuits connect the Accelerator Pedal Position Sensor assembly and the Throttle Actuator Control (TAC) Module. Each sensor has a unique functionality. The APP sensor 1 signal increases as the accelerator pedal is depressed, from below 1.1 volt at 0% pedal travel (pedal at rest) to above 2.1 volts at 100% pedal travel (pedal fully depressed). The APP sensor 2 signal decreases from above 3.9 volts at 0% pedal travel to below 2.9 volts at 100% pedal travel. The APP sensor 3 signal decreases from above 3.2 volts at 0% pedal travel to below 3.1 volts at 100% pedal travel. Observe that the signal circuits for APP Sensor 2 and APP Sensor 3 pull up to 5.0 volts and the APP Sensor 1 signal circuit pull to ground within the TAC Module.

Conditions for Setting the DTC

    • DTCs P0606, P1517, P1518 not set
    • Ignition switch in the crank or run position
    • Ignition voltage greater than 5.23 volts
    • APP sensor #1 disagrees with APP sensor #2 by more than 10.5% and APP sensor #1 disagrees with APP sensor #3 by more than 13.0%
    • All above conditions met for less than 1 second.

Action Taken When the DTC Sets

    • The PCM stores the DTC information into memory when the diagnostic runs and fails.
    • The malfunction indicator lamp (MIL) will not illuminate.
    • The PCM records the operating conditions at the time the diagnostic fails. The PCM stores this information in the Freeze Frame and/or Failure Records.
    • If no other TAC System DTCs are set, the TAC System operates normally. If certain TAC System DTCs are set at the same time, the TAC system commands the engine to operate in a reduced engine power mode. The TAC system may command the engine to shut down.

Conditions for Clearing the DTC

    • A last test failed, or current DTC, clears when the diagnostic runs and does not fail.
    • A history DTC will clear after 40 consecutive warm-up cycles, if no failures are reported by this or any other non-emission related diagnostic.
    • Use a scan tool in order to clear the DTC.

Diagnostic Aids

    • The following may cause an intermittent condition:
       - Poor connections. Check for adequate terminal tension. Refer to Body and Accessories/Wiring Systems for proper procedure.
       - Corrosion
       - Mis-routed harness
       - Rubbed through the wire insulation
       - Broken wire inside the insulation
       - Inspect the TAC module connectors for signs of water intrusion.
    • For an intermittent condition, refer to Symptoms
    • If you complete a repair and the DTC was cleared using a scan tool on the same ignition cycle, the default action will not clear until an ignition cycle has occurred.
    • When the TAC module detects a problem within the TAC System, more than one TAC System related DTC may set. This is due to the many redundant tests run continuously on this system. Locating and repairing one individual problem may correct more than one DTC. Keep this in mind when reviewing captured DTC info.

Test Description

The numbers below refer to the step numbers on the diagnostic table.

  1. Jumping one APP sensor signal circuit to 5.0 volts should not affect any of the other APP sensor voltages. A problem exists within the TAC module if jumping the circuits affects another APP parameter.

  2. Jumping one APP sensor signal circuit to ground should not affect any of the other APP sensor voltages. A problem exists within the TAC module if jumping the circuits affects another APP parameter.

  3. When the TAC module detects a problem within the TAC System, more than one TAC System related DTC may set. This is due to the many redundant tests run continuously on this system. Locating and repairing one individual problem may correct more than one DTC. Keep this in mind when reviewing the captured DTC information.

DTC P0121 - Accelerator Pedal Position (APP) Sensor 1 Performance

Step

Action

Value(s)

Yes

No

1

Did you perform the Powertrain On-Board Diagnostic (OBD) System Check?

--

Go to Step 2

Go to Powertrain On Board Diagnostic (OBD) System Check

2

Important: If DTC P1518 is also set, refer to DTC P1518 for further diagnosis.

  1. Turn ON the ignition leaving the engine OFF.
  2. Monitor the APP sensor 1 voltage in the TAC data list using a scan tool.

Is the voltage within the specified range?

0.25-1.10V

Go to Step 3

Go to Step 6

3

  1. Monitor the APP sensor 1 and 2 disagree and the APP sensor 2 and 3 disagree parameters using a scan tool.
  2. Slowly depress the accelerator pedal to WOT stopping briefly at approximately 25%, 50%, and 75%. Then slowly return to a closed throttle position stopping briefly at approximately 75%, 50%, and 25%.

Does the scan tool display NO for the APP sensor 1 and 2 disagree and the APP sensor 2 and 3 disagree parameters?

--

Go to Step 4

Go to Step 8

4

  1. Turn OFF the ignition for 15 seconds.
  2. Turn ON the ignition leaving the engine OFF.
  3. Monitor the Failed This Ignition option under the DTC Information option using the scan tool.
  4. Monitor the scan while moving the harness and related connectors.

Does the harness movement cause this DTC to fail this ignition?

--

Go to Step 12

Go to Step 5

5

  1. Turn OFF the ignition for 15 seconds.
  2. Turn ON the ignition leaving the engine OFF.
  3. Monitor the Failed This Ignition option under the DTC Information option using the scan tool.
  4. Quickly depress the accelerator pedal to WOT and then quickly return it to a closed throttle position.

Did this DTC fail this ignition?

--

Go to Step 16

Go to Diagnostic Aids

6

Disconnect the TAC module connector containing the APP sensor circuits.

Does the scan tool indicate the specified voltage?

0V

Go to Step 7

Go to Step 17

7

  1. Turn OFF the ignition.
  2. Disconnect the TAC module connector containing the TP sensor circuits.
  3. Check the harness for continuity between the APP sensor 1 signal circuit and the signal circuits for APP sensor 2, APP sensor 3, TP sensor 1, and TP sensor 2 using a DMM J 39200 .

Does the DMM indicate continuity?

--

Go to Step 8

Go to Step 9

8

  1. Disconnect the APP sensor harness connector.
  2. Disconnect the TAC module.
  3. Check the harness for continuity between the APP sensor 1 signal circuit, at the TAC harness connector, and all other circuits in both TAC module connectors using a DMM J 39200 .

Does the DMM indicate continuity?

0-5ohms

Go to Step 13

Go to Step 16

9

  1. Disconnect the APP sensor harness connector.
  2. Check the harness for continuity between the APP sensor harness connector, at the TAC harness connector, and the TAC module connector containing the APP sensor circuits using a DMM J 39200 .

Does the DMM indicate continuity?

0-5ohms

Go to Step 10

Go to Step 14

10

  1. Re-connect both TAC module connectors.
  2. Turn ON the ignition leaving the engine OFF.
  3. Observe the display voltages for APP sensor 1, APP sensor 2, APP sensor 3, TP sensor 1 and, TP sensor 2 using the scan tool.
  4. Jumper the APP sensor 1 signal circuit to the APP sensor 1 5.0 volt reference circuit in the APP sensor harness connector with a fused jumper wire.
  5. Monitor the APP and TP sensor voltages using a scan tool.

Are any other APP sensor voltages affected, or does the APP sensor 1 voltage not equal the specified voltage when the circuits are connected?

3.94-6.06V

Go to Step 17

Go to Step 11

11

  1. Re-connect both TAC module connectors.
  2. Turn ON the ignition leaving the engine OFF.
  3. Observe the display voltages for APP sensor 1, APP sensor 2, APP sensor 3, TP sensor 1 and, TP sensor 2 using the scan tool.
  4. Jumper the APP sensor 1 signal circuit to the APP sensor 1 ground circuit in the APP sensor harness connector with a fused jumper wire.
  5. Monitor the APP and TP sensor voltages using a scan tool.

Are any other APP sensor voltages affected, or does the APP sensor 1 voltage not equal the specified voltage when the circuits are connected?

0.0-0.1V

Go to Step 17

Go to Step 16

12

Repair the harness/connections as necessary. Refer to Body and Accessories/Wiring Systems.

Is the action complete?

--

Go to Step 18

--

13

Repair the signal circuits that are shorted together. Refer to Body and Accessories/Wiring Systems.

Is the action complete?

--

Go to Step 18

--

14

Repair the circuit with the high resistance. Refer to Body and Accessories/Wiring Systems.

Is the action complete?

--

Go to Step 18

--

15

Check for poor connections/terminal tension at the APP sensor and at the TAC module. Refer to Body and Accessories/Wiring Systems for the proper procedure.

Did you find and correct the condition?

--

Go to Step 18

Go to Step 16

16

Replace the accelerator pedal assembly. Refer to Accelerator Pedal Position Sensor Replacement

Is the action complete?

--

Go to Step 18

--

17

Replace the TAC module. Refer to Powertrain Control Module/Throttle Actuator Control Module Replacement .

Is the action complete?

--

Go to Step 18

--

18

  1. Select the Diagnostic Trouble Code (DTC) option and the Clear DTC Information option using the scan tool.
  2. Idle the engine at the normal operating temperature.
  3. Select the Diagnostic Trouble Code (DTC) option and the Specific DTC option, then enter the DTC number using the scan tool.
  4. Operate the vehicle within the Conditions for Setting the DTC as specified in the supporting text, if applicable.

Does the scan tool indicate that this diagnostic ran and passed?

--

Go to Step 19

Go to Step 2

19

Select the Capture Info option and the Review Info option using the scan tool.

Does the scan tool display any DTCs that you have not diagnosed?

--

Go to the applicable DTC Table

System OK