GM Service Manual Online
For 1990-2009 cars only

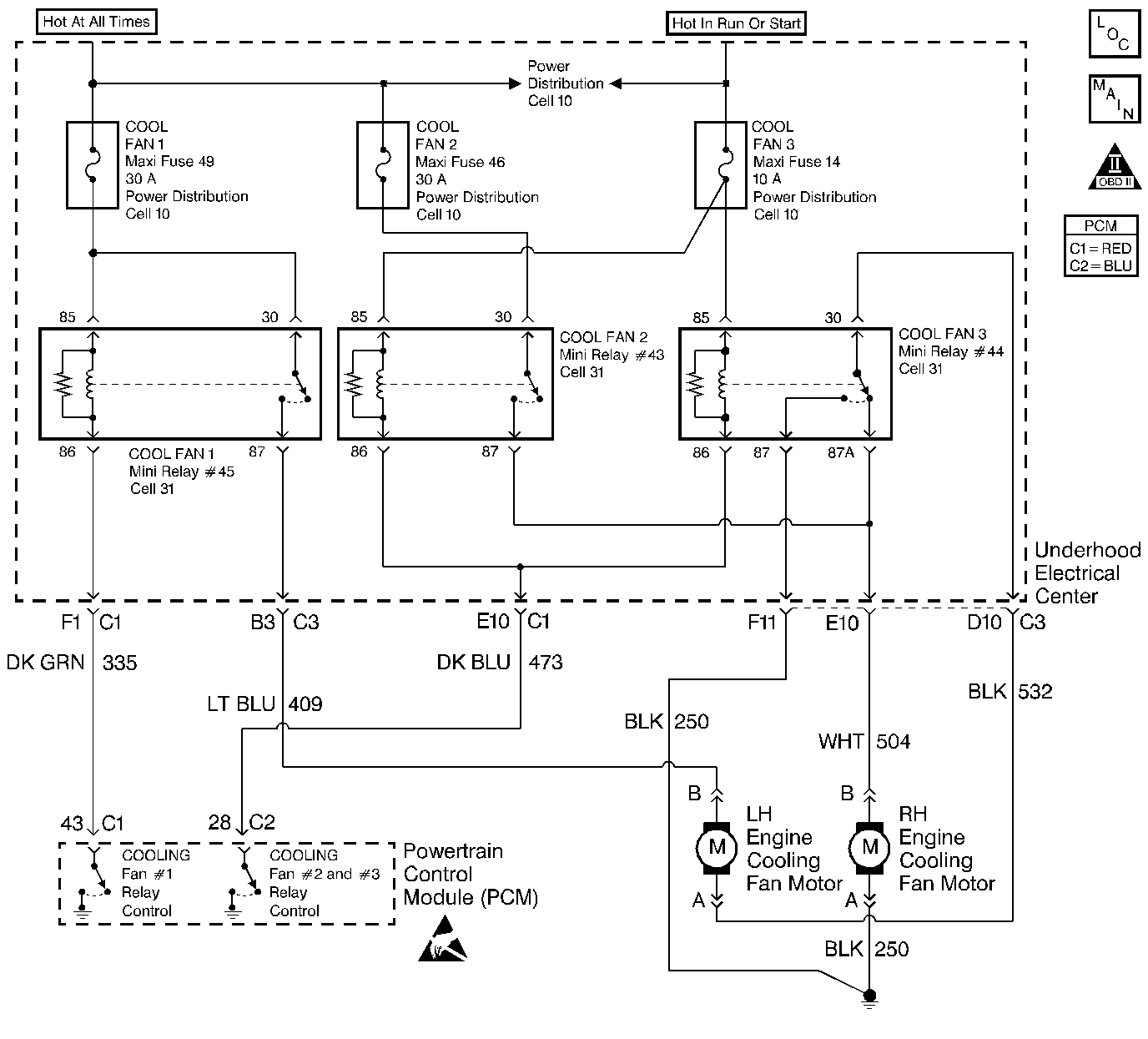
Object Number: 101341  Size: LF
OBD II Symbol Description Notice
Engine Controls Components
Cell 20: Engine Cooling Fan Controls
Handling ESD Sensitive Parts Notice

Circuit Description

Ignition voltage is supplied directly to the cooling fan relay coil. The PCM controls the relay by grounding the control circuit via an internal switch called a driver. The primary function of the driver is to supply the ground for the controlled component. Each driver has a fault line which the PCM monitors. When the PCM commands a component ON, the voltage of the control circuit should be low (near 0 volts). When the PCM commands the control circuit to a component OFF, the voltage potential of the circuit should be high (near the battery voltage). If the fault detection circuit senses a voltage other than what the PCM is expects, the fault line status changes causing the DTC to set.

The relay controls the high current flow to the AIR injection pump integral bypass valve. This allows the PCM driver to only have to control the relatively low current used by the relay.

Conditions for Setting the DTC

    • Engine speed is greater than 600 RPM.
    • The PCM detects that the commanded state of the driver and the actual state of the control circuit do not match.
    • Condition must exist for a minimum of 10 seconds.

Action Taken When the DTC Sets

    • The PCM illuminates the malfunction indicator lamp (MIL) on the second consecutive ignition cycle that the diagnostic runs and fails.
    • The PCM records the operating conditions at the time the diagnostic fails. The first time the diagnostic fails, the PCM stores this information in the Failure Records. If the diagnostic reports a failure on the second consecutive ignition cycle, the PCM records the operating conditions at the time of the failure. The PCM writes the conditions to the Freeze Frame and updates the Failure Records.

Conditions for Clearing the MIL/DTC

    • A last test failed, or the current DTC, clears when the diagnostic runs and does not fail.
    • A history DTC clears after 40 consecutive warm-up cycles, if failures are not reported by this or any other emission related diagnostic.
    • Use a scan tool in order to clear the MIL/DTC.

Diagnostic Aids

Cooling Fan #2 Relay Underhood Electrical Center Terminal Identification

Front of Vehicle

Driver Side of Vehicle

Control

B+

Passenger Side of Vehicle

Load

Ignition

This DTC will not report a pass. The scan tool status for this DTC will never report a pass so it would appear that the diagnostic never runs. This causes the MIL to remain ON until a DTC clear command or battery disconnect occurs.

Using Freeze Frame and/or Failure Records data may aid in locating an intermittent condition. If you cannot duplicate the DTC, the information included in the Freeze Frame and/or Failure Records data can aid in determining how many miles since the DTC set. The Fail Counter and Pass Counter can also aid determining how many ignition cycles the diagnostic reported a pass and/or a fail. Operate the vehicle within the same freeze frame conditions (RPM, load, vehicle speed, temperature etc.) that you observed. This will isolate when the DTC failed.

For an intermittent, refer to Symptoms .

Test Description

The numbers below refer to the step numbers on the diagnostic table.

  1. This checks for a control circuit that may be shorted to a voltage.

  2. This checks for an open control circuit.

  3. This DTC will not report a pass. The scan tool status for this DTC will never report a pass. The scan tool will only display when the diagnostic fails. The repair is not complete if the scan tool indicates that the diagnostic ran and failed.

Step

Action

Value(s)

Yes

No

1

Did you perform the Powertrain On-Board Diagnostic (OBD) System Check?

--

Go to Step 2

Go to Powertrain On Board Diagnostic (OBD) System Check

2

Is the customer complaint that the fans are ON at all times?

--

Go to Step 3

Go to Step 4

3

  1. Turn OFF the ignition.
  2. Disconnect the PCM connector located on the same side as the manufacturer's logo.
  3. Turn ON the ignition.

Are the fans ON?

--

Go to Step 7

Go to Step 10

4

  1. Disconnect engine cooling fan relays #2 and #3.
  2. Probe the control side of the relay #2 at the underhood electrical center using the test lamp J 35616-200 connected to ground. Refer to Diagnostic Aids for terminal identification.
  3. Turn ON the ignition, with the engine OFF.

Is the test lamp illuminated?

--

Go to Step 8

Go to Step 5

5

  1. Turn OFF the ignition.
  2. Reconnect both relays.
  3. Disconnect the PCM connector located on the same side as the manufacturer's logo.
  4. Probe the engine cooling fan relay #2 and #3 control circuit at the PCM harness using test lamp J 35616-200 connected to ground.
  5. Turn ON the ignition.

Is the test lamp illuminated?

--

Go to Step 9

Go to Step 6

6

Repair the open circuit between the PCM harness connector and the splice. Refer to Body and Accessories/Wiring Systems.

Is the action complete?

--

Go to Step 11

--

7

Repair the short to ground in the engine cooling fan relay #2 and #3 control circuit. Refer to Body and Accessories/Wiring Systems.

Is the action complete?

--

Go to Step 11

--

8

Repair the short to B+ in the engine cooling fan relay #2 and #3 control circuit. Refer to Body and Accessories/Wiring Systems.

Is the action complete?

--

Go to Step 11

--

9

  1. Inspect the PCM harness connector for poor connections.
  2. If you find a poor connection, repair as necessary. Refer to Body and Accessories/Wiring Systems.

Did you find and correct the condition?

--

Go to Step 11

Go to Step 10

10

Important:: Program the replacement PCM. Refer to Powertrain Control Module/Throttle Actuator Control Module Replacement .

Replace the PCM.

Is the action complete?

--

Go to Step 11

--

11

  1. Select the Diagnostic Trouble Code (DTC) option and the Clear DTC option using the scan tool.
  2. Idle the engine at the normal operating temperature.
  3. Select the Diagnostic Trouble Code (DTC) option and the Specific DTC option, then enter the DTC number using the scan tool.
  4. Operate vehicle within the conditions for setting this DTC as specified in the supporting text, if applicable.

Does the scan tool indicate that this test failed?

--

Go to Step 2

Go to Step 12

12

Select the Capture Info option and the Review Info option using the scan tool.

Does the scan tool display any DTCs that you have not diagnosed?

--

Go to the applicable DTC table

System OK