GM Service Manual Online
For 1990-2009 cars only
Makes
🢒
Chevrolet
🢒
1998
🢒
Corvette
🢒
HVAC
🢒
HVAC Systems - Automatic
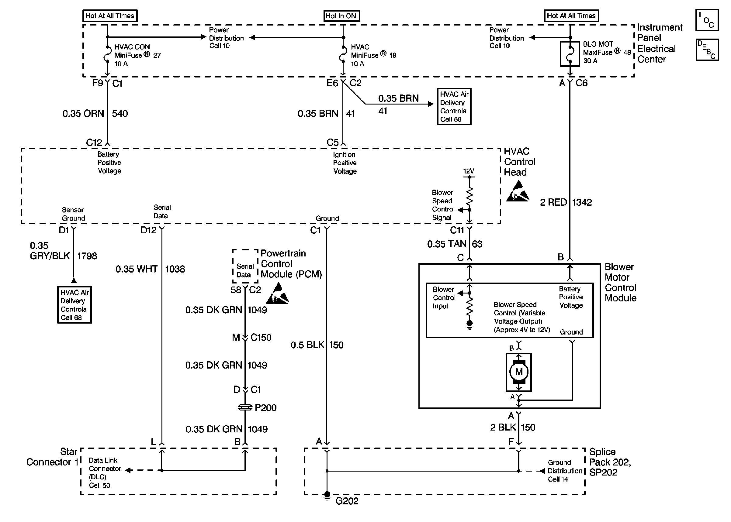
🢒 HVAC Blower Control Schematics
HVAC Blower Control Schematics Rear Mounted EBTCM/BPMV
Cell 66: Blower Control System
HVAC Blower Control Schematics Front Mounted EBTCM/BPMV
Cell 66: Blower Control System