GM Service Manual Online
For 1990-2009 cars only
Makes
🢒
Chevrolet
🢒
1998
🢒
Corvette
🢒
HVAC
🢒
HVAC Systems - Automatic
🢒 HVAC Compressor Control Schematics
HVAC Compressor Control Schematics Rear Mounted EBTCM/BPMV
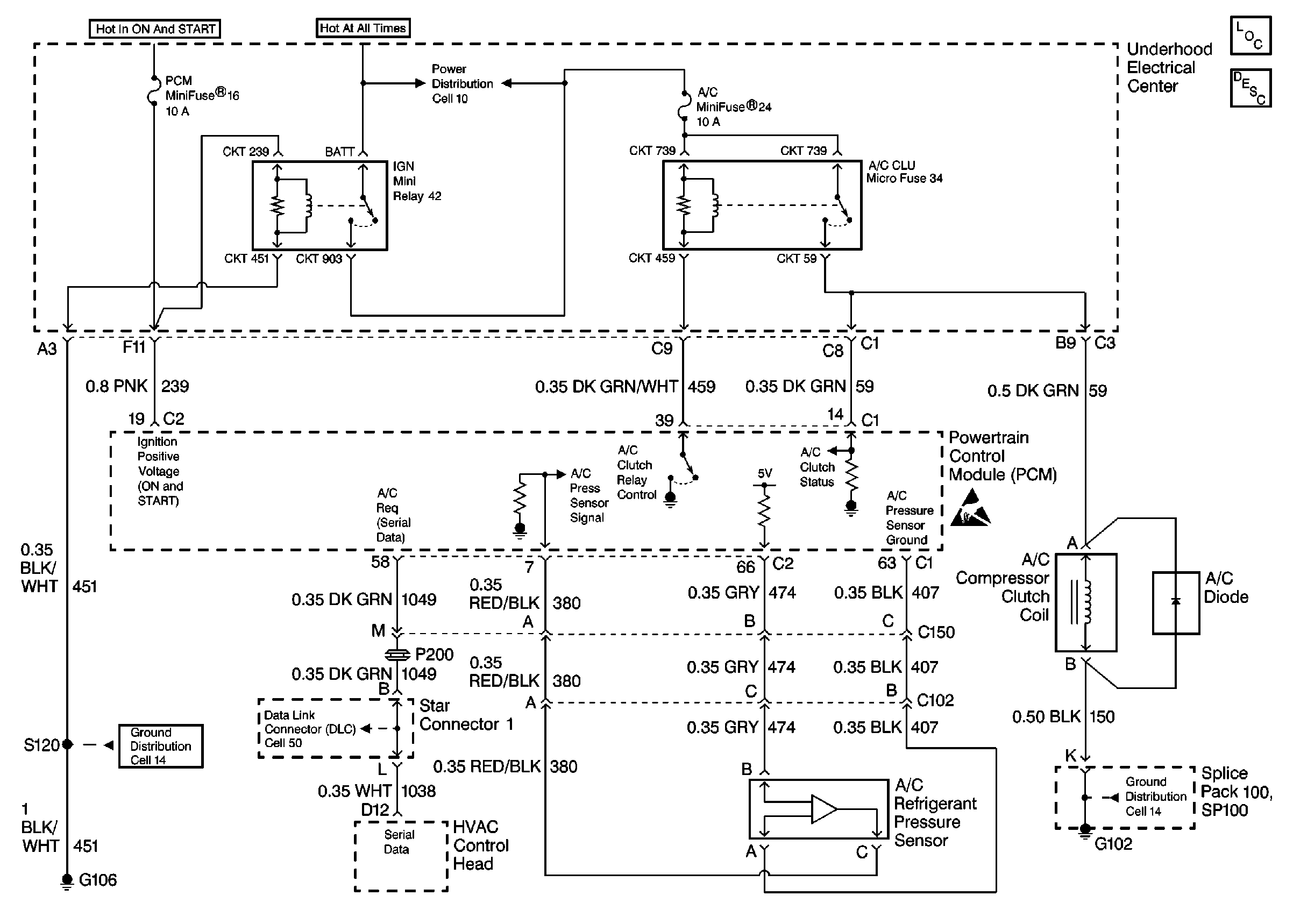
Cell 67: A/C Compressor Controls System
HVAC Compressor Control Schematics Front Mounted EBTCM/BPMV
Cell 67: A/C Compressor Controls System