GM Service Manual Online
For 1990-2009 cars only

Caution: Be careful when you handle a sensor. Do not strike or jolt a sensor. Before applying power to a sensor:

   • Remove any dirt, grease, etc. from the mounting surface.
   • Position the sensor horizontally on the mounting surface.
   • Point the arrow on the sensor toward the front of the vehicle.
   • Tighten all of the sensor fasteners and sensor bracket fasteners to the specified torque value.
Failure to follow the correct procedure could cause air bag deployment, personal injury, or unnecessary SIR system repairs.

Removal Procedure


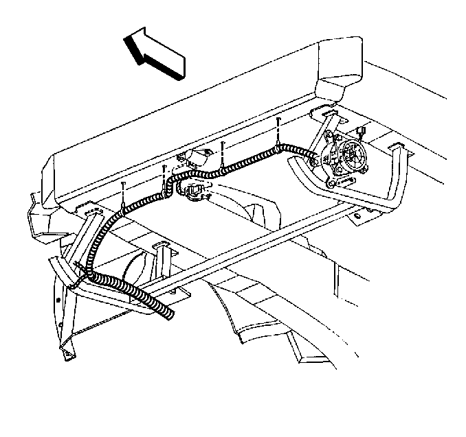
    Object Number: 68631  Size: SH
  1. Disable the SIR system. Refer to Disabling the SIR System .
  2. Remove the Air Cleaner Assembly. Refer to Air Cleaner Assembly Replacement in Engine Controls - 5.7L.
  3. Remove the Connector Position Assurance (CPA) from the inflatable restraint front end discriminating sensor harness connector.

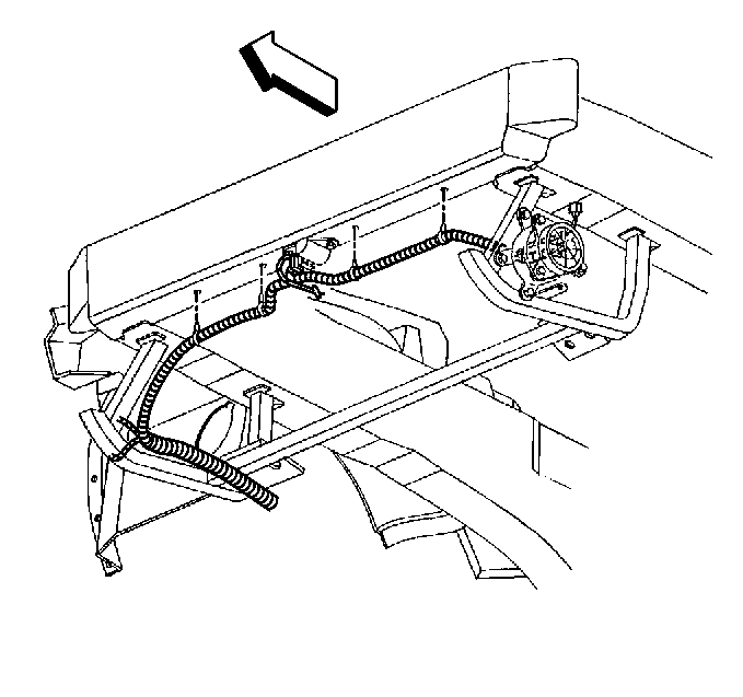
  4. Object Number: 68634  Size: SH
  5. Disconnect the inflatable restraint front end discriminating sensor harness connector from the sensor.

  6. Object Number: 68636  Size: SH
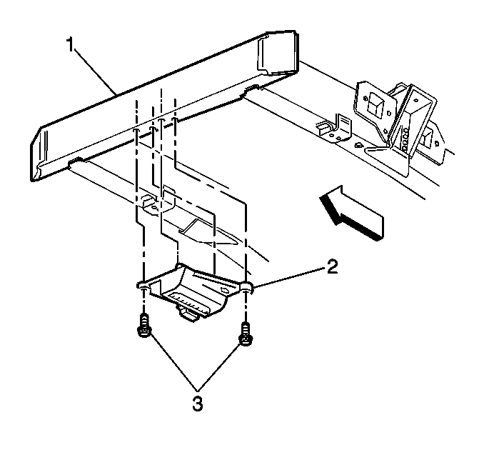
  7. Remove the inflatable restraint front end discriminating sensor mounting fasteners (3).
  8. Remove the inflatable restraint front end discriminating sensor (2) from the front bumper impact bar (1).

Important: If the sensor mounting holes or fasteners are damaged to the extent that the sensor can no longer be properly mounted, use the following repair.


    Object Number: 183494  Size: SH
  1. Remove the stripped fastener and discard it.
  2. Drill out the stripped rivnut and discard it.
  3. Install new rivnut GM P/N 10281487.
  4. Notice: Use the correct fastener in the correct location. Replacement fasteners must be the correct part number for that application. Fasteners requiring replacement or fasteners requiring the use of thread locking compound or sealant are identified in the service procedure. Do not use paints, lubricants, or corrosion inhibitors on fasteners or fastener joint surfaces unless specified. These coatings affect fastener torque and joint clamping force and may damage the fastener. Use the correct tightening sequence and specifications when installing fasteners in order to avoid damage to parts and systems.

  5. Install sensor with new fastener GM P/N 11514139.
  6. Tighten
    Tighten fastener to 10 N·m (89 lb in).

Installation Procedure


    Object Number: 68636  Size: SH
  1. Install the inflatable restraint front end discriminating sensor (2) to the front bumper impact bar (1).
  2. Notice: Use the correct fastener in the correct location. Replacement fasteners must be the correct part number for that application. Fasteners requiring replacement or fasteners requiring the use of thread locking compound or sealant are identified in the service procedure. Do not use paints, lubricants, or corrosion inhibitors on fasteners or fastener joint surfaces unless specified. These coatings affect fastener torque and joint clamping force and may damage the fastener. Use the correct tightening sequence and specifications when installing fasteners in order to avoid damage to parts and systems.

  3. Install the inflatable restraint front end discriminating sensor mounting fasteners (3).
  4. Tighten
    Tighten fasteners to 10 N·m (89 lb in).


    Object Number: 68634  Size: SH
  5. Connect the inflatable restraint front end discriminating sensor harness connector to the sensor.

  6. Object Number: 68631  Size: SH
  7. Install the Connector Position Assurance (CPA) to the inflatable restraint front end discriminating sensor harness connector.
  8. Install the Air Cleaner Assembly. Refer to Air Cleaner Assembly Replacement in Engine Controls - 5.7L.
  9. Enable the SIR system. Refer to Enabling the SIR System .