GM Service Manual Online
For 1990-2009 cars only
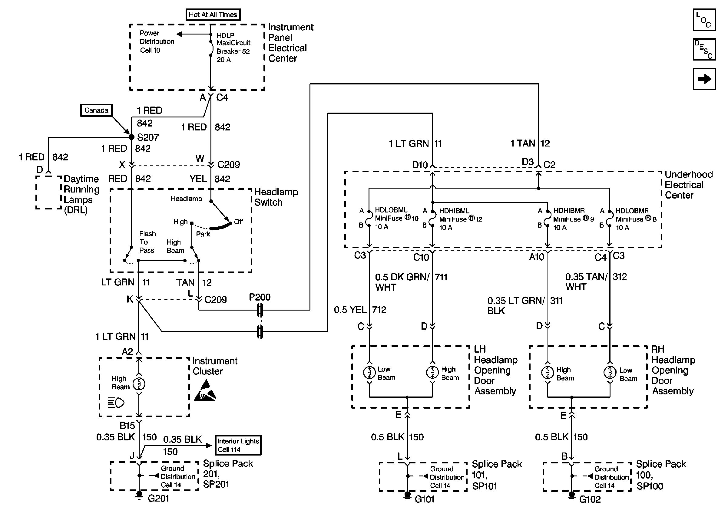
Figure 1:

Cell 102: High and Low Beams


Object Number: 82385  Size: FS
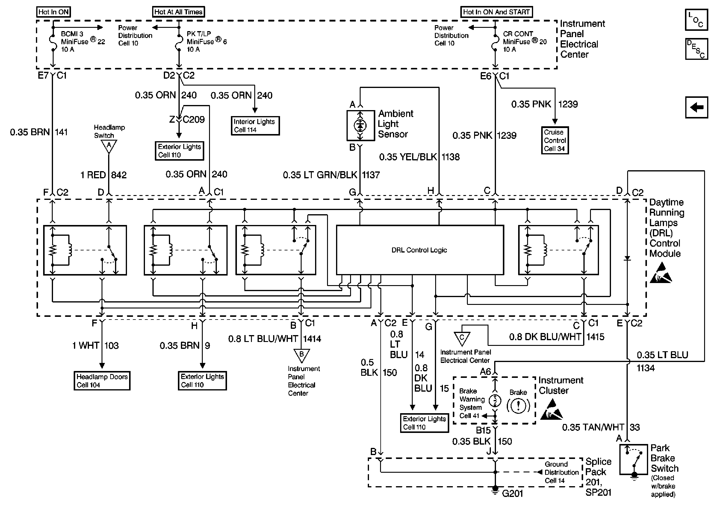
Figure 2:

Cell 102: DRL Domestic and Export


Object Number: 82388  Size: FS
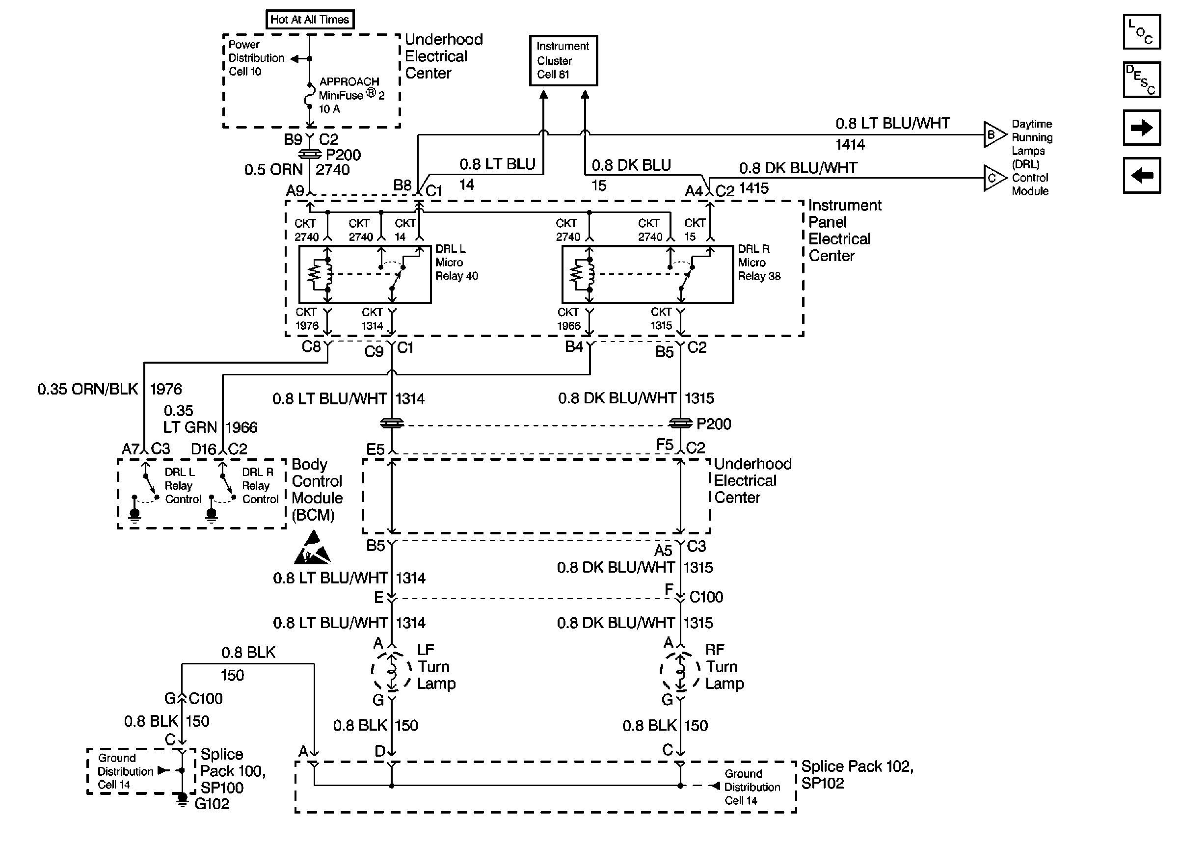
Figure 3:

Cell 102: DRL Canada


Object Number: 82390  Size: FS
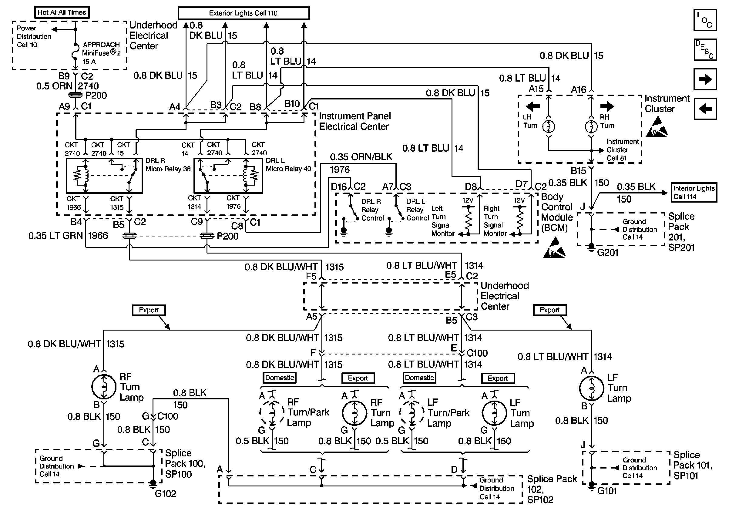
Figure 4:

Cell 102: DRL Canada


Object Number: 82396  Size: FS