GM Service Manual Online
For 1990-2009 cars only
Makes
🢒
Chevrolet
🢒
1998
🢒
Corvette
🢒
Body and Accessories
🢒
Lighting Systems
🢒 Backup Lamp Schematics
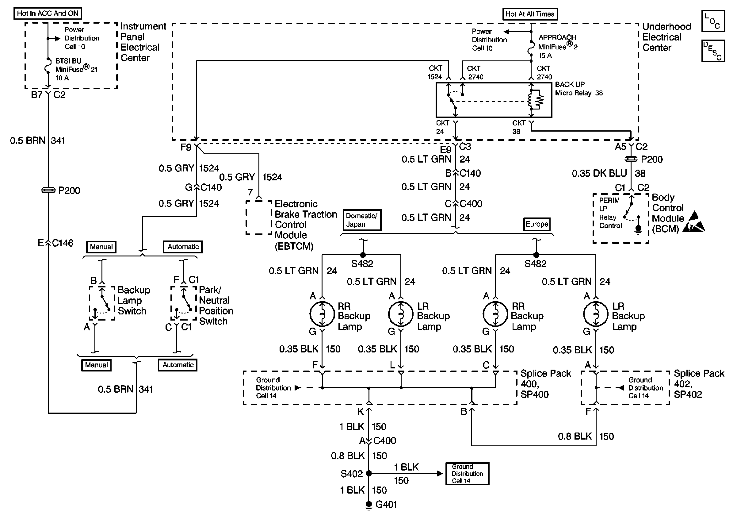
Backup Lamp Schematics Rear Mounted EBTCM/BPMV
Cell 112: Backup Lights System
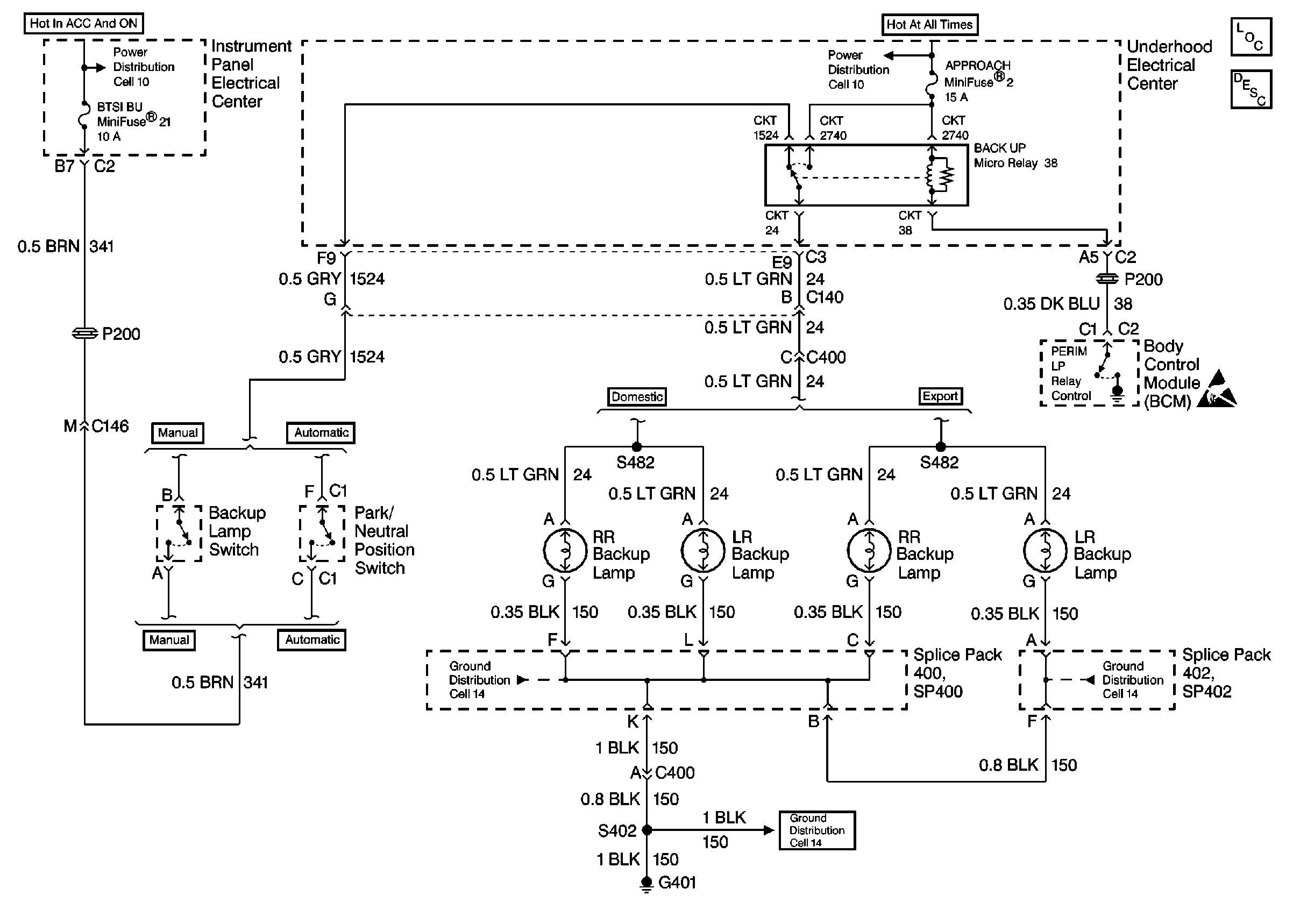
Backup Lamp Schematics Front Mounted EBTCM/BPMV
Cell 112: Backup Lights System