GM Service Manual Online
For 1990-2009 cars only
Makes
🢒
Chevrolet
🢒
1998
🢒
Corvette
🢒
Body and Accessories
🢒
Lighting Systems
🢒 Interior Lights Schematics
Figure
1:
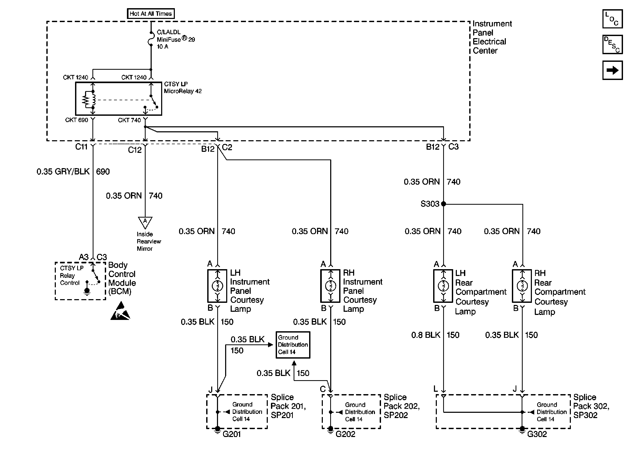
Cell 114: CSTY LP Relay Control
Figure
2:
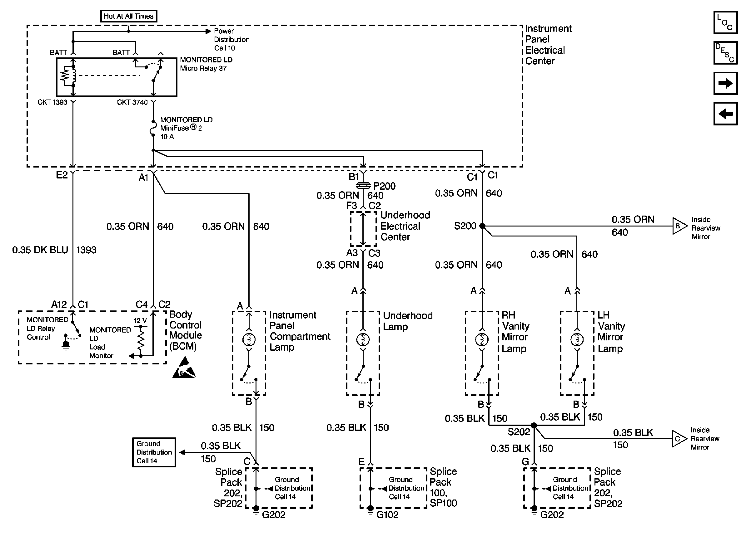
Cell 114: MONITORED LD Relay Control
Figure
3:
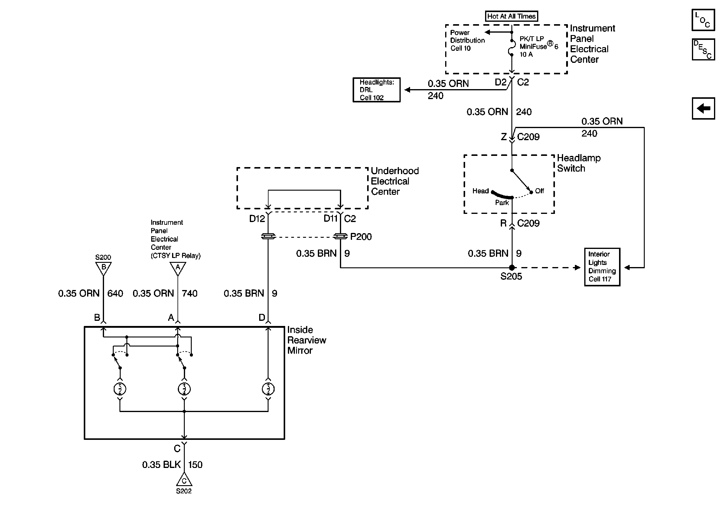
Cell 114: Inside Rearview Mirror