GM Service Manual Online
For 1990-2009 cars only
Makes
🢒
Chevrolet
🢒
1998
🢒
Corvette
🢒
Body and Accessories
🢒
Instrument Panel, Gauges, and Console
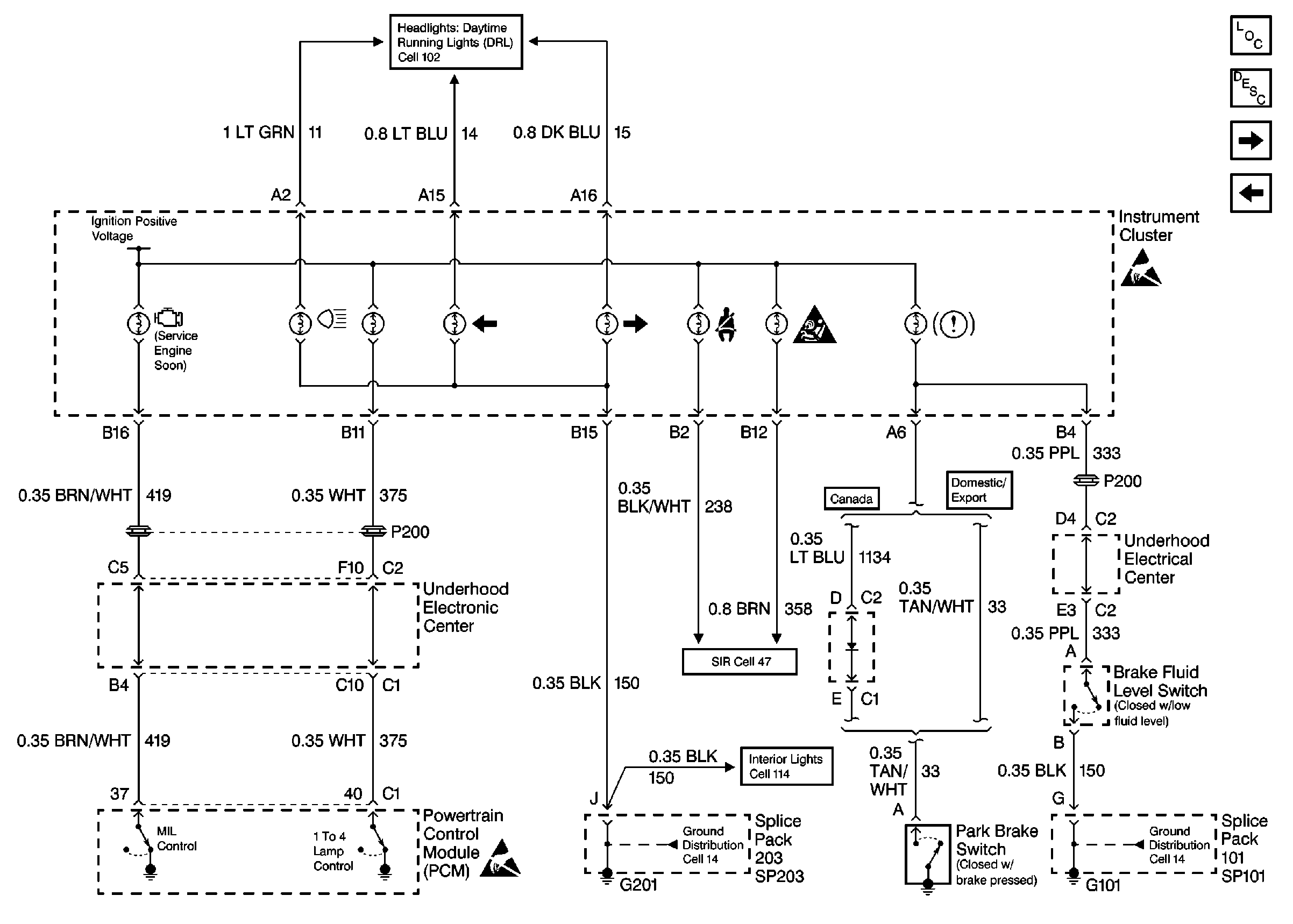
🢒 Instrument Cluster: Analog Schematics
Figure
1:
Cell 81: Instrumentation and Driver Information
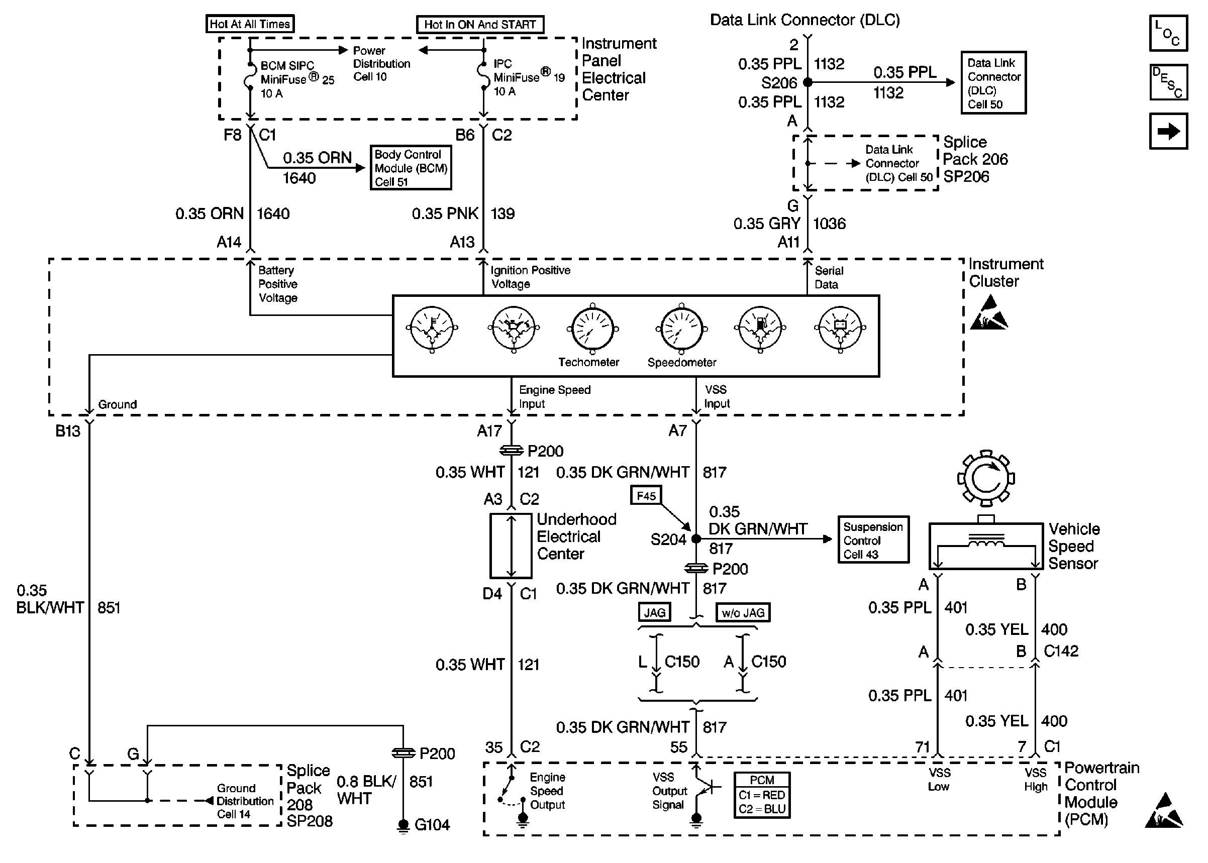
Figure
2:
Cell 81: Instrumentation and Driver Information