GM Service Manual Online
For 1990-2009 cars only
Makes
🢒
Chevrolet
🢒
1999
🢒
Corvette
🢒
Suspension
🢒
Tire Pressure Monitoring
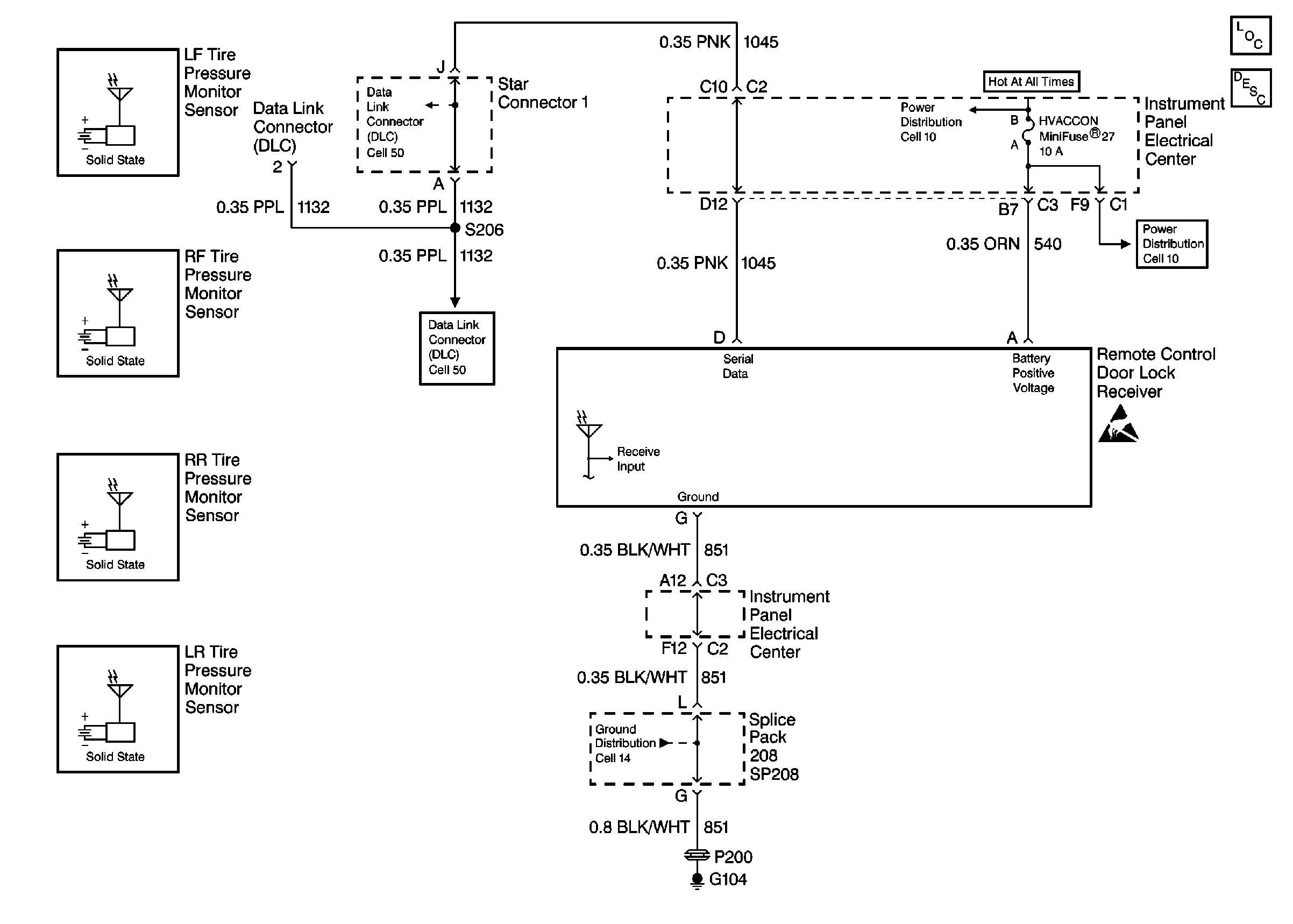
🢒 Tire Pressure Monitoring System Schematics
Cell 48
Tire Pressure Monitoring System Components
Tire Pressure Monitor System Description
Class 2 Serial Data Cell 50
Class 2 Serial Data Cell 50
Cell 10: I/P Fuses 51, 27, 17, Relay 41
Cell 14: SP102, SP208, G104
Handling ESD Sensitive Parts Notice