GM Service Manual Online
For 1990-2009 cars only
Makes
🢒
Chevrolet
🢒
1999
🢒
Corvette
🢒
Brakes
🢒
Hydraulic Brakes
🢒 Brake Warning System Schematics
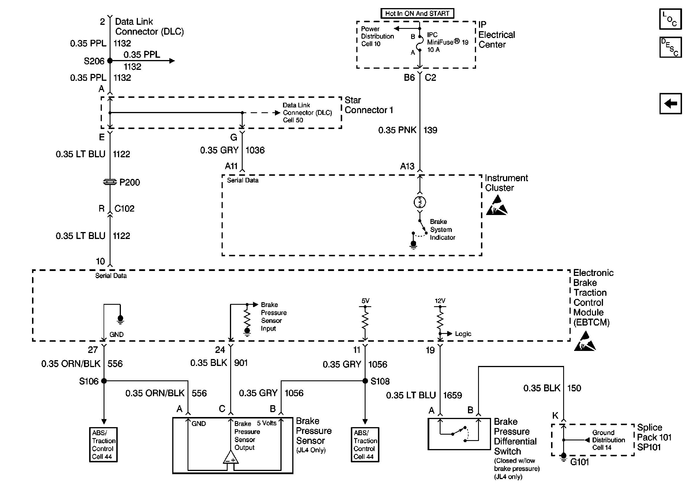
Figure
1:
Cell 41: Parking Brake Switch and Brake Fluid Level Switch
Cell 41: Electronic Brake Traction Control Module (EBTCM)
Cell 14: SP101, SP100, G101, G102
Handling ESD Sensitive Parts Notice
Cell 10: I/P Fuses 15, 16, 13, 20, 19
Hydraulic Brakes Components
Brake Warning System Description
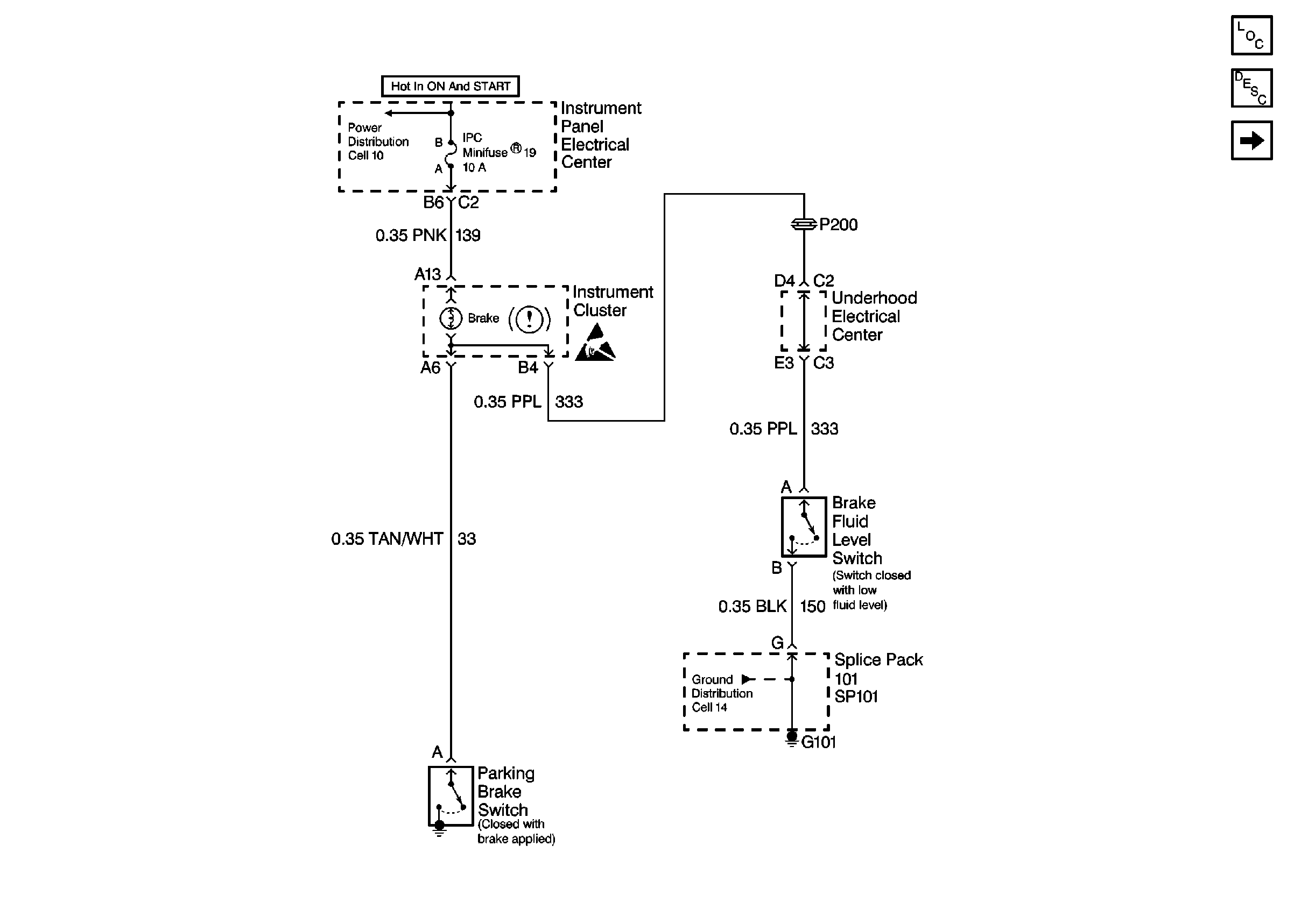
Figure
2:
Cell 41: Electronic Brake Traction Control Module (EBTCM)
Cell 41: Parking Brake Switch and Brake Fluid Level Switch
Handling ESD Sensitive Parts Notice
Handling ESD Sensitive Parts Notice
Cell 14: SP101, SP100, G101, G102
Cell 44: Miscellaneous Sensor Inputs (JL4)
Cell 44: Miscellaneous Sensor Inputs (JL4)
Class 2 Serial Data Cell 50
Cell 10: I/P Fuses 15, 16, 13, 20, 19
Hydraulic Brakes Components
Brake Warning System Description