GM Service Manual Online
For 1990-2009 cars only

Removal Procedure

Important: Take care when handling the MAF. Do not dent, puncture, or otherwise damage the Honeycell located at the air inlet end of the MAF. Do not touch the sensing elements or allow anything including cleaning solvents and lubricants to come in contact with them. Use a small amount of a non-silicone based lubricant on the air duct only, to aid in installation. Do not drop or roughly handle the MAF.


    Object Number: 261056  Size: SH
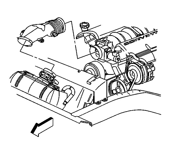
  1. Disconnect the MAF sensor electrical connector and the IAT sensor electrical connector.

  2. Object Number: 261059  Size: SH
  3. Remove the air intake duct clamps at the MAF sensor and at the throttle body.
  4. Remove the air intake duct.

  5. Object Number: 261061  Size: SH
  6. Remove the air intake duct clamp at the air cleaner housing.
  7. Remove the MAF sensor.

Installation Procedure

Important:: Embossed arrows on the MAF sensor indicate the proper air flow direction. The arrows must point toward the engine.


    Object Number: 261061  Size: SH
  1. Install the MAF sensor into the air intake duct at the air cleaner housing.
  2. Install the new clamp using J 22610 Service Boot Clamp Installer.

  3. Object Number: 261059  Size: SH
  4. Install the air intake duct to the MAF sensor and the throttle body.

  5. Object Number: 261056  Size: SH
  6. Install the clamps.
  7. Connect the MAF sensor electrical connector and the IAT sensor electrical connector.