GM Service Manual Online
For 1990-2009 cars only
Makes
🢒
Chevrolet
🢒
1999
🢒
Corvette
🢒
Body and Accessories
🢒
Instrument Panel, Gauges, and Console
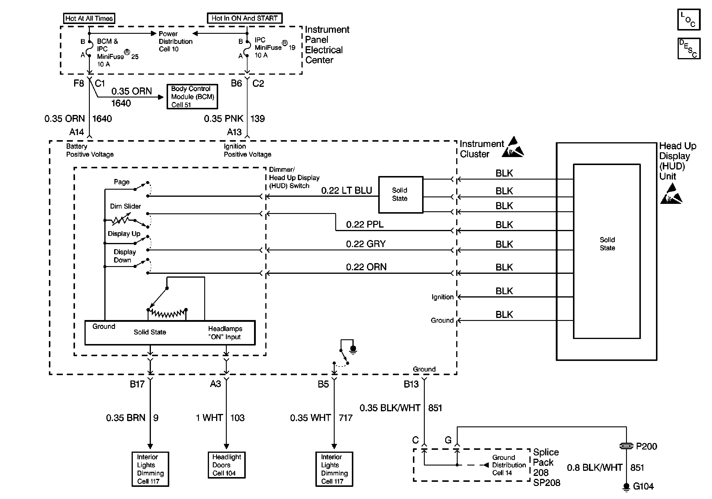
🢒 Head Up Display Schematics
Cell 83
Instrument Cluster Components
Head Up Display Description
Handling ESD Sensitive Parts Notice
Handling ESD Sensitive Parts Notice
Cell 14: SP102, SP208, G104
Cell 117: ALC PRK LP Relay
Cell 104: Power and Ground
Cell 117: Door and Radio Dimming Control
Cell 51: Power, Ground and DLC
Cell 10: I/P Fuses 25, 23, 29, Relay 42