GM Service Manual Online
For 1990-2009 cars only
Makes
🢒
Chevrolet
🢒
1999
🢒
Corvette
🢒 Cell 138
Cell 138
Cell 138
Tilt Wheel/Column Components
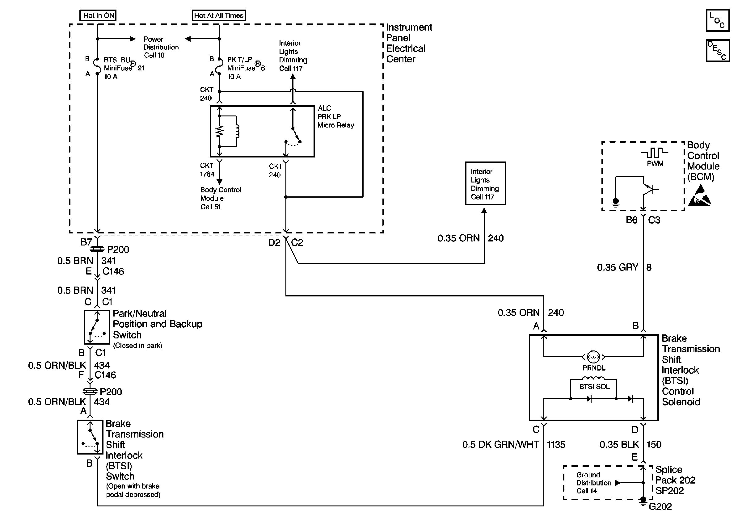
Automatic Transmission Shift Lock Control Description
Handling ESD Sensitive Parts Notice
Cell 14: SP202, G202
Cell 117: ALC PRK LP Relay
Cell 10: I/P Fuses 52, 6, Relays 43, 44, Circuit Breaker 54
Cell 10: I/P Fuses 52, 6, Relays 43, 44, Circuit Breaker 54
Cell 10: I/P Fuses 52, 6, Relays 43, 44, Circuit Breaker 54