GM Service Manual Online
For 1990-2009 cars only
Makes
🢒
Chevrolet
🢒
1999
🢒
Corvette
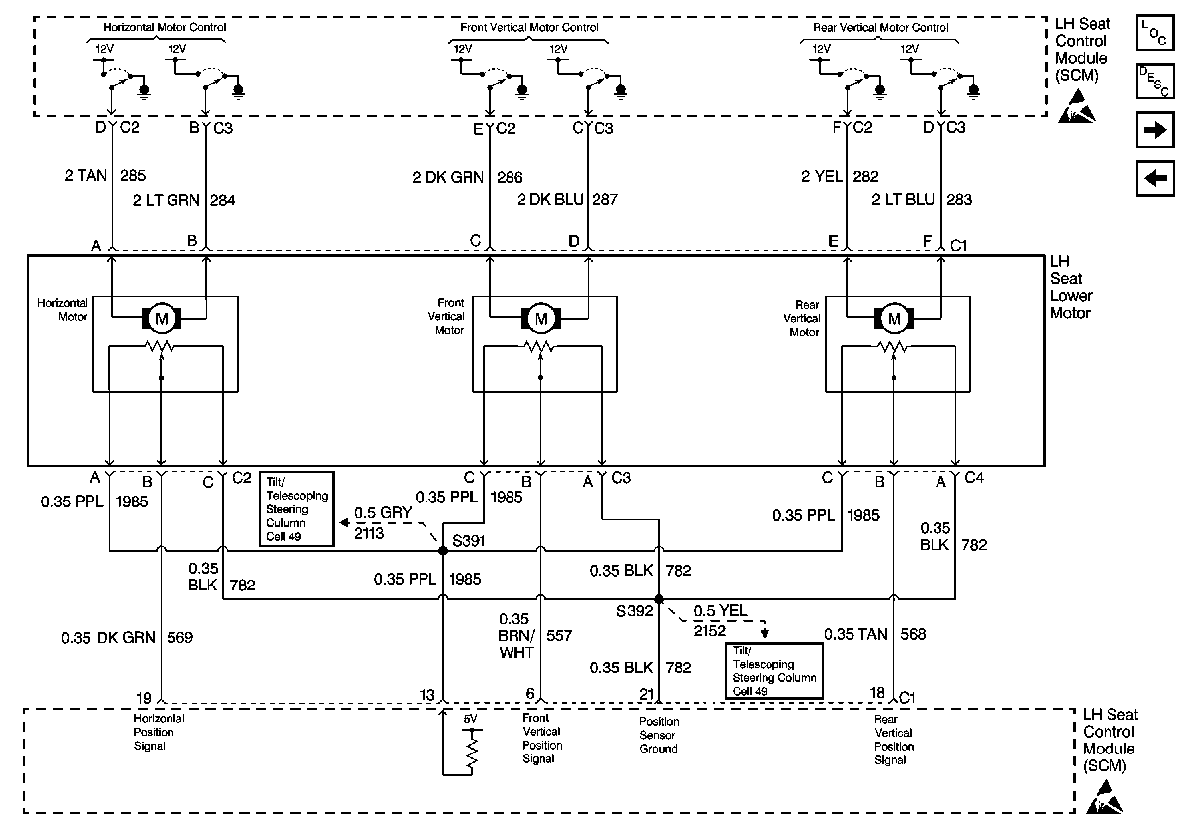
🢒 Cell 141: LH Seat Control Module
Cell 141: LH Seat Control Module
Cell 141: LH Seat Control Module
Power Seat Systems Components
Power Seats Circuit Description
Cell 141: LH Seat Control Module W/Telescoping Steering Column
Cell 141: Power, Ground and DLC
Handling ESD Sensitive Parts Notice
Handling ESD Sensitive Parts Notice
Cell 49: Telescoping Steering Column
Cell 49: Telescoping Steering Column