GM Service Manual Online
For 1990-2009 cars only
Makes
🢒
Chevrolet
🢒
2000
🢒
Corvette
🢒
Engine
🢒
Engine Cooling
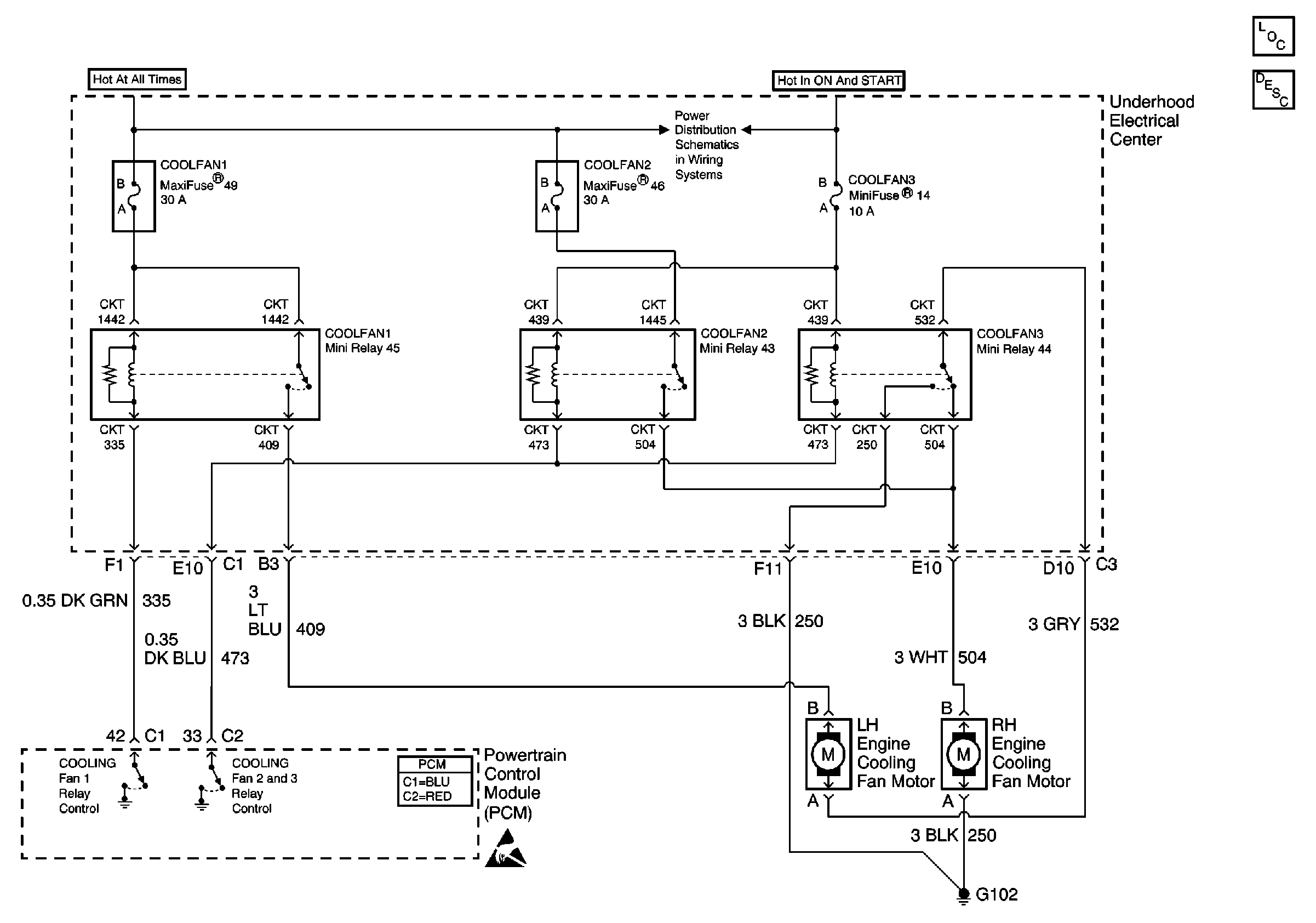
🢒 Cooling Fan Schematics
Cooling System Components
Power Distribution Schematics
Handling ESD Sensitive Parts Notice