GM Service Manual Online
For 1990-2009 cars only
Makes
🢒
Chevrolet
🢒
2000
🢒
Corvette
🢒
HVAC
🢒
HVAC Systems - Manual
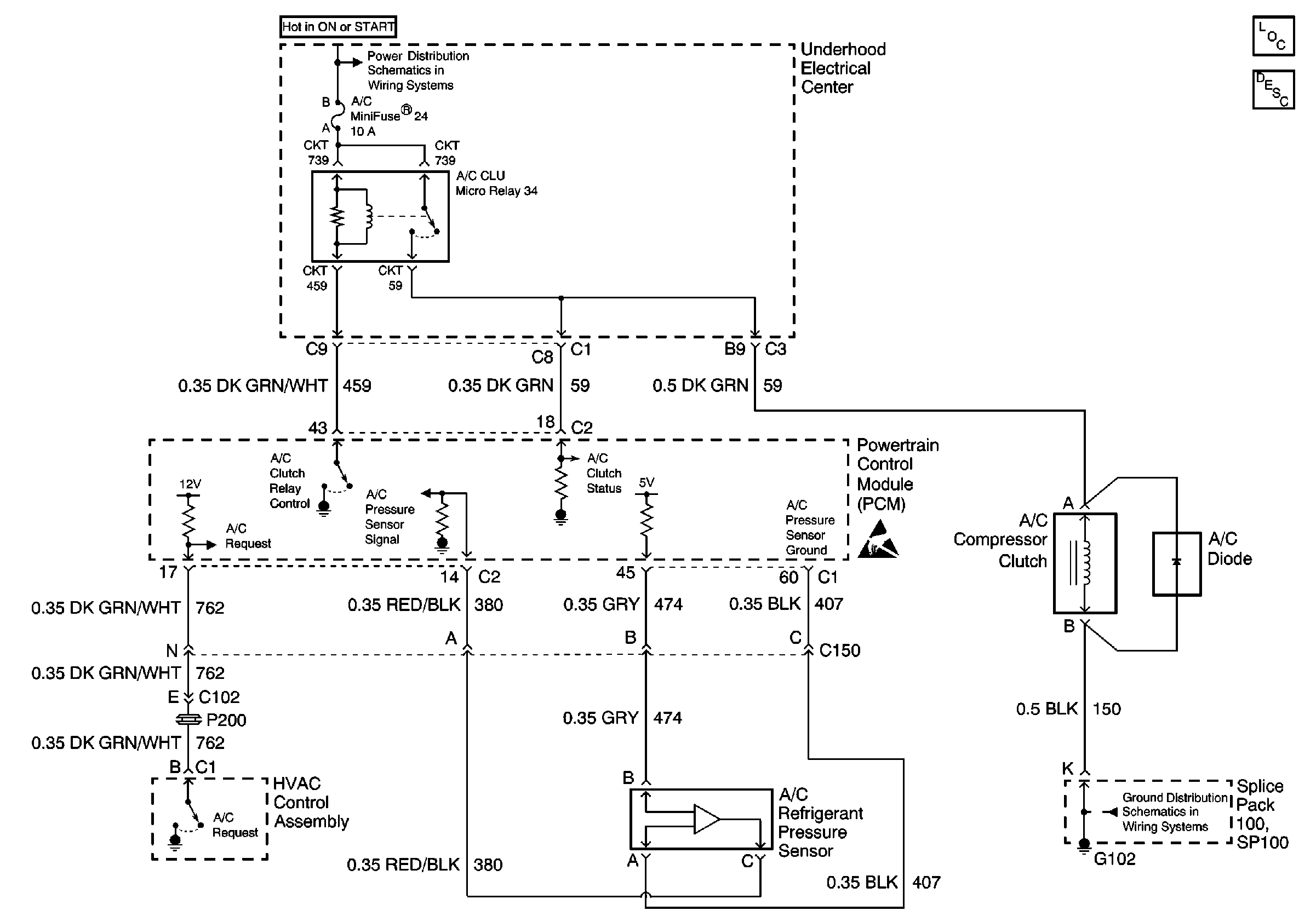
🢒 HVAC Compressor Control Schematics
HVAC Components
Power Distribution Schematics
Ground Distribution Schematics
Handling ESD Sensitive Parts Notice
HVAC Compressor Controls Circuit Description