GM Service Manual Online
For 1990-2009 cars only
Makes
🢒
Chevrolet
🢒
2000
🢒
Corvette
🢒
HVAC
🢒
HVAC Systems - Manual
🢒 HVAC Air Delivery/Temperature Control Schematics
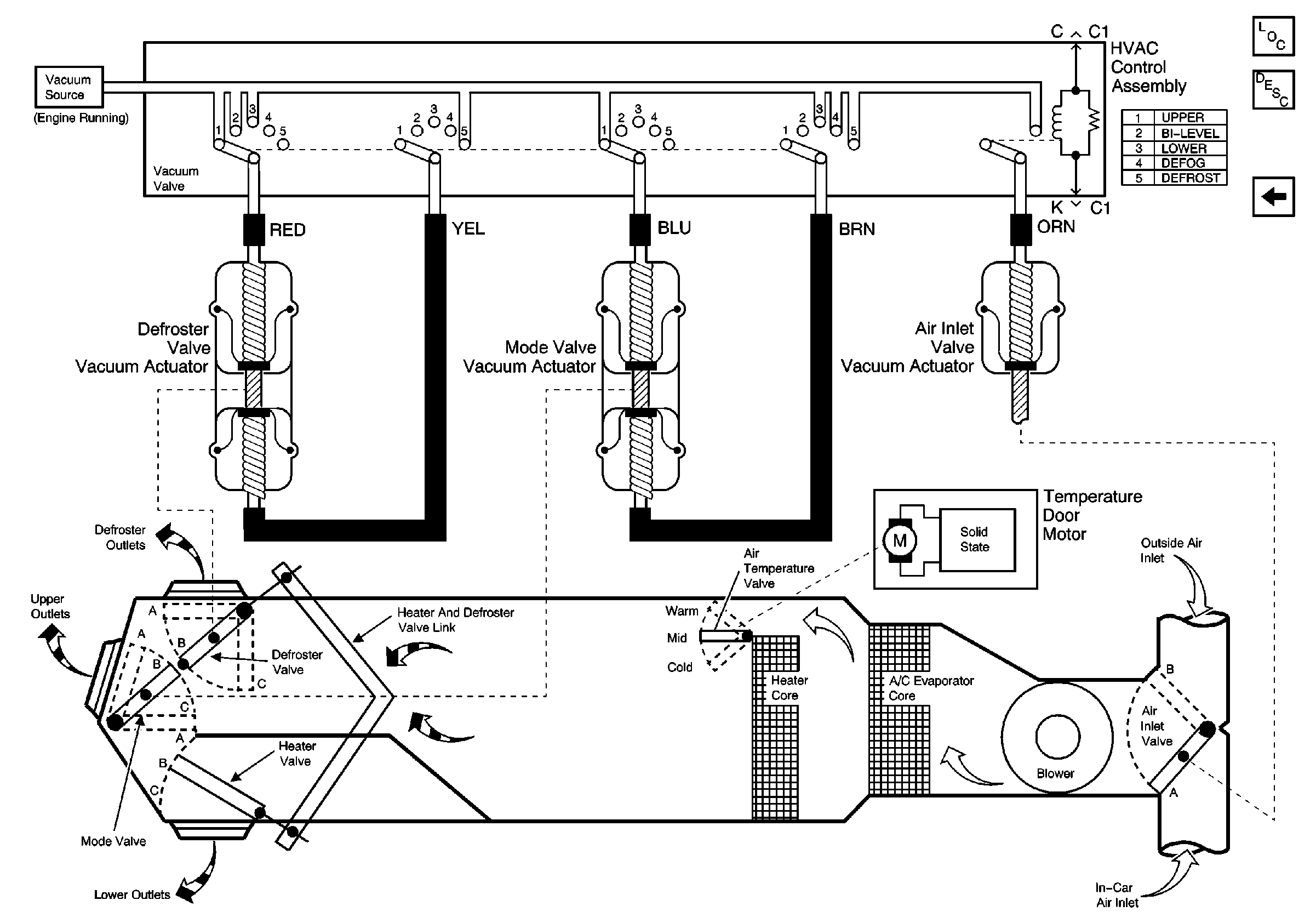
Figure
1:
Air Delivery System
HVAC Components
Vacuum Routing
Power Distribution Schematics
Ground Distribution Schematics
Ground Distribution Schematics
Ground Distribution Schematics
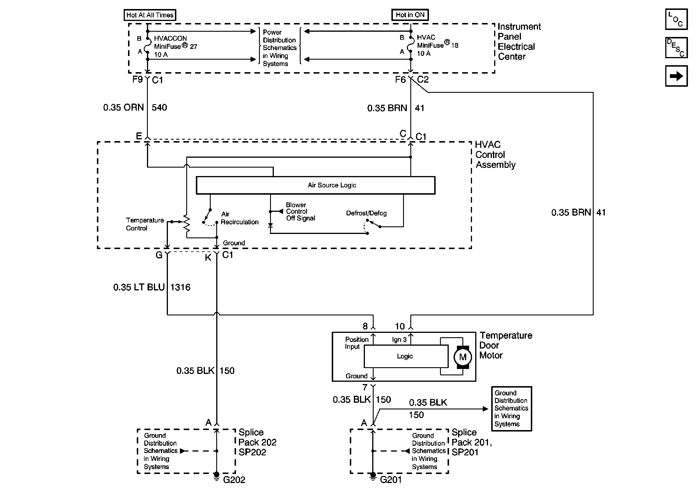
Temperature Control Motor Circuit Description
Figure
2:
Vacuum Routing
HVAC Components
Operating Modes
Air Delivery System