GM Service Manual Online
For 1990-2009 cars only
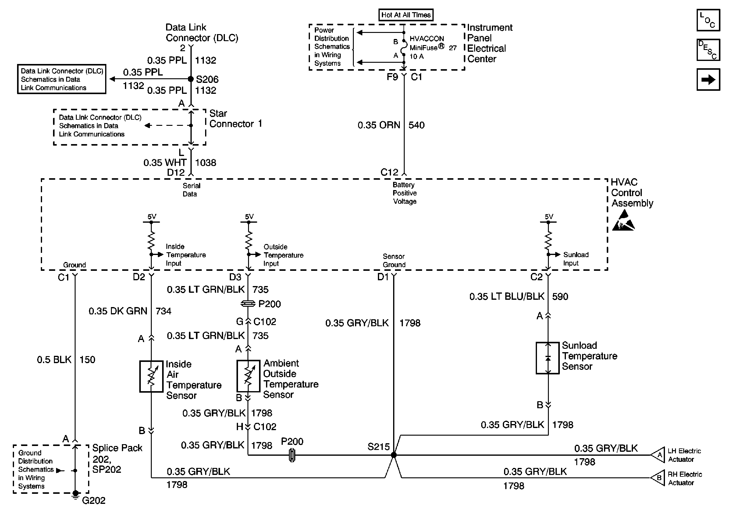
Figure 1:

Power, Ground and DLC


Object Number: 586872  Size: FS
HVAC Components
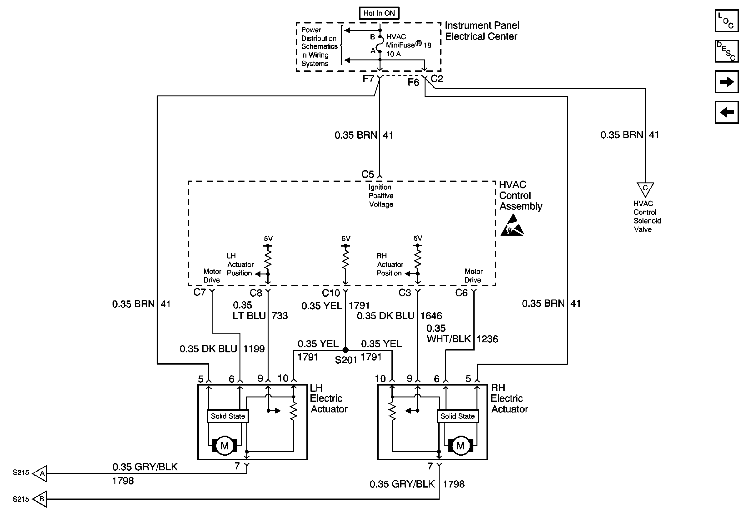
Actuator Control
Power Distribution Schematics
Ground Distribution Schematics
Data Link Connector Schematics
Data Link Connector Schematics
Handling ESD Sensitive Parts Notice
Actuator Control
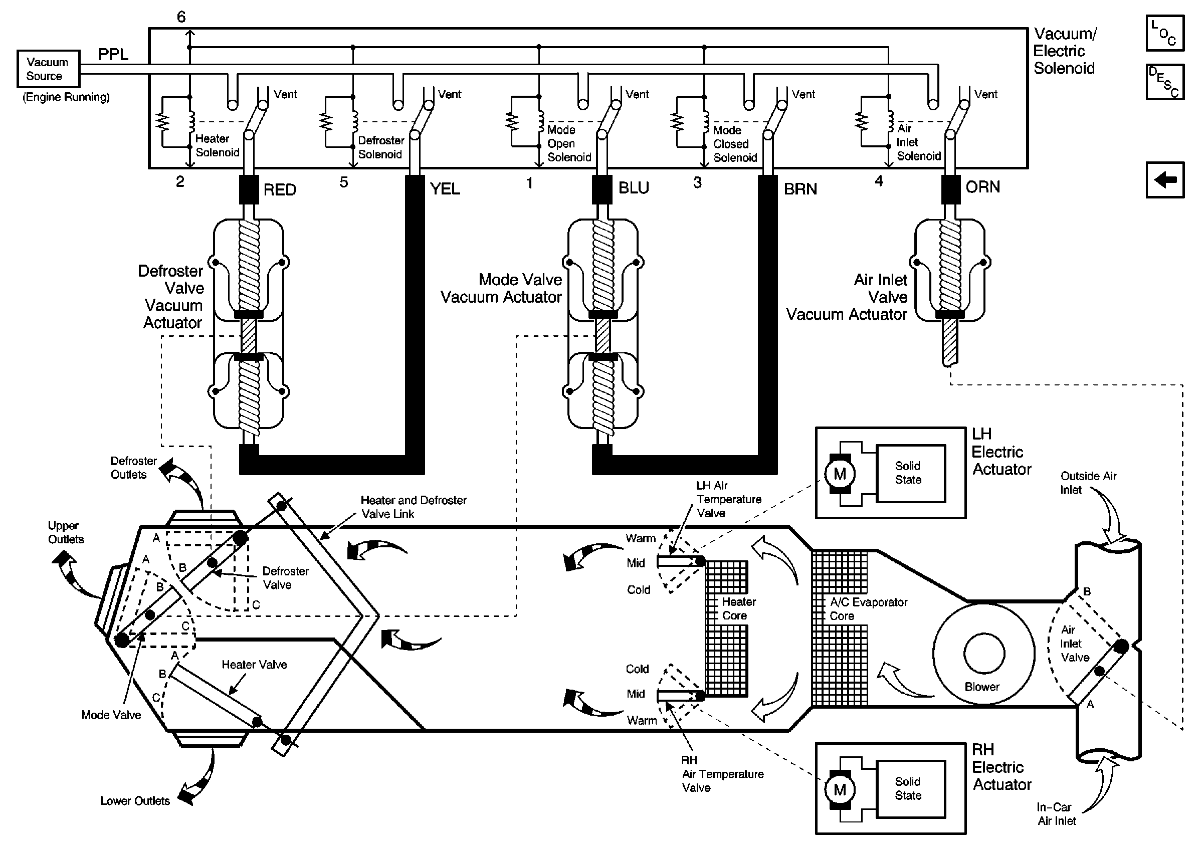
Figure 2:

Actuator Control


Object Number: 586876  Size: FS
HVAC Components
Solenoid Control
Power, Ground and DLC
Power Distribution Schematics
Handling ESD Sensitive Parts Notice
Solenoid Control
Power, Ground and DLC
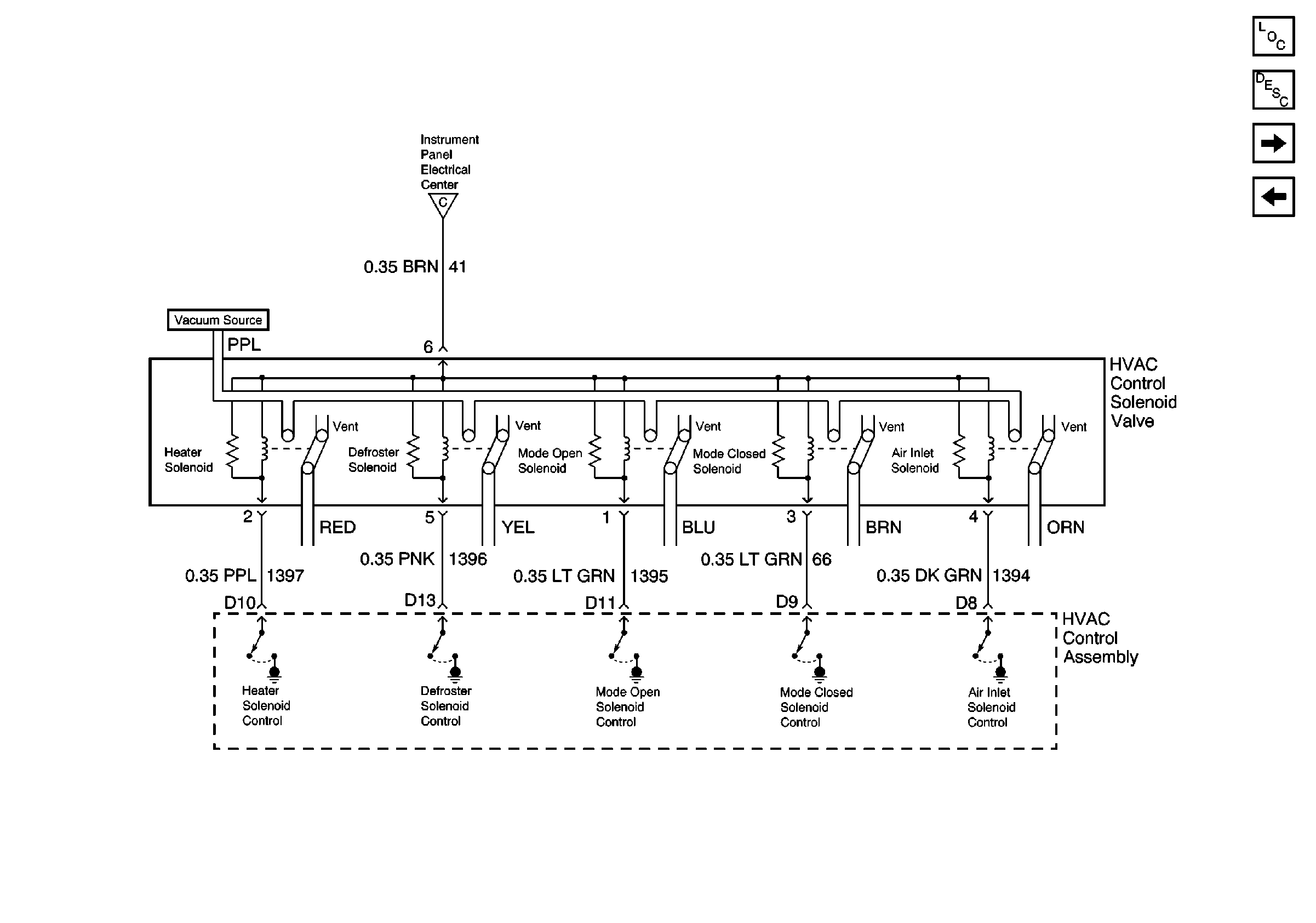
Figure 3:

Solenoid Control


Object Number: 586878  Size: FS
HVAC Components
Vacuum Routing
Actuator Control
Actuator Control
Figure 4:

Vacuum Routing


Object Number: 586880  Size: FS
HVAC Components
Solenoid Control