GM Service Manual Online
For 1990-2009 cars only
Makes
🢒
Chevrolet
🢒
2000
🢒
Corvette
🢒
Body and Accessories
🢒
Body Control System
🢒 Keyless Entry Schematics
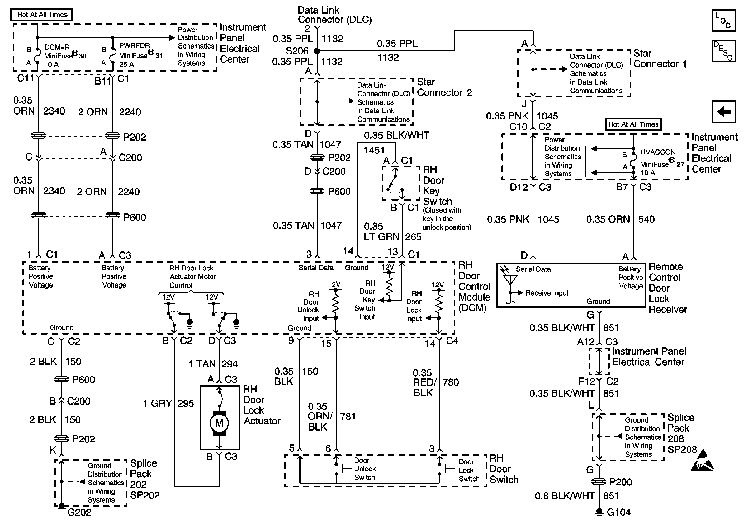
Figure
1:
LH Door Control Module
Keyless Entry Components
Keyless Entry System Description
RH Door Control Module
Power Distribution Schematics
Power Distribution Schematics
Ground Distribution Schematics
Ground Distribution Schematics
Data Link Connector Schematics
Data Link Connector Schematics
Handling ESD Sensitive Parts Notice
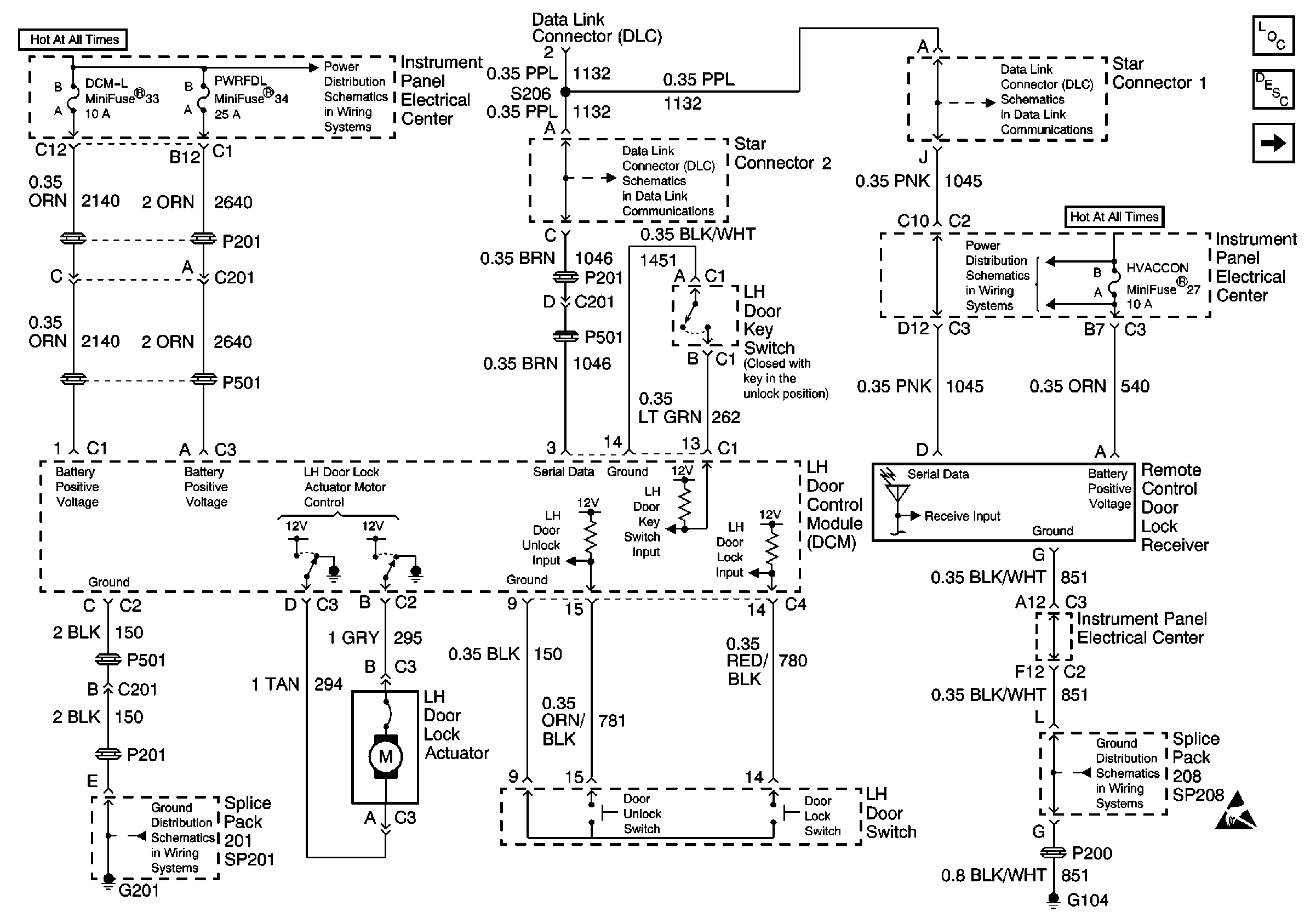
Figure
2:
RH Door Control Module
Keyless Entry Components
Keyless Entry System Description
LH Door Control Module
Power Distribution Schematics
Power Distribution Schematics
Ground Distribution Schematics
Ground Distribution Schematics
Data Link Connector Schematics
Data Link Connector Schematics
Handling ESD Sensitive Parts Notice