GM Service Manual Online
For 1990-2009 cars only
Makes
🢒
Chevrolet
🢒
2000
🢒
Corvette
🢒
Body and Accessories
🢒
Theft Deterrent
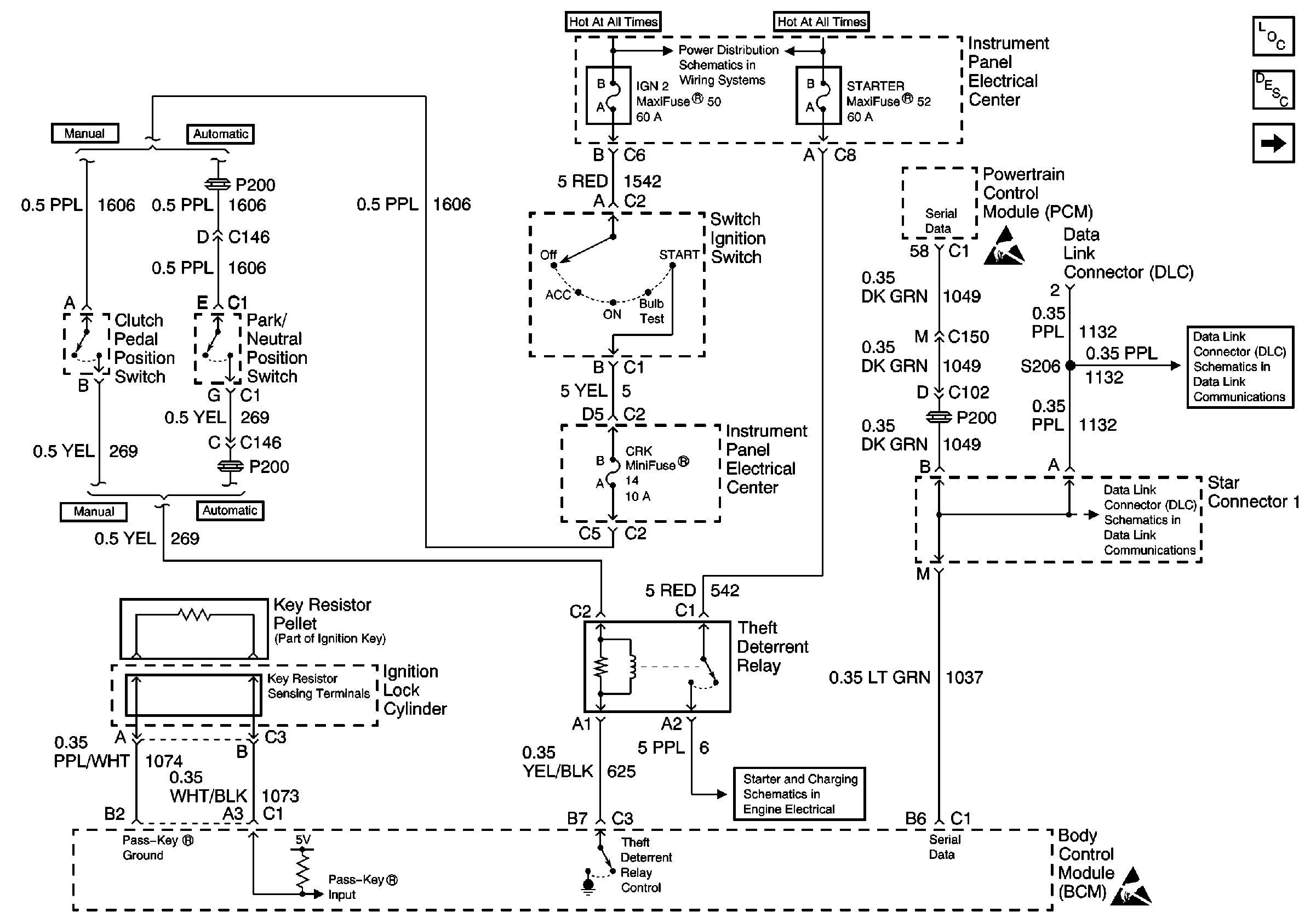
🢒 Theft Deterrent System Schematics
Figure
1:
Theft Deterrent Relay and Key Input Systems
Theft Deterrent System Components
Theft Deterrent System Description
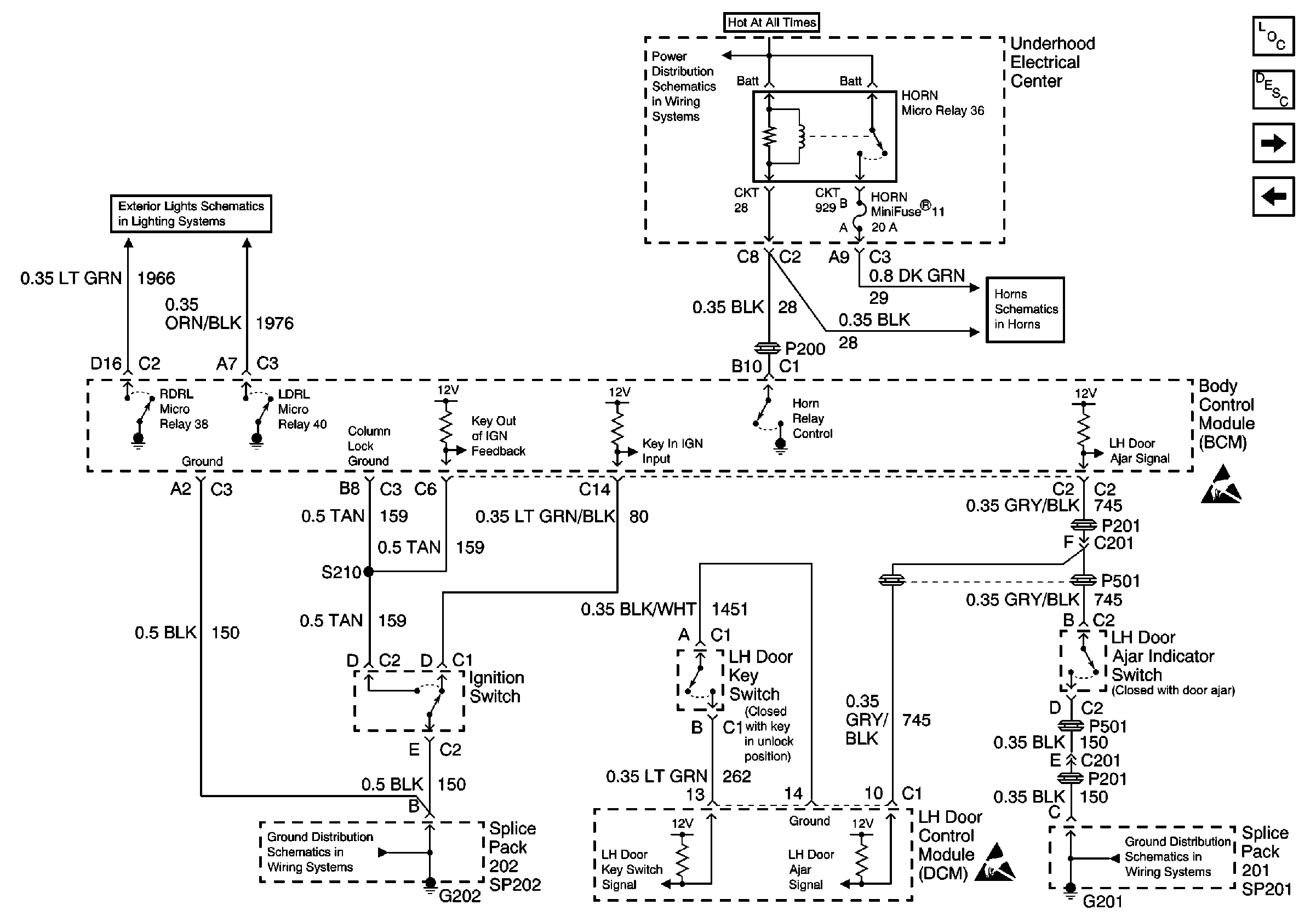
Horn Control and LH Door Ajar Input
Power Distribution Schematics
Data Link Connector Schematics
Data Link Connector Schematics
Starting and Charging Schematics
Handling ESD Sensitive Parts Notice
Handling ESD Sensitive Parts Notice
Figure
2:
Horn Control and LH Door Ajar Input
Theft Deterrent System Components
Theft Deterrent System Description
RH Door Ajar Input
Theft Deterrent Relay and Key Input Systems
Power Distribution Schematics
Ground Distribution Schematics
Ground Distribution Schematics
Exterior Lights Schematics
Horn Schematics
Handling ESD Sensitive Parts Notice
Handling ESD Sensitive Parts Notice
Figure
3:
RH Door Ajar Input
Theft Deterrent System Components
Theft Deterrent System Description
Horn Control and LH Door Ajar Input
Power Distribution Schematics
Power Distribution Schematics
Ground Distribution Schematics
Backup Lamp Schematics
Handling ESD Sensitive Parts Notice
Handling ESD Sensitive Parts Notice