GM Service Manual Online
For 1990-2009 cars only
Makes
🢒
Chevrolet
🢒
2000
🢒
Corvette
🢒
Body and Accessories
🢒
Cruise Control
🢒 Cruise Control Schematics
Figure
1:
Cruise Control Switch
Cruise Control Components
Power and Ground
Power Distribution Schematics
Handling ESD Sensitive Parts Notice
Handling ESD Sensitive Parts Notice
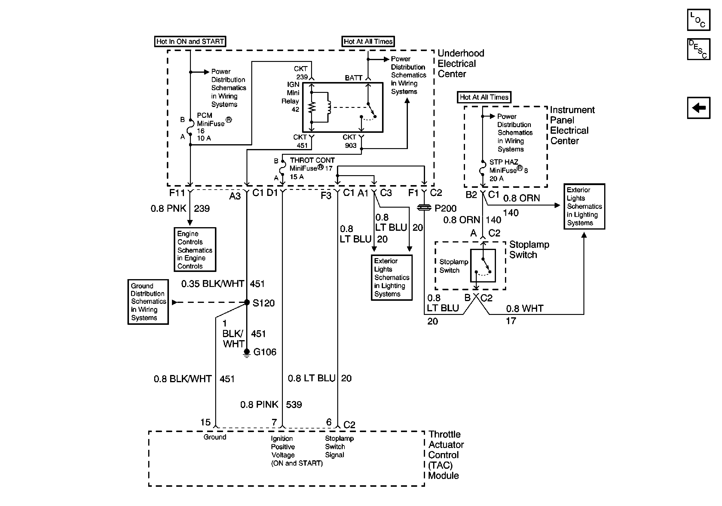
Figure
2:
Power and Ground
Cruise Control Components
Cruise Control System Circuit Description
Cruise Control Switch
Power Distribution Schematics
Power Distribution Schematics
Power Distribution Schematics
Ground Distribution Schematics
Exterior Lights Schematics
Exterior Lights Schematics
Engine Controls Schematics