GM Service Manual Online
For 1990-2009 cars only
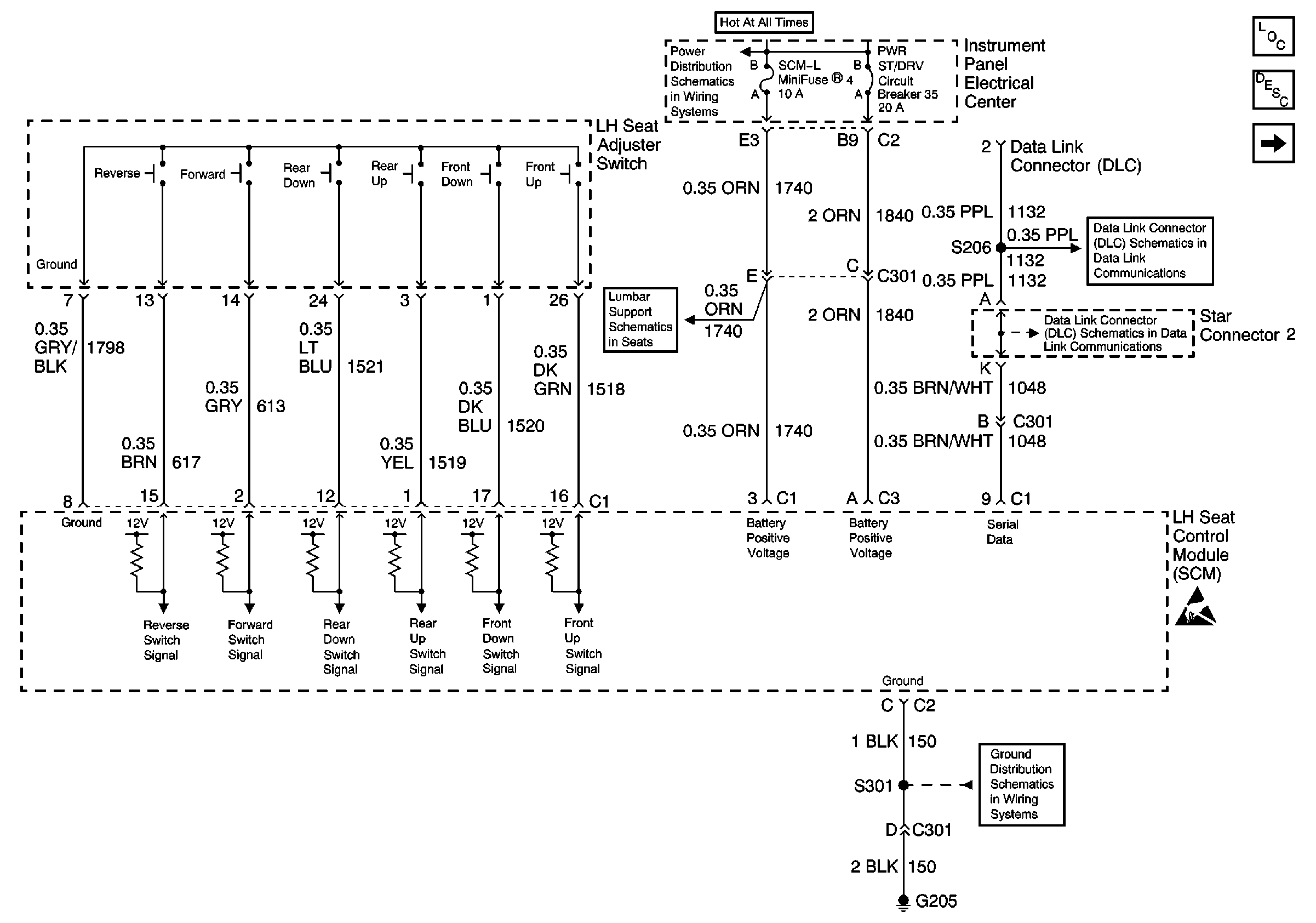
Figure 1:

Power, Ground and DLC


Object Number: 587129  Size: FS
Power Seat Systems Components
Power Seats Description
LH Seat Control Module
Power Distribution Schematics
Ground Distribution Schematics
Data Link Connector Schematics
Data Link Connector Schematics
Lumbar Support Schematics
Handling ESD Sensitive Parts Notice
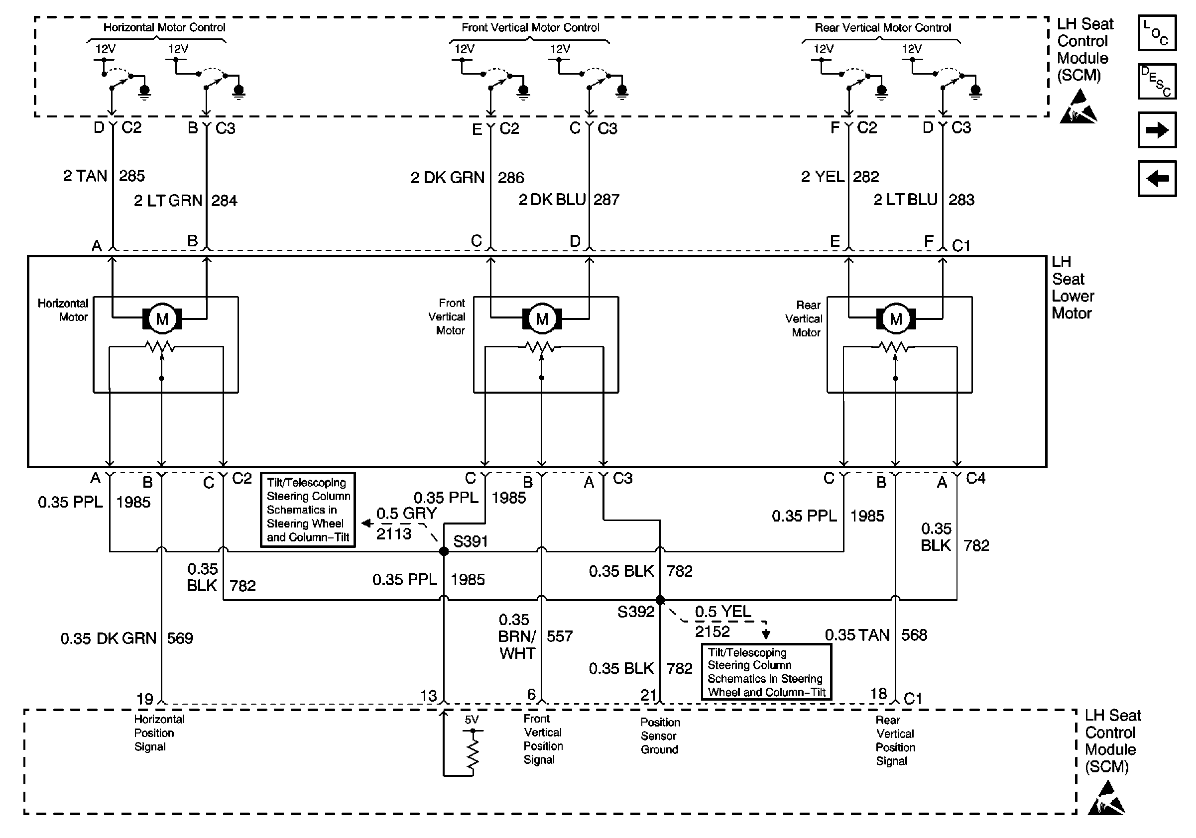
Figure 2:

LH Seat Control Module


Object Number: 587133  Size: FS
Power Seat Systems Components
Memory Seat Circuit Description
LH Seat Control Module W/Telescoping Steering Column
Power, Ground and DLC
Tilt/Telescoping Steering Column Schematics
Tilt/Telescoping Steering Column Schematics
Handling ESD Sensitive Parts Notice
Handling ESD Sensitive Parts Notice
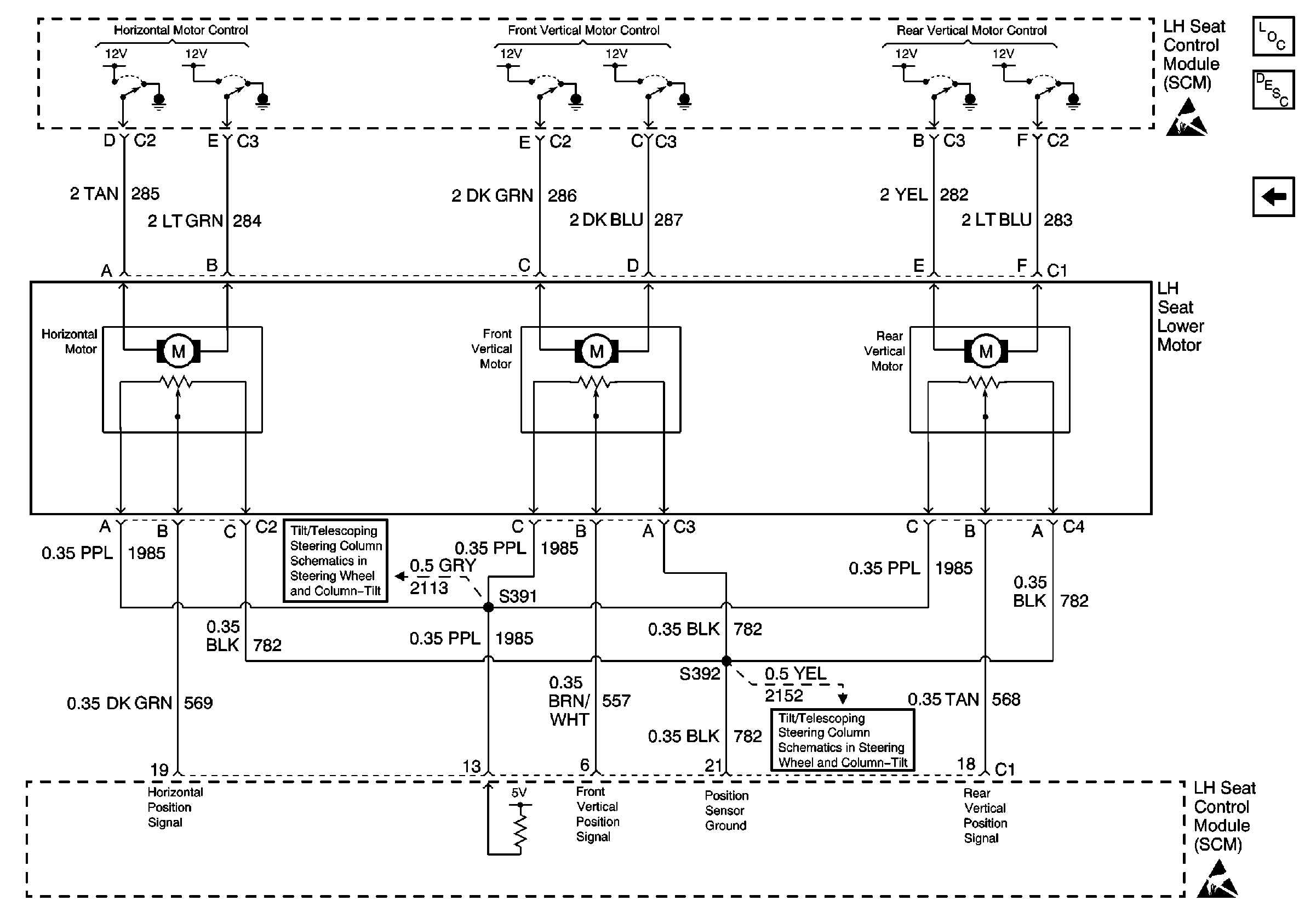
Figure 3:

LH Seat Control Module W/Telescoping Steering Column


Object Number: 587136  Size: FS
Power Seat Systems Components
Memory Seat Circuit Description
LH Seat Control Module
Tilt/Telescoping Steering Column Schematics
Tilt/Telescoping Steering Column Schematics
Handling ESD Sensitive Parts Notice
Handling ESD Sensitive Parts Notice