GM Service Manual Online
For 1990-2009 cars only
Makes
🢒
Chevrolet
🢒
2000
🢒
Corvette
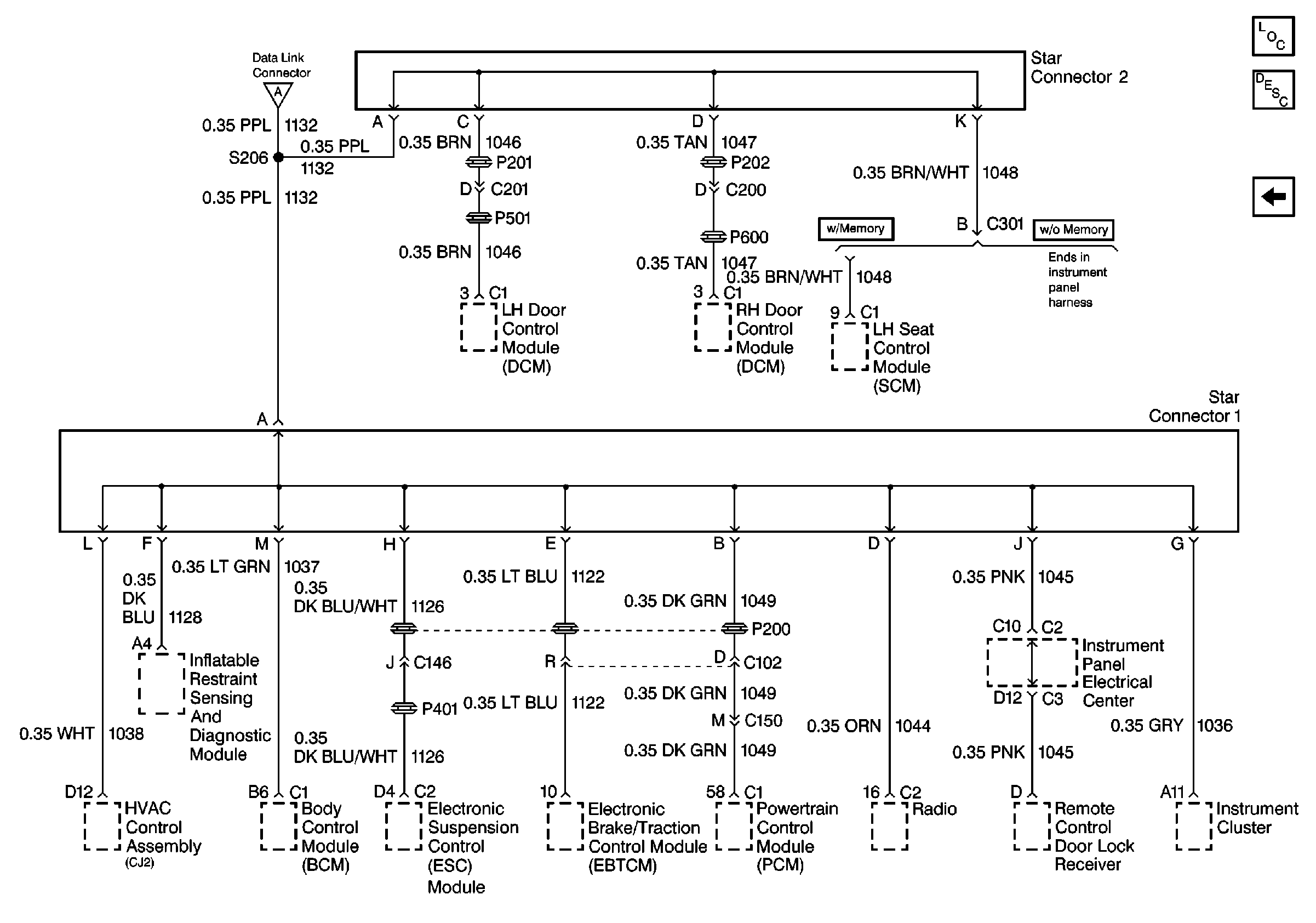
🢒 Class 2 Serial Data Cell 50
Class 2 Serial Data Cell 50
Class 2 Serial Data Cell 50
Data Link Communications Components
Data Link Communications Description
Power And Ground Cell 50
Power And Ground Cell 50