GM Service Manual Online
For 1990-2009 cars only
Makes
🢒
Chevrolet
🢒
2000
🢒
Corvette
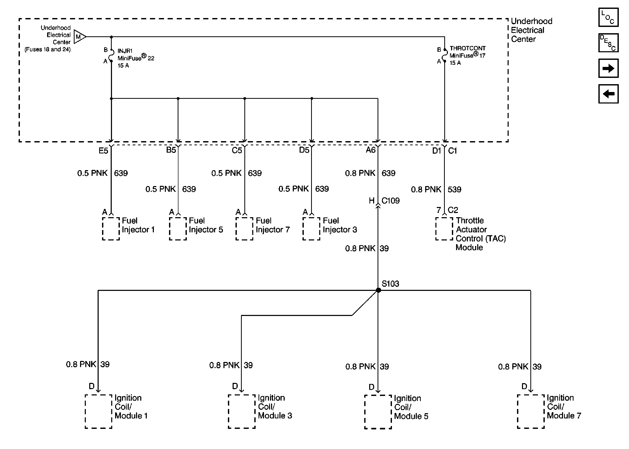
🢒 Cell 10: U/H Fuses 22, 17
Cell 10: U/H Fuses 22, 17
Cell 10: U/H Fuses 22, 17
Power and Grounding Components
Cell 10: U/H Fuses 10, 12, 9, 8
Cell 10: U/H Fuses 18, 24, Relay 34
Cell 10: U/H Fuses 18, 24, Relay 34