GM Service Manual Online
For 1990-2009 cars only
Makes
🢒
Chevrolet
🢒
2000
🢒
Corvette
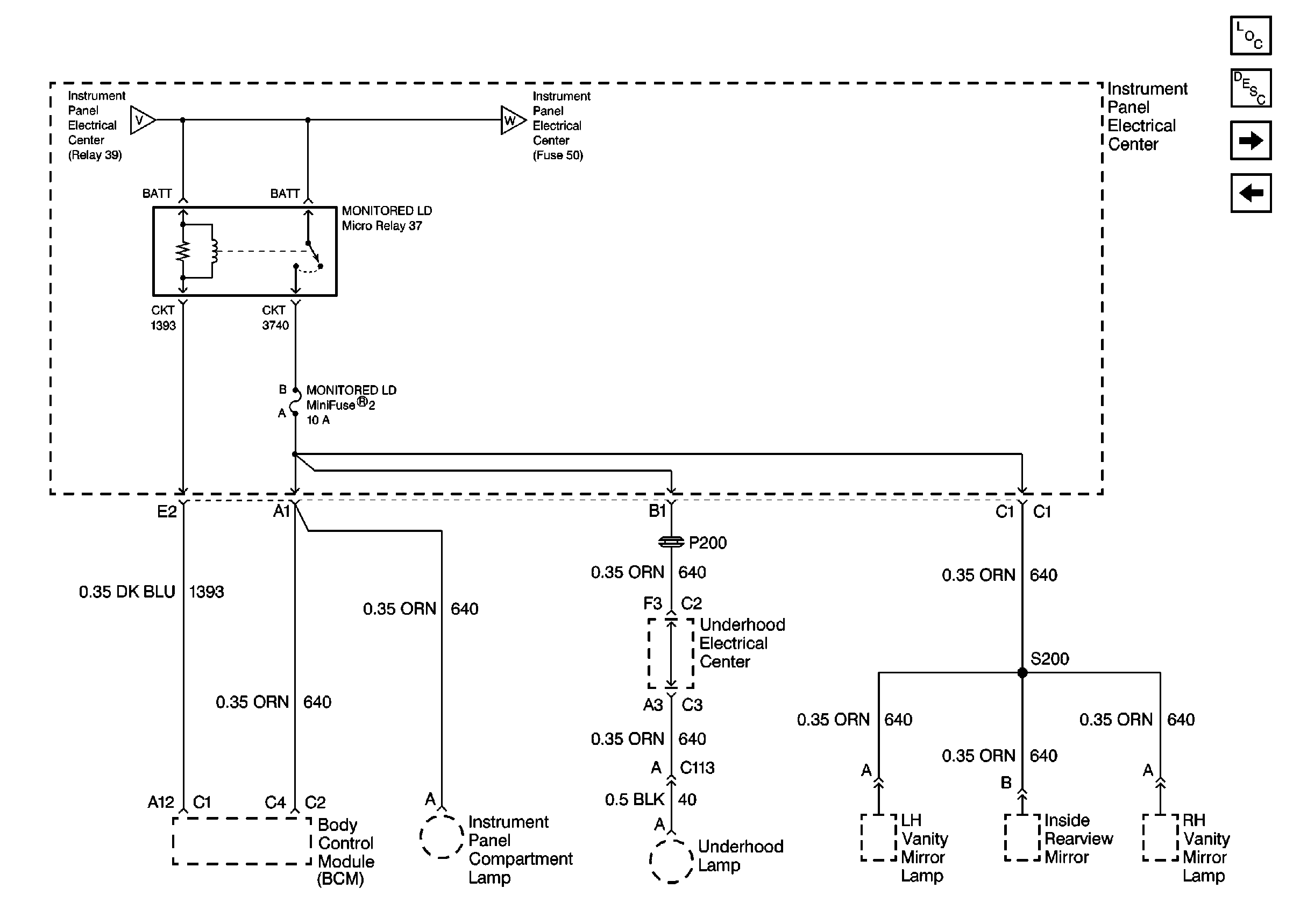
🢒 Cell 10: I/P Fuse 2, Relay 37
Cell 10: I/P Fuse 2, Relay 37
Cell 10: I/P Fuse 2, Relay 37
Power and Grounding Components
Cell 10: I/P Fuses 52, 6, Relays 43, 44, Circuit Breaker 54
Cell 10: I/P Fuses 32, 26, Relay 39
Cell 10: I/P Fuses 52, 6, Relays 43, 44, Circuit Breaker 54
Cell 10: I/P Fuses 32, 26, Relay 39