GM Service Manual Online
For 1990-2009 cars only
Makes
🢒
Chevrolet
🢒
2000
🢒
Corvette
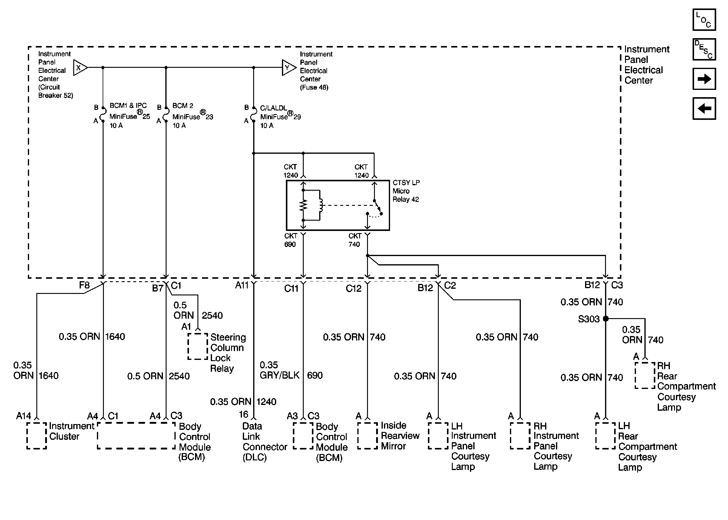
🢒 Cell 10: I/P Fuses 25, 23, 29, Relay 42
Cell 10: I/P Fuses 25, 23, 29, Relay 42
Cell 10: I/P Fuses 25, 23, 29, Relay 42
Power and Grounding Components
Cell 10: I/P Fuses 50, 47, Ignition Switch
Cell 10: I/P Fuses 52, 6, Relays 43, 44, Circuit Breaker 54
Cell 10: I/P Fuses 50, 47, Ignition Switch
Cell 10: I/P Fuses 52, 6, Relays 43, 44, Circuit Breaker 54