GM Service Manual Online
For 1990-2009 cars only
Makes
🢒
Chevrolet
🢒
2000
🢒
Corvette
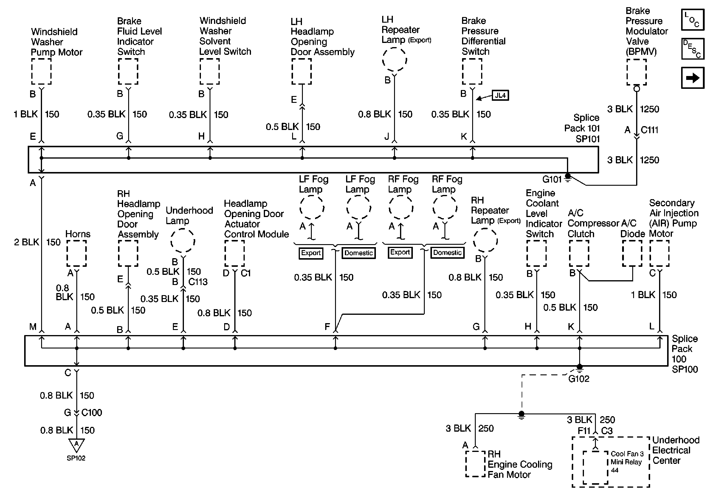
🢒 Cell 14: SP101, SP100, G101, G102
Cell 14: SP101, SP100, G101, G102
Cell 14: SP101, SP100, G101, G102
Power and Grounding Components
Cell 14: SP102, SP208, G104
Cell 14: SP102, SP208, G104