GM Service Manual Online
For 1990-2009 cars only
Makes
🢒
Chevrolet
🢒
2000
🢒
Corvette
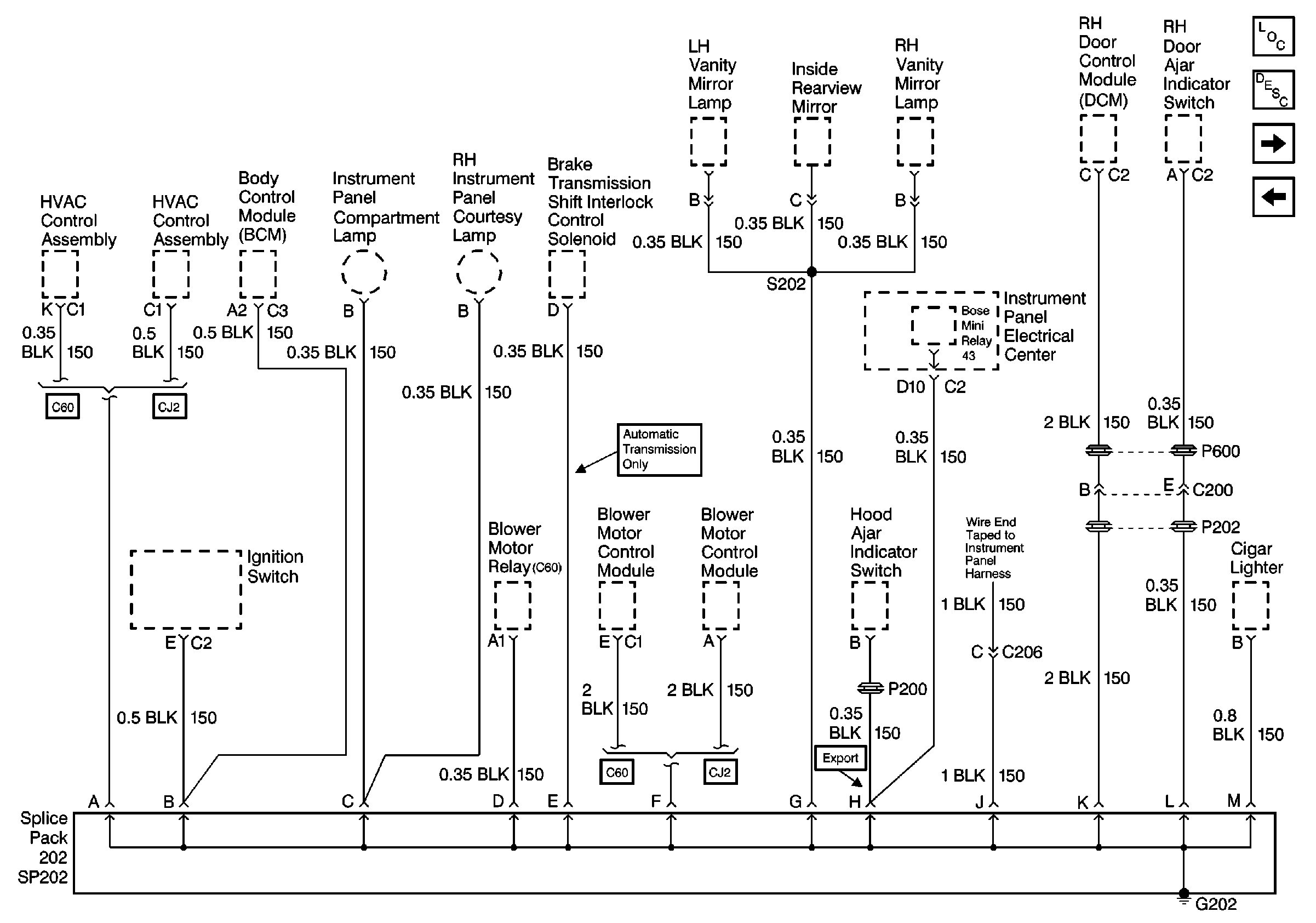
🢒 Cell 14: SP202, G202
Cell 14: SP202, G202
Cell 14: SP202, G202
Power and Grounding Components
Cell 14: G205
Cell 14: SP201, SP203, G201