GM Service Manual Online
For 1990-2009 cars only
Makes
🢒
Chevrolet
🢒
2000
🢒
Corvette
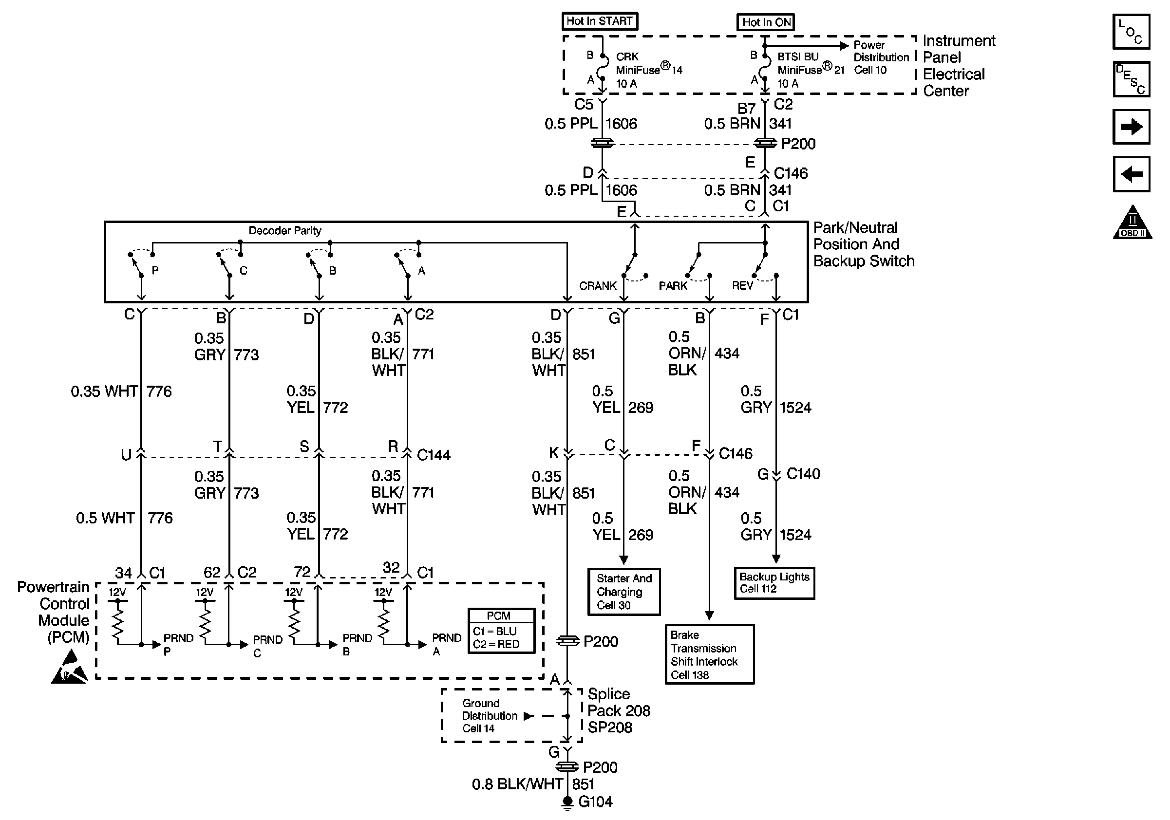
🢒 Cell 20: Park Neutral Position Switch
Cell 20: Park Neutral Position Switch
Cell 20: Park Neutral Position Switch