GM Service Manual Online
For 1990-2009 cars only
Makes
🢒
Chevrolet
🢒
2000
🢒
Corvette
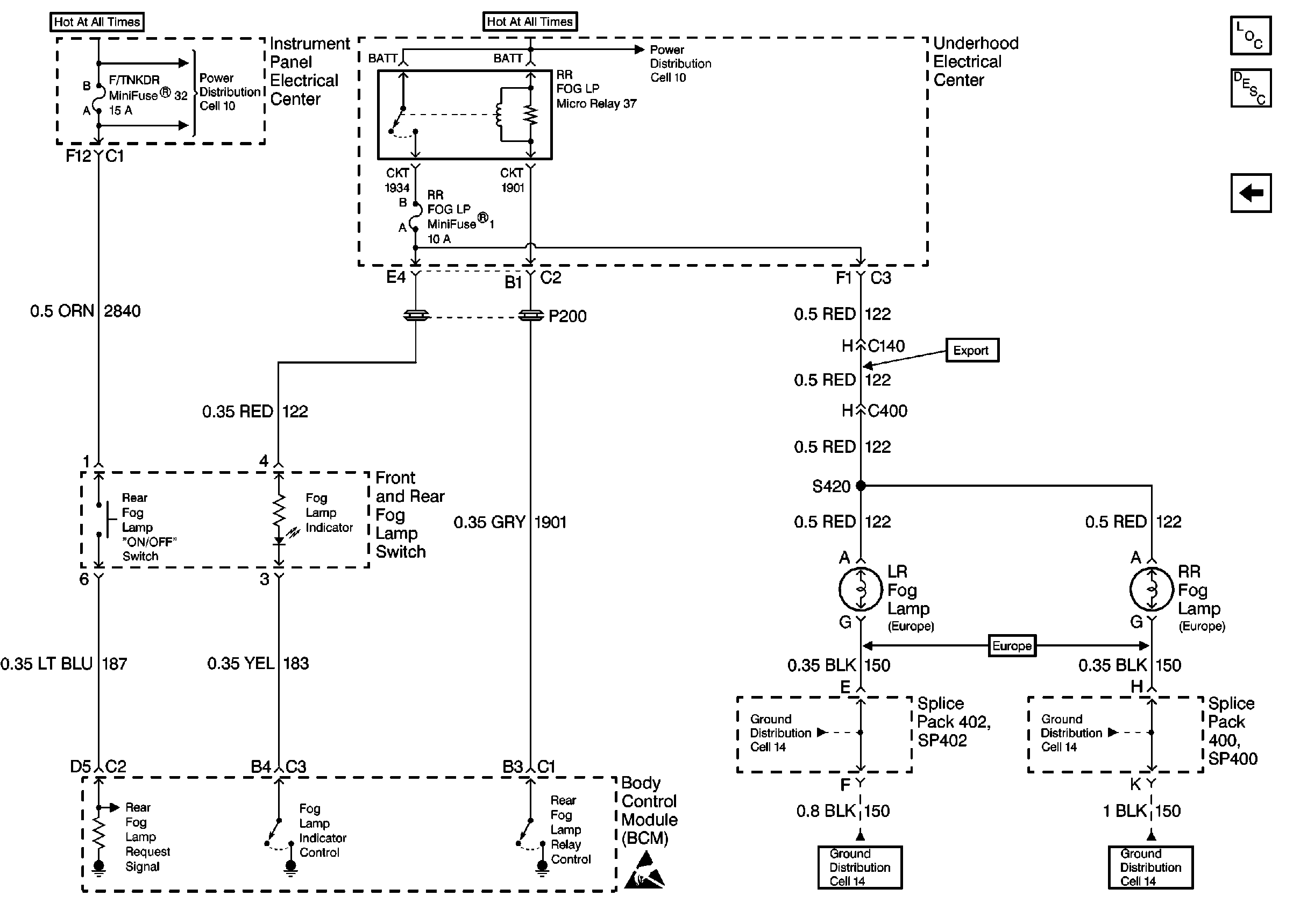
🢒 Cell 103: Rear Fog Lamps
Cell 103: Rear Fog Lamps
Cell 103: Rear Fog Lamps
Lighting Systems Components
Fog Lights Circuit Description
Cell 103: Front Fog Lamps
Cell 14: SP400, G401
Cell 14: SP400, G401
Cell 14: SP402 (Japan)
Cell 14: SP402 (Japan)
Handling ESD Sensitive Parts Notice
Cell 10: I/P Fuses 32, 26, Relay 39
Cell 10: U/H Fuses 49, 11, 6, 2, Relays 45, 36, 39, 38