GM Service Manual Online
For 1990-2009 cars only
Makes
🢒
Chevrolet
🢒
2000
🢒
Corvette
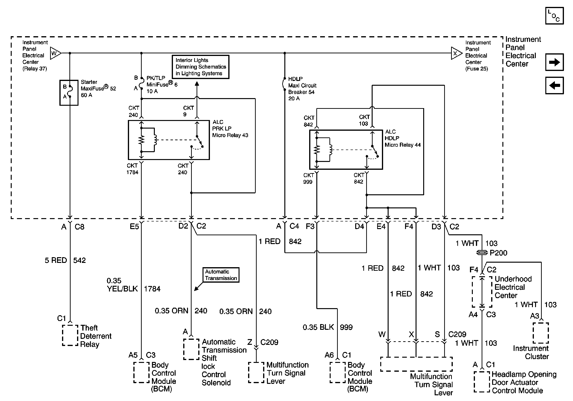
🢒 I/P Fuses 52, 6, Relays 43, 44, Circuit Breaker 54
I/P Fuses 52, 6, Relays 43, 44, Circuit Breaker 54
I/P Fuses 52, 6, Relays 43, 44, Circuit Breaker 54
Power and Grounding Components
I/P Fuses 25, 23, 29, Relay 42
I/P Fuse 2, Relay 37
Interior Lights Dimming Schematics
I/P Fuse 2, Relay 37
I/P Fuses 25, 23, 29, Relay 42