GM Service Manual Online
For 1990-2009 cars only
Makes
🢒
Chevrolet
🢒
2000
🢒
Corvette
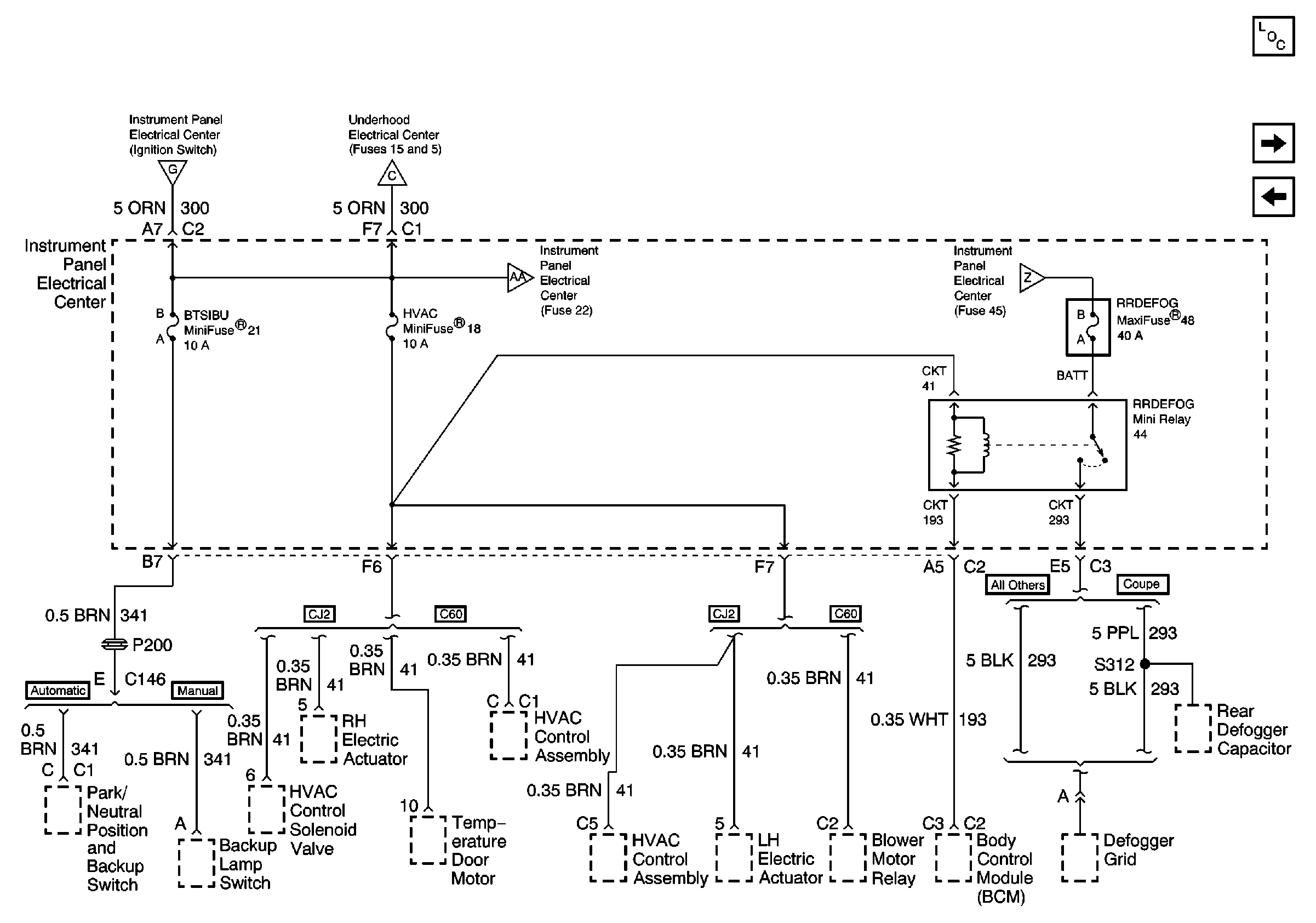
🢒 I/P Fuses 21, 18, 48, Relay 44
I/P Fuses 21, 18, 48, Relay 44
I/P Fuses 21, 18, 48, Relay 44
Power and Grounding Components
I/P Fuses 10, 9, 11
I/P Fuses 50, 47, Ignition Switch
I/P Fuses 50, 47, Ignition Switch
U/H Fuses 1, 15, 5, Relay 37
I/P Fuses 22, 14
I/P Fuses 50, 47, Ignition Switch