GM Service Manual Online
For 1990-2009 cars only
Makes
🢒
Chevrolet
🢒
2000
🢒
Corvette
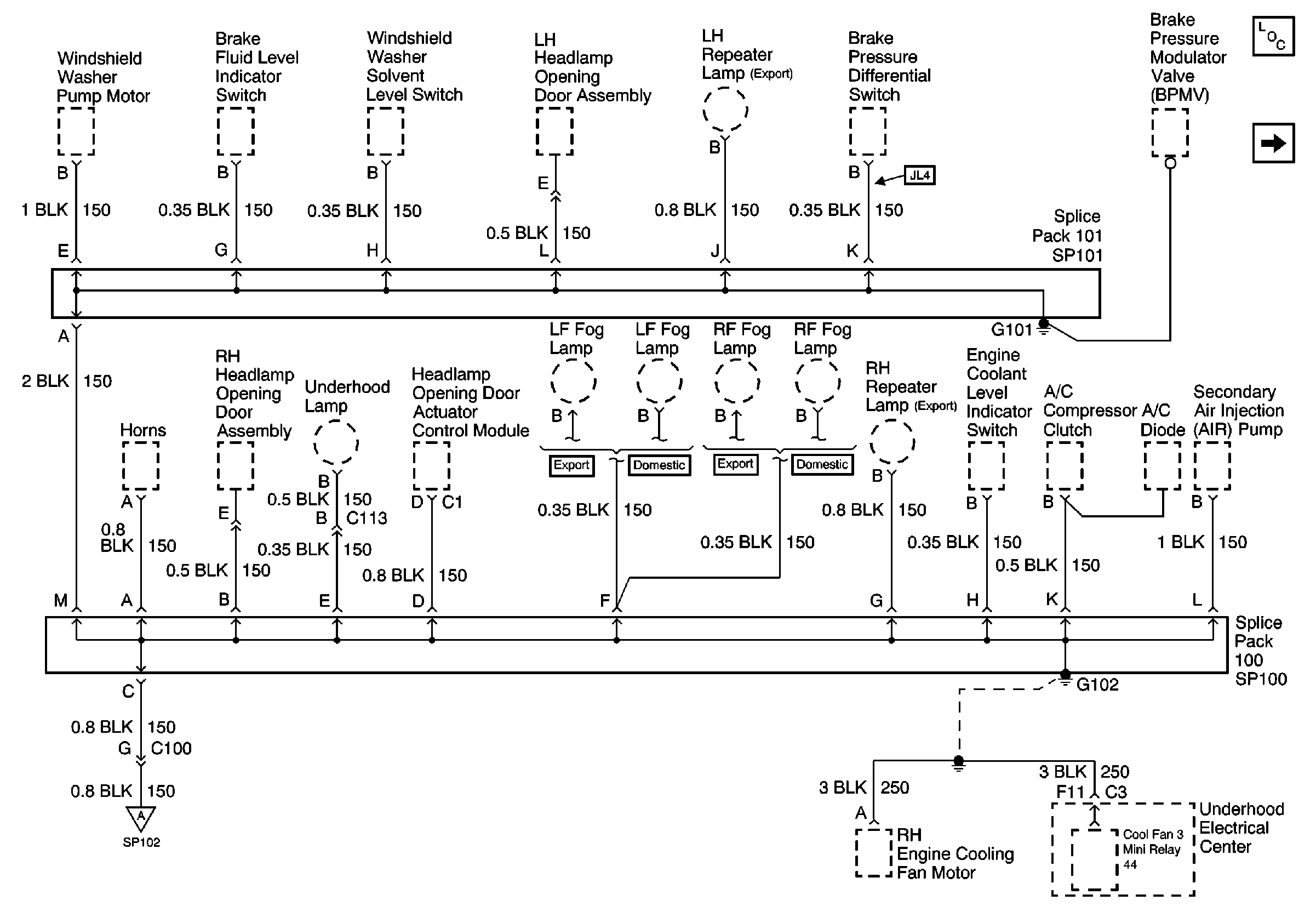
🢒 SP101, SP100, G101, G102
SP101, SP100, G101, G102
SP101, SP100, G101, G102
Power and Grounding Components
SP102, SP208, G104
SP102, SP208, G104