GM Service Manual Online
For 1990-2009 cars only
Makes
🢒
Chevrolet
🢒
2000
🢒
Corvette
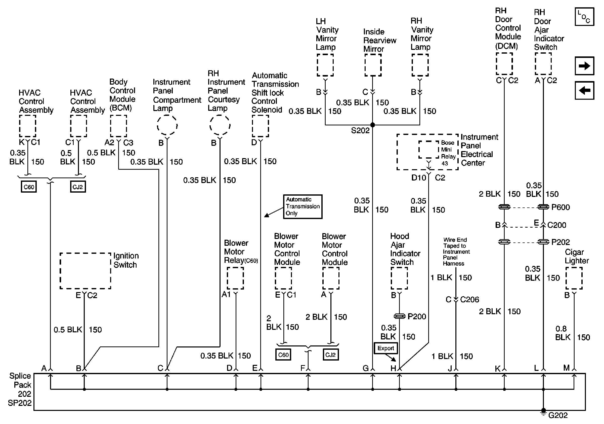
🢒 SP202, G202
SP202, G202
SP202, G202
Power and Grounding Components
G205
SP201, SP203, G201