GM Service Manual Online
For 1990-2009 cars only
Makes
🢒
Chevrolet
🢒
2000
🢒
Corvette
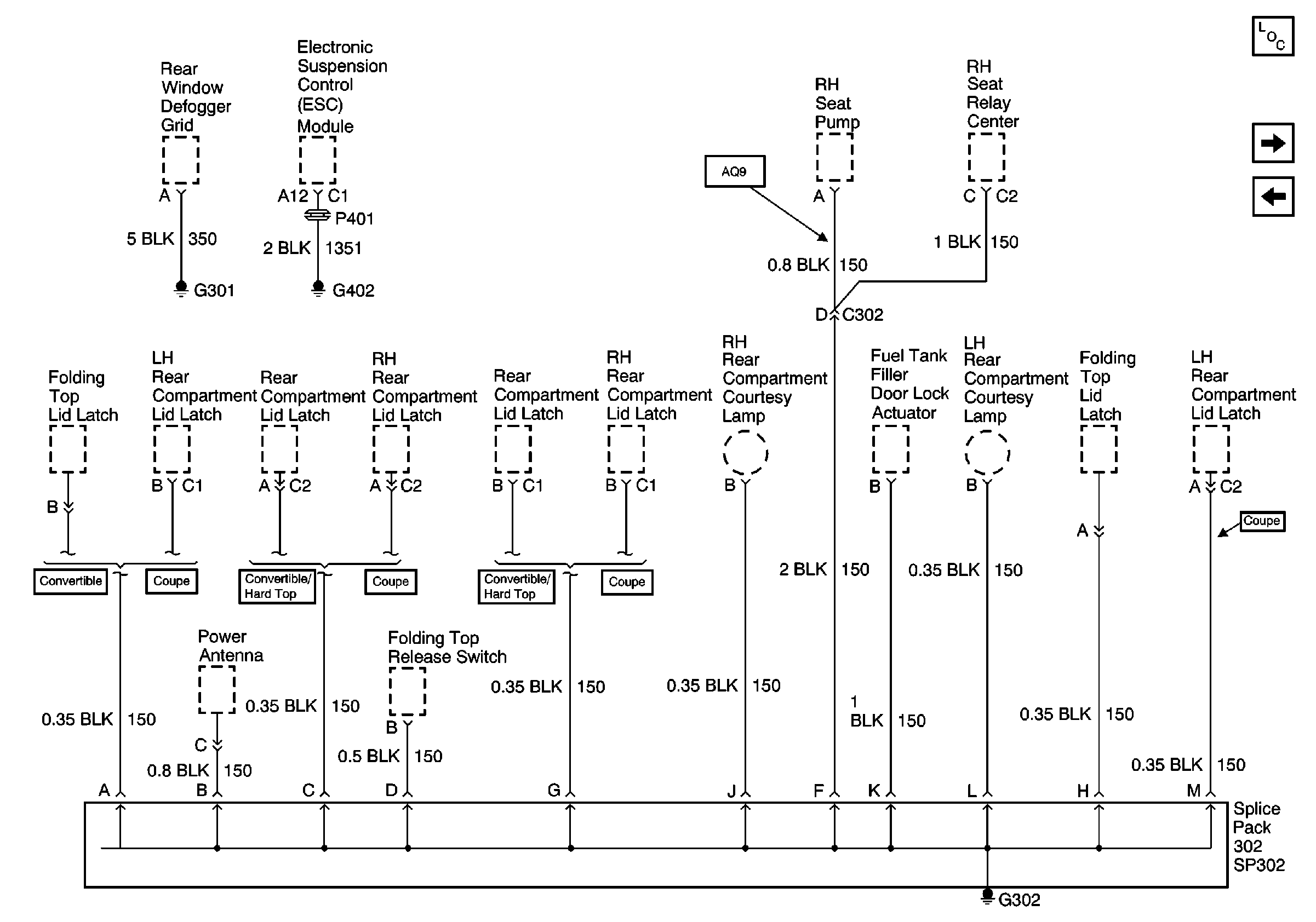
🢒 SP302, G302
SP302, G302
SP302, G302
Power and Grounding Components
SP400, G401
G205