GM Service Manual Online
For 1990-2009 cars only
Makes
🢒
Chevrolet
🢒
2000
🢒
Corvette
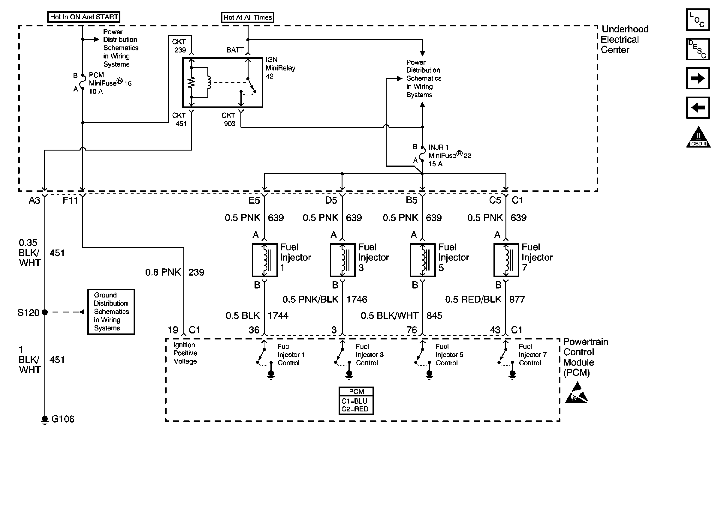
🢒 Fuel Injectors 1, 3, 5 and 7
Fuel Injectors 1, 3, 5 and 7
Fuel Injectors 1, 3, 5 and 7
Engine Controls Components
Cruise Control Switch
Fuel Injectors 2, 4, 6 and 8
OBD II Symbol Description Notice
Power Distribution Schematics
Power Distribution Schematics
Ground Distribution Schematics
Handling ESD Sensitive Parts Notice