GM Service Manual Online
For 1990-2009 cars only
Makes
🢒
Chevrolet
🢒
2000
🢒
Corvette
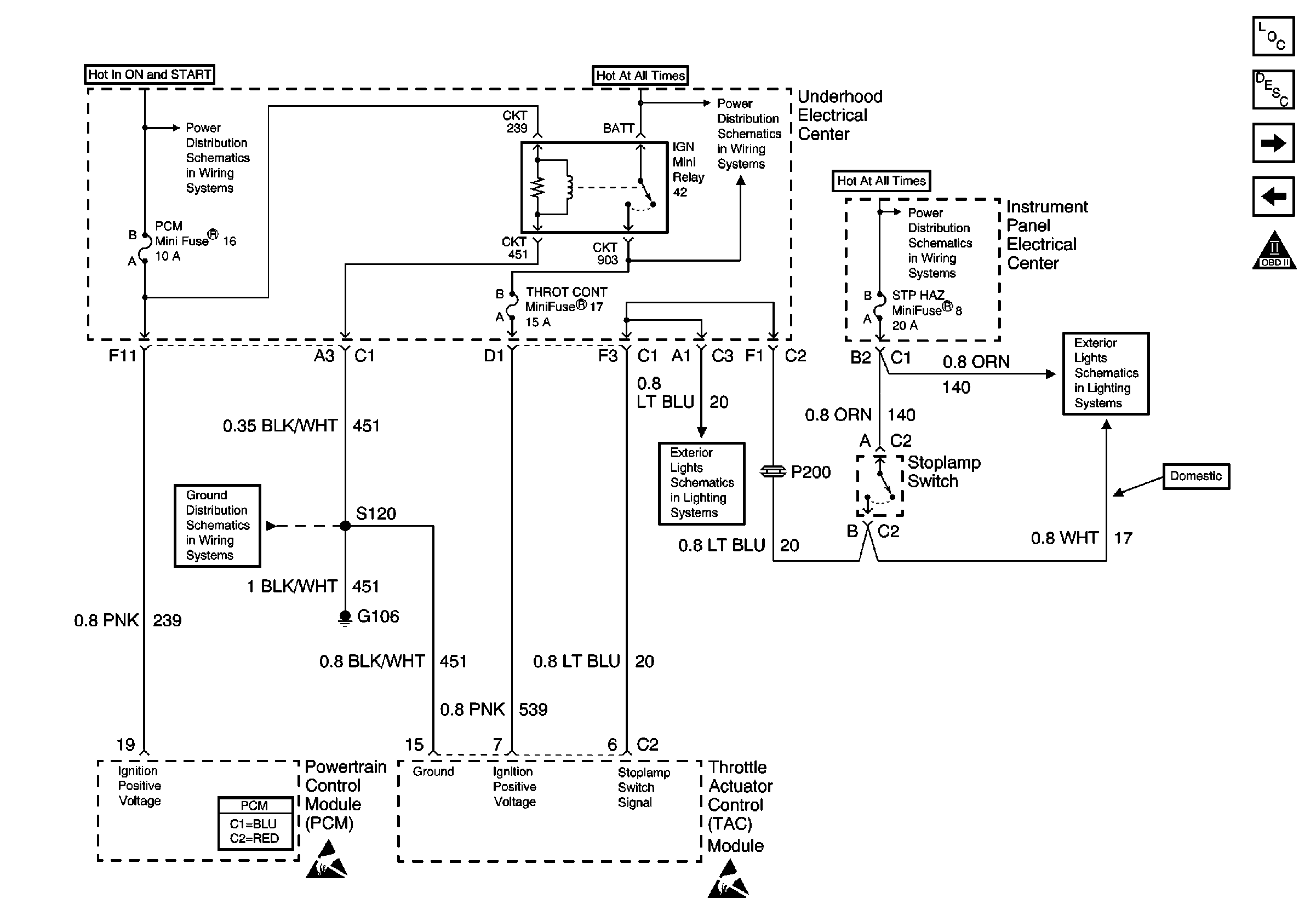
🢒 Stop Lamp Switch
Stop Lamp Switch
Stop Lamp Switch
Engine Controls Components
TP and APP Sensors
Cruise Control Switch
OBD II Symbol Description Notice
Handling ESD Sensitive Parts Notice
Handling ESD Sensitive Parts Notice
Power Distribution Schematics
Power Distribution Schematics
Power Distribution Schematics
Ground Distribution Schematics
Exterior Lights Schematics
Exterior Lights Schematics