GM Service Manual Online
For 1990-2009 cars only
Makes
🢒
Chevrolet
🢒
2000
🢒
Corvette
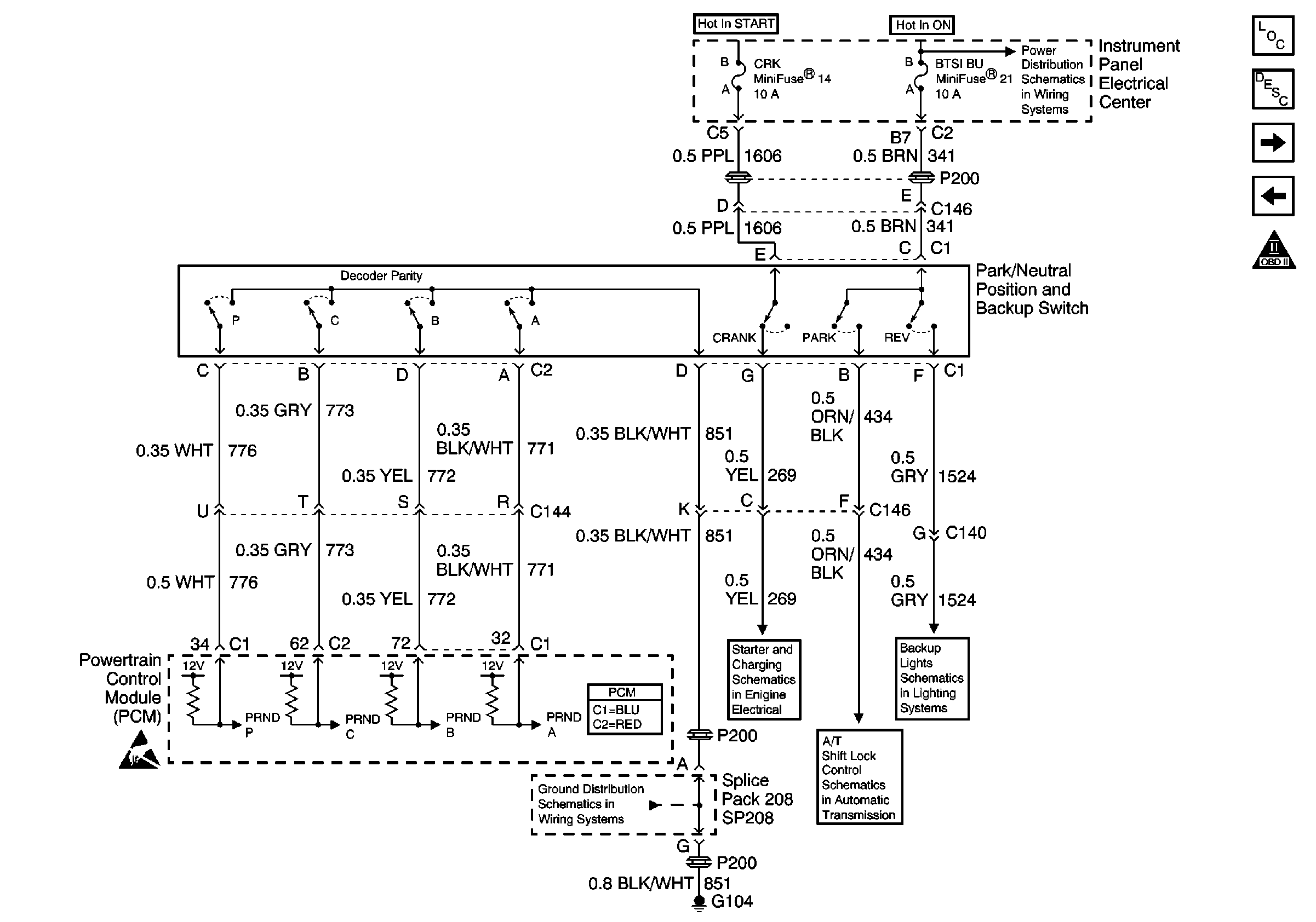
🢒 Park Neutral Position and Backup Switch
Park Neutral Position and Backup Switch
Park Neutral Position and Backup Switch
Engine Controls Components
Miscellaneous
Automatic Transmission Controls and VSS Output
OBD II Symbol Description Notice
Handling ESD Sensitive Parts Notice
Power Distribution Schematics
Ground Distribution Schematics
Starting and Charging Schematics
Shift Lock Control Schematics
Backup Lamp Schematics