GM Service Manual Online
For 1990-2009 cars only
Makes
🢒
Chevrolet
🢒
2000
🢒
Corvette
🢒 Engine Cooling Fans
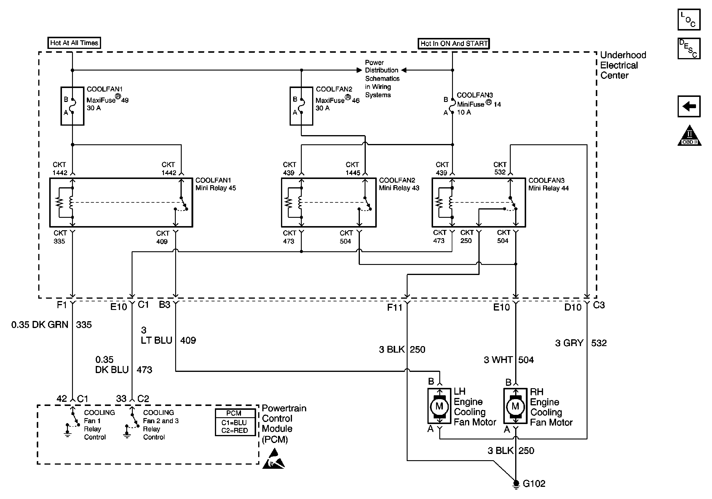
Engine Cooling Fans
Engine Cooling Fans
Engine Controls Components
A/C Compressor Controls
OBD II Symbol Description Notice
Power Distribution Schematics
Handling ESD Sensitive Parts Notice