GM Service Manual Online
For 1990-2009 cars only
Makes
🢒
Chevrolet
🢒
2000
🢒
Corvette
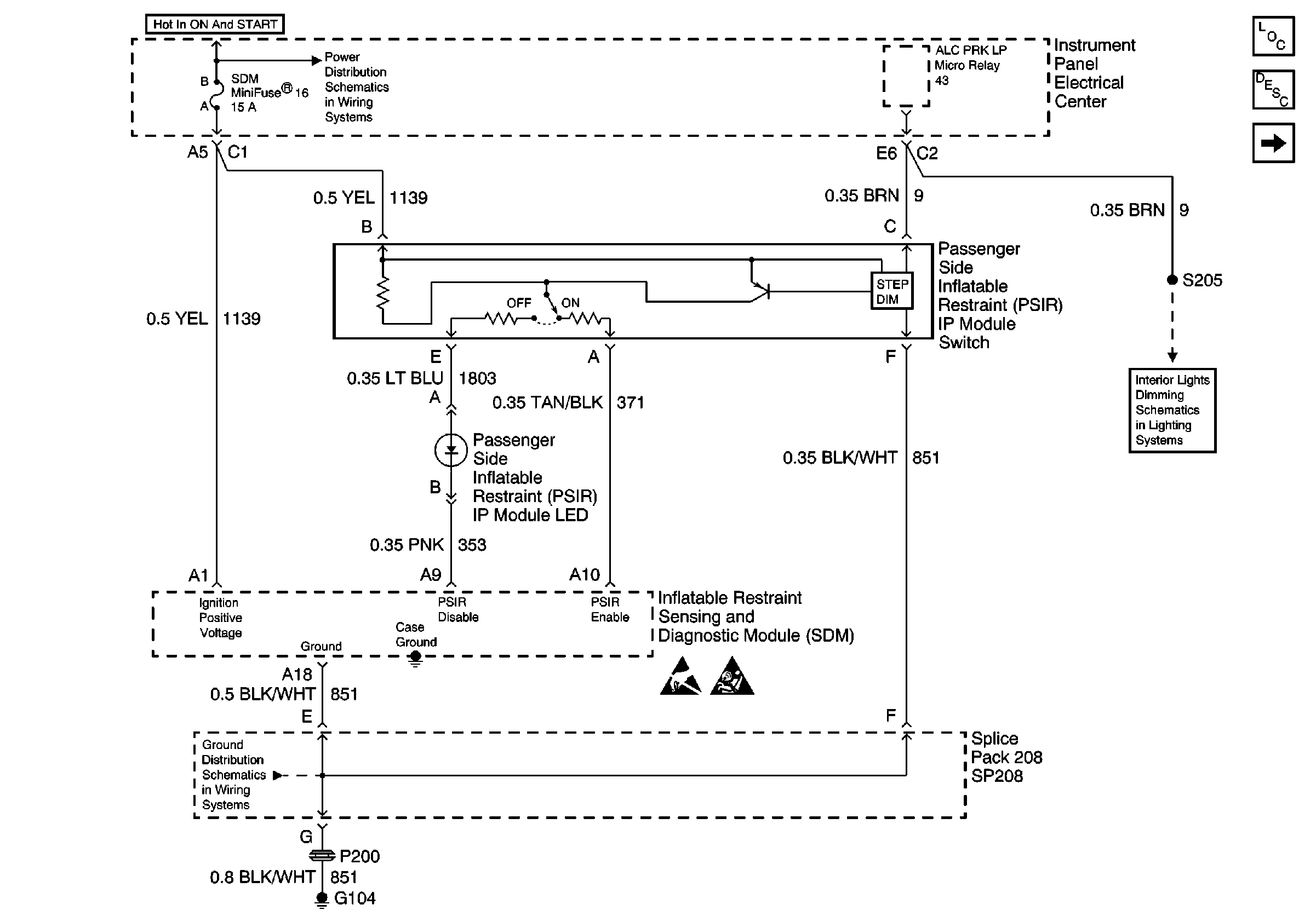
🢒 Passenger Side Inflatable Restraint (PSIR) IP Module Switch
Passenger Side Inflatable Restraint (PSIR) IP Module Switch
Passenger Side Inflatable Restraint (PSIR) IP Module Switch
SIR Components
SIR System Component Description and Definitions
Instrument Cluster and Data Link Connector (DLC)
ALC PRK LP Relay
I/P Fuses 15, 16, 13, 20, 19
SP102, SP208, G104
SIR Handling Caution
Handling ESD Sensitive Parts Notice
SIR Handling Caution
Handling ESD Sensitive Parts Notice
SIR Handling Caution
Handling ESD Sensitive Parts Notice
SIR Handling Caution