GM Service Manual Online
For 1990-2009 cars only

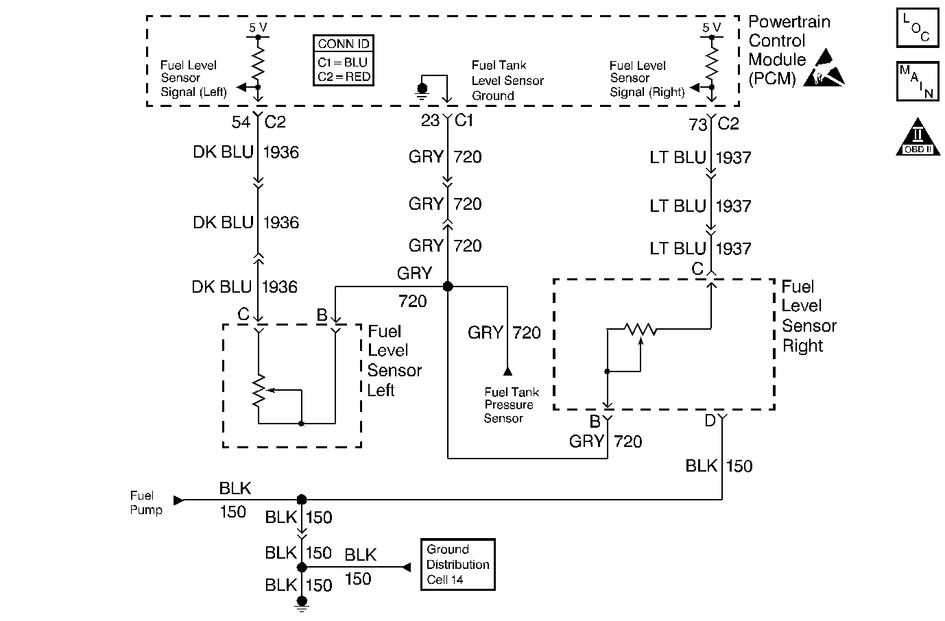
Object Number: 383786  Size: MF
Engine Controls Component Views
Fuel Pump, Fuel Level Sensors and Fuel Tank Pressure Sensor
OBD II Symbol Description Notice
Handling ESD Sensitive Parts Notice

Circuit Description

The left fuel level sensor, mounted in the rear side of the left fuel tank, measures fuel level changes within the left fuel tank. The left fuel level sensor changes resistance based on fuel level. The fuel level sensor has a signal circuit and a ground circuit. The PCM applies a voltage (about 5.0 volts) on the signal circuit to the sensor. The PCM monitors changes in this voltage caused by changes in the resistance of the sensor to determine fuel level.

When the fuel tank is full, the sensor resistance is high, and the PCM senses high signal voltage. When the fuel tank is empty, the sensor resistance is low, and the PCM senses a low signal voltage.

The PCM uses inputs from the fuel level sensor to calculate the total fuel remaining in the fuel tanks. This information is then sent to the fuel gauge via the class 2 circuit.

When the PCM senses a signal voltage lower than the normal operating range of the sensor, this DTC sets.

The following is a description on how the fuel pump/system functions: An electric high pressure fuel pump attaches to the fuel sender assembly inside the left fuel tank. The in-tank fuel pump supplies pressurized fuel through an in pipe fuel filter/pressure regulator assembly to the fuel rail. The fuel pressure supplied by the in-tank fuel pump exceeds the fuel injectors required pressure. The pressure regulator, which is part of the fuel filter assembly, regulates the fuel pressure supplied to the fuel injectors. Excess fuel returns from the fuel filter/pressure regulator, through a separate fuel return pipe, to the left fuel tank. The fuel pump delivers a constant flow of fuel to the engine even during low fuel conditions and aggressive vehicle maneuvers. The PCM controls the electric fuel pump operation through a fuel pump relay.

The left tank fuel pump also supplies a small amount of pressurized fuel to the right fuel tank siphon jet pump through the auxiliary fuel feed rear pipe. The pressurized fuel creates a venturi action inside the siphon jet pump. The venturi action causes the fuel to be drawn out of the right fuel tank. Fuel is then transferred from the right fuel tank to the left fuel tank through the auxiliary fuel return rear pipe. The fuel system is designed to maintain a greater level in the left fuel tank then in the right fuel tank when the electric fuel pump is operating. The fuel transfer rate from the left fuel tank to the right fuel tank is less than the transfer rate from the right fuel tank to the left fuel tank. Therefore, with the electric fuel pump operating, the left fuel tank level should be higher than the right fuel tank level.

The fuel level in the fuel tanks equalize when the following occur:

    • The electric fuel pump is not operating.
    • The fuel level is greater than 50 percent.

Conditions for Running the DTC

Engine Running

Conditions for Setting the DTC

    • Fuel Level Sensor voltage is above 2.9 volts
    • The above Conditions are present for 2.0 minutes.

Action Taken When the DTC Sets

    • The PCM stores the DTC information into memory when the diagnostic runs and fails.
    • The malfunction indicator lamp (MIL) will not illuminate.
    • The PCM records the operating conditions at the time the diagnostic fails. The PCM stores this information in the Failure Records.
    • The fuel gauge displays empty.
    • The driver information center (DIC) displays a message.
    • The check gauge lamp illuminates.

Conditions for Clearing the DTC

    • A last test failed, or current DTC, clears when the diagnostic runs and does not fail.
    • A history DTC will clear after 40 consecutive warm-up cycles, if no failures are reported by this or any other non-emission related diagnostic.
    • Use a scan tool in order to clear the DTC.

Diagnostic Aids

Important: 

   • Remove any debris from the PCM\TAC module connector surfaces before servicing the PCM\TAC module. Inspect the PCM\TAC module connector gaskets when diagnosing/replacing the modules. Ensure that the gaskets are installed correctly. The gaskets prevent contaminate intrusion into the PCM\TAC modules.
   • For any test that requires probing the PCM or a component harness connector, use the Connector Test Adapter Kit J 35616 . Using this kit prevents damage to the harness/component terminals. Refer to Using Connector Test Adapters in Wiring Systems.

    • Depending on the current fuel level, it may be difficult to locate a malfunctioning sending unit. The malfunction may only occur when the fuel level is full or near empty. The fuel sending unit may need to be removed for further diagnosis. A Fuel Level sensor that has an intermittent condition causes this DTC to set. Remove the Fuel Level sensor in order to test the resistance of the sensor. Refer to Fuel Sender Assembly Replacement . The resistance of the sensor should change from 40 to 250 ohms as the float arm is moved from the empty to full positions. Replace the sensor if the resistance did not change or is out of range.

       Important: When inspecting for a deformed or warped fuel tank, measure the resistance of the suspect fuel level sensor at empty, with the sensor in the fuel tank, and again with the sensor removed from the fuel tank. The measured resistance values should be same empty. If the measured resistance values are not the same, refer to Fuel Tank Replacement in Engine Controls.

    • The following occurs with this DTC set:
       - The vehicle fuel gauge displays empty.
       - The check gauge lamp illuminates.
       - The driver information center displays a message.
    • The voltages in the Fuel Level Conversion Table are approximate values. Use this table to aid in diagnosis.

Fuel Level Conversion Table

Approximate Values

Fuel Level

Left Tank voltage

Right Tank Voltage

100 %

2.5 V

2.5 V

75 %

2.5 V

1.5 V

50 %

2.5 V

Less than 1.0 V

25 %

1.7 V

Less than 1.0 V

0 %

Less than 1.0 V

Less than 1.0 V

For an intermittent, refer to Symptoms .

Test Description

The numbers below refer to the step numbers on the Diagnostic Table.

  1. If DTC P1635 and P1639 sets at the same time, this indicates that the signal circuit is shorted to a voltage.

  2. This step determines if the fault is present.

  3. The fuel level sensor may only fail in a certain range. If you determine the condition is intermittent, inquire with the customer when the concern occurred. The concern may only happen when the vehicle is re-fueled or when the fuel level is close to empty.

    Using the Freeze Frame and/or Failure Records data may aid in locating an intermittent condition. If you cannot duplicate the DTC, the information included in the Freeze Frame and/or Failure Records data can help determine how many miles since the DTC set. The Fail Counter and Pass Counter can also help determine how many ignition cycles the diagnostic reported a pass and/or a fail. Operate the vehicle within the same freeze frame conditions (RPM, load, vehicle speed, temperature etc.) that you observed. This isolates when the DTC failed.

  4. If the voltage goes low, this determines the circuits and the PCM are OK.

  5. Inspect for poor connections at the PCM harness before replacing the PCM.

Step

Action

Values

Yes

No

1

Did you perform the Powertrain On-Board Diagnostic (OBD) System Check ?

--

Go to Step 2

Go to Powertrain On Board Diagnostic (OBD) System Check

2

  1. Install the scan tool.
  2. Start the engine and idle at the normal operating temperature.

Did DTC P1635 and P1639 also Fail This Ignition cycle?

--

Go to DTC P1635 5 Volt Reference 1 Circuit

Go to Step 3

3

  1. Turn ON the ignition leaving the engine OFF.
  2. Monitor the Fuel Level sensor display on the scan tool.

Is the Fuel Level sensor voltage above the specified value?

2.9V

Go to Step 5

Go to Step 4

4

  1. Turn ON the ignition leaving the engine OFF.
  2. Review the Freeze Frame and/or Failure Records data for this DTC and observe the parameters.
  3. Turn OFF the ignition for 15  seconds.
  4. Start the engine.
  5. Operate the vehicle within the conditions required for this diagnostic to run, and as close to the conditions recorded in Freeze Frame and/or Failure Records as possible. Special operating conditions that you need to meet before the PCM will run this diagnostic, where applicable, are listed in Conditions for Running the DTC.
  6. Select the Diagnostic Trouble Code (DTC) option and the Specific DTC option, then enter the DTC number using the scan tool.

Does the scan tool indicate that this diagnostic failed this ignition?

--

Go to Step 5

Go to Diagnostic Aids

5

  1. Turn OFF the ignition.
  2. Remove the left rear fuel tank shield.
  3. Disconnect the Fuel Level sensor connector.
  4. Jumper the Fuel Level sensor harness terminals together.
  5. Turn ON the ignition leaving the engine OFF.
  6. Observe the Fuel Level sensor display on the scan tool.

Is the Fuel Level sensor voltage below the specified value?

2.9V

Go to Step 8

Go to Step 6

6

Jumper the Fuel Level sensor signal circuit to a known good ground.

Is the Fuel Level sensor voltage below the specified value?

2.9V

Go to Step 9

Go to Step 7

7

  1. Turn OFF the ignition.
  2. Disconnect the PCM connector C2 located on the opposite side of the manufacturers logo. Refer to Powertrain Control Module Replacement .
  3. Inspect the Fuel Level sensor signal circuit for an open. Refer to Testing for Continuity in Wiring Systems.

Is the Fuel Level sensor signal circuit open?

--

Go to Step 12

Go to Step 15

8

  1. Turn OFF the ignition.
  2. Remove the jumper from the fuel level sensor harness connector.
  3. Disconnect the PCM connectors. Refer to Powertrain Control Module Replacement .
  4. Measure the resistance from the Fuel Level sensor signal circuit (at the PCM harness connector) to all other circuits at the PCM harness connectors using the DMM . Refer to Testing for Continuity in Wiring Systems.

Does the DMM display a resistance within the specified range?

0-2ohms

Go to Step 14

Go to Step 10

9

  1. Turn OFF the ignition.
  2. Disconnect the PCM connector C1 located on the same side as the manufacturers logo. Refer to Powertrain Control Module Replacement .
  3. Test the Fuel Level sensor ground circuit for an open. Refer to Testing for Continuity in Wiring Systems.

Is the Fuel Level sensor ground circuit open?

--

Go to Step 13

Go to Step 15

10

  1. Inspect for poor connections at the Fuel Level sensor harness connector. Refer to Testing for Intermittent Conditions and Poor Connections in Wiring Systems.
  2. If you find a poor connection, repair the terminal as necessary. Refer to Repairing Connector Terminals in Wiring Systems.

Did you find and correct the condition?

--

Go to Step 17

Go to Step 11

11

Replace the Fuel Level sensor. Refer to Fuel Sender Assembly Replacement .

Is the action complete?

--

Go to Step 17

--

12

Repair the open Fuel Level sensor signal circuit. Refer to Wiring Repairs in Wiring Systems.

Is the action complete?

--

Go to Step 17

--

13

Repair the open Fuel Level sensor ground circuit. Refer to Wiring Repairs in Wiring Systems.

Is the action complete?

--

Go to Step 17

--

14

Repair the circuits that are shorted together. Refer to Wiring Repairs in Wiring Systems.

Is the action complete?

--

Go to Step 17

--

15

  1. Inspect for poor connections at the PCM harness connector. Refer to Testing for Intermittent Conditions and Poor Connections in Wiring Systems.
  2. If you find a poor connection, repair the terminal as necessary. Refer to Repairing Connector Terminals in Wiring Systems.

Did you find and correct the condition?

--

Go to Step 17

Go to Step 16

16

Important: Program the replacement PCM.

Replace the PCM. Refer to Powertrain Control Module Replacement .

Is the action complete?

--

Go to Step 17

--

17

  1. Select the Diagnostic Trouble Code (DTC) option and the Clear DTC Information option using the scan tool.
  2. Start the engine and idle at the normal operating temperature.
  3. Select the Diagnostic Trouble Code (DTC) option and the Specific DTC option, then enter the DTC number using the scan tool.
  4. Operate the vehicle within the Conditions for Running the DTC as specified in the supporting text, if applicable.

Does the scan tool indicate that this test ran and passed?

--

Go to Step 18

Go to Step 2

18

Select the Capture Info option and the Review Info option using the scan tool.

Does the scan tool display any DTCs that you have not diagnosed?

--

Go to the applicable DTC

System OK