GM Service Manual Online
For 1990-2009 cars only

Removal Procedure


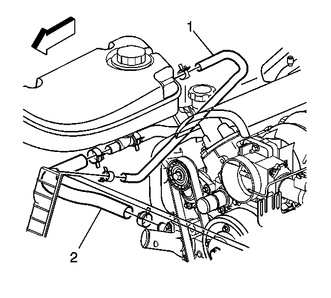
    Object Number: 672480  Size: SH
  1. Drain the cooling system. Refer to Cooling System Draining and Filling .
  2. Remove the radiator support. Refer to Radiator Support Replacement .
  3. Reposition the surge tank inlet hose clamp at the surge tank.
  4. Remove the surge tank inlet hose (1) from the surge tank.

  5. Object Number: 672481  Size: SH
  6. Reposition the surge tank inlet hose clamp at the radiator.
  7. Remove the surge tank inlet hose from the radiator.

Installation Procedure

Important: Lubricate the inside diameter of the inlet hose with clean coolant prior to hose installation.


    Object Number: 672481  Size: SH
  1. Install the surge tank inlet hose to the radiator.
  2. Position the surge tank inlet hose clamp at the radiator.

  3. Object Number: 672480  Size: SH
  4. Install the surge tank inlet hose (1) to the surge tank.
  5. Position the surge tank inlet hose clamp at the surge tank.
  6. Install the radiator support. Refer to Radiator Support Replacement .
  7. Fill the cooling system. Refer to Cooling System Draining and Filling .