GM Service Manual Online
For 1990-2009 cars only

Tools Required

    • J 25034-C Power Steering Pump Pulley Remover
    •  J 42188 Ball Joint Separator
    •  J 39580 Engine Support Table
    •  J 39580-500 Engine Support Table Top
    • J 41798 Engine Lifting Brackets
    •  J 42203 Driveline Support
    • J 36221 Hydraulic Clutch Line Separator
    • J 25033-C Power Steering Pump Pulley Installer
    • J 36660-A Torque Angle Meter

Removal Procedure

Important: The steps in the following procedure are in a specific order. Follow these steps in this order and do not ignore any details or vehicle damage may occur.


    Object Number: 651872  Size: SH
  1. Recover the air conditioning (A/C) refrigerant. Refer to Refrigerant Recovery and Recharging in Heating, Ventilation and Air Conditioning.
  2. Remove the radiator. Refer to Radiator Replacement in Engine Cooling.
  3. Remove the break pressure modulator valve (BPMV) bracket. Refer to Brake Pressure Modulator Valve Bracket Replacement in Antilock Brake System.
  4. Reposition the brake pipes.
  5. Remove the accessory drive belt. Refer to Drive Belt Replacement - Accessory .
  6. Remove the right fuel injection rail cover.
  7. Relieve the fuel system pressure. Refer to Fuel Pressure Relief in Engine Controls - 5.7 L.
  8. Disconnect the EVAP emission canister purge hose at the fuel line.
  9. Remove the fuel feed hose. Refer to Fuel Hose/Pipes Replacement - Engine Compartment in Engine Controls - 5.7 L.

  10. Object Number: 179301  Size: SH

    Important: Cap the hoses and inlets when separating the cooling system components, this prevents dirt and other contaminants from entering the cooling system.

  11. Remove the radiator hoses from the water pump.

  12. Object Number: 185256  Size: SH
  13. Remove the heater hoses from the water pump.

  14. Object Number: 651871  Size: SH
  15. Disconnect the following electrical connectors from the engine:
  16. • The fuel injectors (1)
    • The ignition coil main harness connectors
    • The evaporative emission (EVAP) solenoid (2)
    • The electric throttle motor (3)
    • The throttle position (TP) sensor
    • The engine coolant temperature (ECT) sensor
    • The A/C compressor
  17. Remove the generator. Refer to Generator Replacement in Engine Electrical.

  18. Object Number: 63936  Size: SH
  19. Remove the power brake booster vacuum hose.

  20. Object Number: 187354  Size: SH
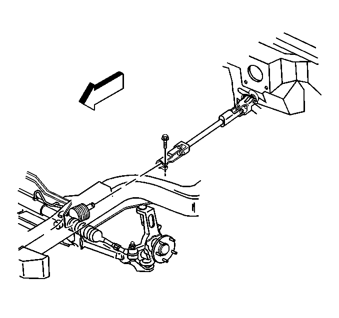
  21. Remove the intermediate steering shaft bolt (to steering gear).
  22. Remove the intermediate steering shaft from the steering gear and position it to the left onto the frame rail.

  23. Object Number: 651891  Size: SH
  24. Disconnect the secondary air injection (AIR) pump hose from the AIR pipe.
  25. Remove the front tires and wheels. Refer to Tire and Wheel Removal and Installation in Tires and Wheels.
  26. Remove the catalytic converter. Refer to Catalytic Converter Replacement in Engine Exhaust.

  27. Object Number: 67894  Size: SH
  28. Remove the driveline tunnel close-out panel bolts.
  29. Remove the driveline tunnel close-out panel.
  30. Remove the starter motor. Refer to Starter Motor Replacement in Engine Electrical.

  31. Object Number: 651885  Size: SH
  32. Disconnect the crankshaft position (CKP) sensor electrical connector (1).
  33. Disconnect the oil level sensor electrical connector (2).
  34. Disconnect the right heated oxygen sensor (HO2S) electrical connector.

  35. Object Number: 82082  Size: SH
  36. Remove the A/C compressor and condenser hose bolt (at compressor).
  37. Separate the A/C compressor and condenser hose from the A/C compressor.

  38. Object Number: 651886  Size: SH
  39. Disconnect the engine oil temperature sensor (3) electrical connector.
  40. Disconnect the left HO2S electrical connector.
  41. Remove the ground strap bolt.
  42. Remove the ground straps (1 and 2) from the engine block.


    Object Number: 652265  Size: SH
  43. Disconnect the wheel speed sensor electrical connectors.
  44. If equipped with real time damping (RTD) disconnect the following electrical connectors:
  45. • Shock absorber damper
    • Position sensor pigtail
  46. Unclip the transmission wire harness from the crossmember.
  47. Disconnect the electronic variable orifice (EVO) control connector clips from the crossmember.

  48. Object Number: 652266  Size: SH
  49. Remove the transmission harness clip bolts from the engine block.
  50. Unclip the transmission wire harness from the engine wire harness.
  51. Remove the stabilizer shaft. Refer to Stabilizer Shaft Replacement in Front Suspension.

  52. Object Number: 340932  Size: SH
  53. Loosen, do not remove, the steering knuckle nut (2) from the lower control arm ball stud.
  54. Install theJ 42188 between the steering knuckle and the lower control arm ball stud.
  55. Tighten the nut on the J 42188 until the steering knuckle and the lower control arm ball stud separate.
  56. Disconnect the antilock brake system (ABS) electrical connector clips from the crossmember (if equipped).
  57. Remove the front transverse leaf spring. Refer to Front Transverse Spring Replacement in Front Suspension.

  58. Object Number: 651883  Size: SH
  59. Disconnect the automatic transmission fluid cooler pipe clip from the front of the engine oil pan (if equipped).

  60. Object Number: 71418  Size: SH
  61. Disconnect the front automatic transmission fluid cooler pipes from the rear pipes.
  62. Disconnect the automatic transmission cooler pipe clip at the right transmission cover (if equipped).

  63. Object Number: 173638  Size: SH

    Notice: Use the correct fastener in the correct location. Replacement fasteners must be the correct part number for that application. Fasteners requiring replacement or fasteners requiring the use of thread locking compound or sealant are identified in the service procedure. Do not use paints, lubricants, or corrosion inhibitors on fasteners or fastener joint surfaces unless specified. These coatings affect fastener torque and joint clamping force and may damage the fastener. Use the correct tightening sequence and specifications when installing fasteners in order to avoid damage to parts and systems.

    Important: Failure to use the minimum fastener length specified will prevent proper retention of the propeller shaft during disassembly.

  64. With automatic transmission vehicles, use the following steps:
  65. 46.1. Remove the 2 driveline support hole plug bolts.
    46.2. Install a M10.0-1.5 x 55 mm bolt or longer in each plug location.

    Tighten
    Tighten the M10 bearing support bolts to 35 N·m (26 lb ft).


    Object Number: 71455  Size: SH
  66. If equipped with a automatic transmission, remove the flywheel housing plug.

  67. Object Number: 173641  Size: SH
  68. If equipped with a automatic transmission perform the following:
  69. 48.1. Orientate the prop shaft hub clamp for access to the bolt (1).
    48.2. Position the clamp bolt (1) facing downward.
    48.3. Loosen the prop shaft hub clamp bolt (1).

    Object Number: 652267  Size: SH
  70. Remove bolts attaching the transmission wire harness bracket to the flywheel housing.
  71. Remove the transmission wire harness from its mounting location, rearward toward the driveline support.
  72. Lay the harness on the driveline support.
  73. Secure if necessary.


    Object Number: 188853  Size: SH

    Important: The weight of the engine should never be supported by the J 42203 .

  74. Install the J 42203 to the close-out panel flange.

  75. Object Number: 71472  Size: SH
  76. If equipped with a manual transmission perform the following:
  77. 53.1. Unclip the clutch actuator hose from the clutch actuator hose clip.
    53.2. Using the J 36221 , depress the white circular release ring on the actuator hose and simultaneously pull lightly on the master cylinder hose to disconnect.
    53.3. Protect both ends from dirt and damage.

    Object Number: 188853  Size: SH

    Important: The weight of the engine should never be supported by the J 42203 .

  78. Install the J 42203 to the close-out panel flange.
  79. Slowly lower the vehicle onto the J 39580 and the J 39580-500 .
  80. Support the engine and crossmember on the J 39580 and the J 39580-500 .

  81. Object Number: 581372  Size: SH
  82. Using HAND TOOLS ONLY, remove the front and rear crossmember nuts.
  83. Partially raise the vehicle.

  84. Object Number: 651877  Size: SH
  85. Remove the AIR pipe bolts from the right exhaust manifold.

  86. Object Number: 651878  Size: SH
  87. Remove the AIR pipe bracket bolt (at the rear of the cylinder head).
  88. Remove the AIR pipe (with check valve) and gasket.

  89. Object Number: 651870  Size: SH
  90. Remove the ground strap bolt (5).
  91. Remove the ground strap (6) from the left rear cylinder head.
  92. Disconnect the following electrical connectors from the back of the engine:
  93. • The knock sensor wire harness (1)
    • The engine oil pressure sensor (2)
    • The manifold absolute pressure (MAP) sensor (3)
    • The camshaft position (CMP) sensor (4)
  94. Disconnect the vacuum hose from the MAP sensor.

  95. Object Number: 71466  Size: SH
  96. Remove the driveline support bolts.

  97. Object Number: 196200  Size: SH

    Important: Visually inspect the transmission wiring harness to ensure detachment from the engine.

  98. Insert a flat bladed screwdriver, or similar tool, between the edge of the driveline support and the flywheel housing, then separate the flywheel housing from the driveline support.
  99. Slowly pull the engine away from the propeller shaft.
  100. As soon as the propeller input shaft clears the flywheel housing, slowly raise the vehicle.
  101. Slide the engine and crossmember forward in order to clear the propeller shaft spline.

  102. Object Number: 65347  Size: SH

    Important: Visually inspect the wiring harness clearances while raising the vehicle.

  103. Raise the vehicle completely off of the engine and crossmember.
  104. Remove the power steering pump pulley hub cap, if necessary.
  105. Using the J 25034-C remove the power steering pump pulley.

  106. Object Number: 65354  Size: SH

    Important: It is not necessary to open the power steering system during the engine removal procedure.

  107. Remove the power steering pump bolts.
  108. Remove the power steering pump brace.
  109. Remove the power steering pump (with reservoir) from the engine and reposition them to the crossmember.
  110. Remove the A/C compressor bracket. Refer to Compressor Mounting Bracket Replacement in Heating, Ventilation, and Air Conditioning.

  111. Object Number: 652357  Size: SH
  112. Remove the generator bracket bolts.
  113. Remove the generator bracket and power steering pump bracket.

  114. Object Number: 651876  Size: SH
  115. Remove the AIR pipe bolts from the left exhaust manifold.
  116. Remove the AIR pipe and gasket.
  117. Install the J 41798 to the engine.
  118. Remove the spark plugs. Refer to Spark Plug Replacement in Engine Controls - 5.7 L.

  119. Object Number: 188236  Size: SH
  120. Remove the engine mount nuts.
  121. Using a engine hoist and the J 41798 slowly raise the engine.
  122. Remove the engine from the crossmember.

  123. Object Number: 651884  Size: SH
  124. Remove the flywheel housing bolts.
  125. Remove the flywheel housing from the engine block.
  126. Install the engine onto an engine stand and prepare for disassembly. Refer to Engine Balancing .
  127. Remove the engine hoist.
  128. Remove the J 41798 from the engine.
  129. Remove the engine mount bracket bolts.
  130. Remove the engine mount brackets from the engine block.

Installation Procedure

Important

The steps in the following procedure are in a specific order. Follow these steps in this order and ignore no details.

  1. Prepare the engine for installation. Refer to Engine Prelubing and Engine Balancing .

  2. Object Number: 651884  Size: SH
  3. Install the engine mount brackets to the engine block.
  4. Notice: Use the correct fastener in the correct location. Replacement fasteners must be the correct part number for that application. Fasteners requiring replacement or fasteners requiring the use of thread locking compound or sealant are identified in the service procedure. Do not use paints, lubricants, or corrosion inhibitors on fasteners or fastener joint surfaces unless specified. These coatings affect fastener torque and joint clamping force and may damage the fastener. Use the correct tightening sequence and specifications when installing fasteners in order to avoid damage to parts and systems.

  5. Install the engine mount bracket bolts.
  6. Tighten
    Tighten the engine mount bracket bolts to 50 N·m (37 lb ft).

  7. Install the J 41798 to the engine.
  8. Using a engine hoist and the J 41798 raise the engine slightly.
  9. Remove the engine from the engine stand.
  10. Install the flywheel housing to the engine block.
  11. Install the flywheel housing bolts.
  12. Tighten
    Tighten the flywheel housing bolts to 50 N·m (37 lb ft).

  13. Using a engine hoist and the J 41798 lower the engine onto the crossmember.

  14. Object Number: 188236  Size: SH
  15. Install the engine mount nuts.
  16. Tighten
    Tighten the engine mount nuts to 65 N·m (48 lb ft).

  17. Install the spark plugs. Refer to Spark Plug Replacement in Engine Controls - 5.7 L.
  18. Remove the J 41798 from the engine.

  19. Object Number: 651876  Size: SH
  20. Clean the exhaust manifold AIR pipe gasket flange, if necessary.
  21. Install a NEW AIR pipe gasket and the pipe.
  22. Install the AIR pipe bolts.
  23. Tighten
    Tighten the AIR pipe bolts to 20 N·m (15 lb ft).

  24. Install the A/C compressor bracket. Refer to Compressor Mounting Bracket Replacement in Heating, Ventilation, and Air Conditioning.

  25. Object Number: 652357  Size: SH
  26. Install the generator bracket and power steering pump bracket.
  27. Install the generator bracket bolts until snug.
  28. Tighten the generator bracket bolts in the following order:
  29. 19.1. Inner power steering pump reservoir bracket bolt
    19.2. Upper generator bracket bolt
    19.3. Outer power steering pump reservoir bracket bolt
    19.4. Lower generator bracket bolt

    Tighten
    Tighten the generator bracket bolts to 50 N·m (37 lb ft).


    Object Number: 65354  Size: SH
  30. Install the power steering pump (with reservoir) to the generator bracket.
  31. Install the power steering pump brace.
  32. Install the power steering pump bolts.
  33. Tighten
    Tighten the power steering pump bolts to 25 N·m (18 lb ft).


    Object Number: 65348  Size: SH
  34. Using the J 25033-C install the power steering pump pulley.
  35. Install the power steering pump pulley hub cap, if necessary.
  36. Roll the engine and crossmember underneath the vehicle.
  37. Partially lower the vehicle onto the engine and crossmember.

  38. Object Number: 651870  Size: SH
  39. Install the ground strap (6) and ground strap bolt (5) to the rear of the left cylinder head.
  40. Tighten
    Tighten the ground strap bolt (5) to 32 N·m (24 lb ft).

  41. Route the electrical harness and connect the following electrical connectors at the rear of the engine:
  42. • The knock sensor wire harness (1)
    • The engine oil pressure sensor (2)
    • The MAP sensor (3)
    • The CMP sensor (4)
  43. Connect the vacuum hose to the MAP sensor.

  44. Object Number: 651877  Size: SH
  45. Clean the exhaust manifold AIR gasket flange, if necessary.
  46. Install a NEW AIR pipe gasket and the pipe (with check valve) to the right exhaust manifold.
  47. Install the AIR pipe bolts until snug.

  48. Object Number: 651878  Size: SH
  49. Install the AIR pipe bracket bolt (at the rear of the cylinder head).
  50. Tighten
    Tighten the AIR pipe bolts to 20 N·m (15 lb ft).


    Object Number: 71467  Size: SH
  51. Vehicles equipped with a manual transmission, slide the engine and crossmember rearward. Do not force the engine onto the propeller spline.
  52. Position the engine to the proper height and angle in order to install the propeller input shaft.
  53. Insert the propeller input shaft into the clutch driven plate hub while maintaining the proper angle, Do Not Force. Rotate the shaft slightly to bring the 2 splines into alignment, if necessary.

  54. Object Number: 71472  Size: SH
  55. Slowly seat the flywheel housing to the driveline.
  56. Install the driveline support bolts.
  57. Tighten
    Tighten the driveline support bolts to 50 N·m (37 lb ft).

  58. Clip the clutch actuator hose to the clutch actuator hose clip.
  59. Connect the master cylinder hose to the clutch actuator hose.

  60. Object Number: 71466  Size: SH

    Important: Do not tighten the flywheel hub collar bolt at this time.

  61. Vehicles equipped with an automatic transmission, slide the engine and crossmember rearward. Do not force the engine onto the propeller spline.
  62. Position the engine to the proper height and angle in order to install the propeller input shaft.
  63. Install the driveline support bolts.
  64. Tighten
    Tighten the driveline support bolts to 50 N·m (37 lb ft).

  65. Hand tighten the flywheel hub collar bolt.
  66. Lower the vehicle onto the crossmember and align the dowels.

  67. Object Number: 581372  Size: SH

    Important: Use only hand tools when tightening or torquing crossmember nuts.

  68. By HAND, install new crossmember nuts until snug.
  69. Tighten
    Tighten the crossmember nuts to 110 N·m (81 lb ft).

  70. Raise and suitably support the vehicle.
  71. Remove the J 39580 and the J 39580-500 .
  72. Remove the J 42203 from the vehicle.

  73. Object Number: 652267  Size: SH
  74. Route the transmission wire harness into place.
  75. Install the transmission wire harness bracket bolts.
  76. Tighten
    Tighten the transmission wire harness bracket bolts to 50 N·m (37 lb ft).


    Object Number: 173638  Size: SH
  77. Vehicles equipped with an automatic transmission, remove the previously installed M10-1.5 x 55 mm bolts from the front of the driveline support.
  78. Install 2 plugs in the driveline support.
  79. Tighten
    Tighten the driveline support plugs to 50 N·m (37 lb ft).


    Object Number: 71418  Size: SH
  80. Connect the front automatic transmission fluid cooler pipes to the rear pipes, if equipped.
  81. Tighten
    Tighten the automatic transmission fluid cooler pipes to 25 N·m (18 lb ft).

  82. Install the automatic transmission cooler pipe clamp bolt (at the transmission cover), if equipped.
  83. Tighten
    Tighten the automatic transmission fluid cooler pipe clamp bolt (at the transmission cover) to 2.2 N·m (22 lb in).


    Object Number: 651883  Size: SH
  84. Install the automatic transmission fluid cooler pipe clamp bolt (at the oil pan), if equipped.
  85. Tighten
    Tighten the automatic transmission fluid cooler pipe clamp bolt (at the oil pan) to 12 N·m (106 lb in).

  86. Install the front transverse leaf spring. Refer to Front Transverse Spring Replacement in Front Suspension.

  87. Object Number: 168544  Size: SH
  88. Install the lower control arm stud to the steering knuckle.
  89. Install a NEW steering knuckle nut.
  90. Tighten

    1. Tighten the steering knuckle nut to 20 N·m (15 lb ft) to seat the ball joint stud.
    2. Torque the steering knuckle nut an additional 210 degrees using J 36660-A .
    3. Check the steering knuckle nut for a final torque of 55 N·m (41 lb ft)
  91. Connect the ABS electrical connector clips to the crossmember (if equipped).
  92. Install the front stabilizer shaft. Refer to Stabilizer Shaft Replacement in Front Suspension.

  93. Object Number: 652266  Size: SH
  94. Clip the transmission wire harness the engine wire harness (at the white tape).
  95. Install the transmission wire harness clip bolts to the engine block.

Tighten

    63.1. Tighten the transmission wire harness clip bolt (near the harness ground) to 32 N·m (23 lb ft)
    63.2. Tighten the transmission wire harness clip bolt (near the oil pan) to 25 N·m (18 lb ft)
  1. Install the EVO electrical connector clips to the crossmember.

  2. Object Number: 652265  Size: SH
  3. Clip the transmission wire harness to the crossmember.
  4. If equipped with RTD connect the following electrical connectors:
  5. • Position sensor pigtail
    • Shock absorber damper

    Object Number: 651886  Size: SH
  6. Position the ground straps (1 and 2) to the engine block.
  7. Install the engine ground strap bolt.
  8. Tighten
    Tighten the engine wire harness ground bolt to 32 N·m (23 lb ft).

  9. Connect the left HO2S electrical connector.
  10. Connect the engine oil temperature sensor (3) electrical connector.

  11. Object Number: 82082  Size: SH
  12. Install the AC compressor and condenser hose to the A/C compressor.
  13. Install the A/C compressor and condenser hose bolt (at compressor).
  14. Tighten
    Tighten the A/C compressor and condenser hose bolt (at compressor) to 27 N·m (20 lb ft).


    Object Number: 651885  Size: SH
  15. Connect the right front HO2S sensor electrical connector.
  16. Connect the oil level sensor (2) electrical connector.
  17. Connect the CKP sensor (1) electrical connector.
  18. Install the starter motor. Refer to Starter Motor Replacement in Engine Electrical.

  19. Object Number: 67894  Size: SH
  20. Install the driveline close-out panel.
  21. Install the driveline close-out panel bolts.
  22. Tighten
    Tighten the driveline close-out panel bolts to 12 N·m (106 lb in).

  23. Install the catalytic converter. Refer to Catalytic Converter Replacement in Engine Exhaust.
  24. Install the front tires and wheels. Refer to Tire and Wheel Removal and Installation in Tires and Wheels.
  25. Lower the vehicle.

  26. Object Number: 651891  Size: SH
  27. Connect the AIR pump hose to the AIR pipe.

  28. Object Number: 187354  Size: SH
  29. Install the intermediate steering shaft to the steering gear.
  30. Install the intermediate steering shaft bolt.
  31. Tighten
    Tighten the intermediate steering shaft bolt to 48 N·m (35 lb ft).


    Object Number: 63936  Size: SH
  32. Install the power brake booster vacuum hose.
  33. Install the generator. Refer to Generator Replacement in Engine Electrical.

  34. Object Number: 651871  Size: SH
  35. Connect the following electrical connectors to the engine:
  36. • The fuel injectors (1)
    • The ignition coil main harness connectors
    • The EVAP solenoid (2)
    • The electric throttle motor (3)
    • The TP sensor
    • The ECT sensor
    • The A/C compressor

    Object Number: 185256  Size: SH
  37. Install the heater hoses to the water pump.

  38. Object Number: 179301  Size: SH
  39. Install the radiator hoses to the water pump.
  40. Install the fuel feed hose. Refer to Fuel Hose/Pipes Replacement - Engine Compartment in Engine Controls - 5.7 L.
  41. Connect the EVAP emission canister purge hose at the fuel line.

  42. Object Number: 651872  Size: SH
  43. Install the right fuel injection rail cover.
  44. Install the accessory drive belt. Refer to Drive Belt Replacement - Accessory .
  45. Install the BPMV bracket. Refer to Brake Pressure Modulator Valve Bracket Replacement in Antilock Brake System.
  46. Install the radiator. Refer to Radiator Replacement in Engine Cooling.
  47. Recharge the A/C system. Refer to Refrigerant Recovery and Recharging in Heating, Ventilation and Air Conditioning.
  48. Program the transmitters. Refer to Transmitter Programming in Keyless Entry.
  49. Bleed the clutch hydraulic system, if equipped. Refer to Hydraulic Clutch Bleeding in Clutch.
  50. Perform the CKP system variation learn procedure. Refer to Crankshaft Position System Variation Learn in Engine Controls - 5.7 L.
  51. Fill the crankcase with the proper quantity and grade of engine oil. Refer to Approximate Fluid Capacities and Fluid and Lubricant Recommendations in Maintenance and Lubrication.
  52. Disable the ignition system.
  53. Crank the engine several times. Listen for any unusual noises or evidence that parts are binding.
  54. Enable the ignition system.
  55. Start the engine and listen for unusual noises.
  56. Check the vehicle oil pressure gauge and confirm that the engine has acceptable oil pressure.
  57. If necessary, install an oil pressure gauge and measure the engine oil pressure.

  58. Run the engine speed at about 1000 RPM until the engine has reached normal operating temperature.
  59. Listen for sticking lifters and other unusual noises.
  60. Inspect for fuel, oil, and/or other coolant leaks while the engine is running.

  61. Object Number: 173641  Size: SH
  62. With automatic transmission vehicles perform the following steps:
  63. 109.1. Shut off the engine.
    109.2. Allow engine to cool to room temperature.
    109.3. Raise the vehicle.
    109.4. Tighten the prop shaft hub collar bolt (1).

    Tighten
    Tighten the propeller shaft hub collar bolt to 125 N·m (92 lb ft).


    Object Number: 71455  Size: SH
  64. Install the engine flywheel housing inspection plug.
  65. Perform a final inspection for the proper engine oil and coolant levels.