GM Service Manual Online
For 1990-2009 cars only

Removal Procedure


    Object Number: 651872  Size: SH
  1. Remove the right fuel rail cover.

  2. Object Number: 651875  Size: SH
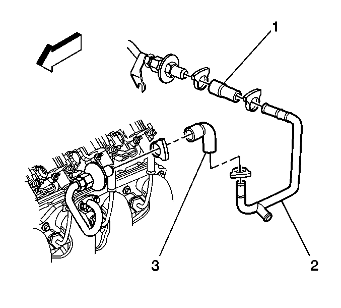
  3. Remove the secondary air injection (AIR) hose clamp.
  4. Remove the AIR hose (1) from the check valve.

  5. Object Number: 651877  Size: SH
  6. Remove the AIR pipe bolts at the exhaust manifold.

  7. Object Number: 651878  Size: SH
  8. Loosen, DO NOT remove the AIR pipe bolt at the rear of the left cylinder head.
  9. Slide the AIR pipe up and out from behind the bolt.
  10. Reposition the AIR pipe.
  11. Remove the AIR pipe gasket from the exhaust manifold.

  12. Object Number: 551464  Size: SH
  13. Remove the throttle position (TP) sensor harness clip from the positive crankcase ventilation (PCV) tube.
  14. Remove the PCV tube from the throttle body and rocker arm cover.

  15. Object Number: 379367  Size: MH
  16. If equipped with the regular production option (RPO) LS1 engine, remove the PCV valve pipe strap nut.
  17. Remove the PCV valve pipe from the right rocker arm cover and intake manifold.

  18. Object Number: 74069  Size: SH
  19. Disconnect the spark plug wires from the ignition coils.
  20. • Twist the spark plug wire boot 1/2 turn.
    • Pull only on the boot in order to remove the wire from the ignition coil.
  21. Disconnect the ignition coil wire harness main electrical connector.

  22. Object Number: 697216  Size: SH
  23. Remove the ignition coil bracket studs.
  24. Remove the ignition coil bracket.

  25. Object Number: 260084  Size: SH
  26. Loosen the valve rocker arm cover bolts.
  27. Remove the valve rocker arm cover.

  28. Object Number: 490696  Size: SH
  29. Remove the gasket (1) from the rocker cover. Discard the OLD gasket.

  30. Object Number: 260110  Size: SH
  31. Remove the oil fill cap from the oil fill tube.
  32. Remove the oil fill tube, if required.
  33. Discard the oil fill tube.
  34. Clean and inspect the valve rocker arm cover. Refer to Valve Rocker Arm Cover Cleaning and Inspection in Engine Mechanical - 5.7L Unit Repair.

Installation Procedure

Important: 

   • All gasket surfaces should be free of oil and other foreign material during assembly.
   • DO NOT reuse the valve rocker arm cover gasket.
   • The valve rocker arm cover bolt grommets may be reused.
   • If the oil fill tube has been removed from the rocker arm cover, install a NEW fill tube during assembly.


    Object Number: 260110  Size: SH
  1. Lubricate the O-ring seal of the NEW oil fill tube with clean engine oil.
  2. Insert the NEW oil fill tube into the rocker arm cover.
  3. Rotate the tube clockwise until locked in the proper position.

  4. Install the oil fill cap into the tube.
  5. Rotate the cap clockwise until locked in the proper position.


    Object Number: 490696  Size: SH
  6. Install a NEW gasket (1) into the valve rocker cover lip.

  7. Object Number: 260084  Size: SH
  8. Install the valve rocker arm cover onto the cylinder head.
  9. Notice: Use the correct fastener in the correct location. Replacement fasteners must be the correct part number for that application. Fasteners requiring replacement or fasteners requiring the use of thread locking compound or sealant are identified in the service procedure. Do not use paints, lubricants, or corrosion inhibitors on fasteners or fastener joint surfaces unless specified. These coatings affect fastener torque and joint clamping force and may damage the fastener. Use the correct tightening sequence and specifications when installing fasteners in order to avoid damage to parts and systems.

  10. Tighten the rocker arm cover bolts.
  11. Tighten
    Tighten the valve rocker arm cover bolts to 12 N·m (106 lb in).


    Object Number: 697216  Size: SH
  12. Install the ignition coil bracket.
  13. Apply threadlock GM P/N 12345382, Canada P/N 10953489, or equivalent to the threads of the bracket studs.
  14. Install the ignition coil bracket studs.
  15. Tighten
    Tighten the ignition coil bracket studs to 12 N·m (106 lb in).


    Object Number: 74069  Size: SH
  16. Connect the ignition coil wire harness main electrical connector.
  17. Install the spark plug wires to the ignition coils.

  18. Object Number: 379367  Size: MH
  19. If equipped with the RPO LS1 engine, install the PCV valve pipe to the right rocker arm cover and intake manifold.
  20. Install the PCV valve pipe strap nut.
  21. Tighten
    Tighten the PCV valve strap nut to 12 N·m (106 lb in).


    Object Number: 551464  Size: SH
  22. Install the PCV tube to the throttle body and rocker arm cover.
  23. Connect the TP sensor harness clip to the PCV tube.

  24. Object Number: 651878  Size: SH
  25. Position the AIR pipe into place.
  26. Slide the AIR pipe behind the bolt on the rear of the left cylinder head.

  27. Object Number: 651877  Size: SH
  28. Install the AIR pipe gasket to the exhaust manifold.
  29. Install the AIR pipe to the exhaust manifold.
  30. Install the AIR pipe bolts at the exhaust manifold.
  31. Tighten the AIR pipe bolts.
  32. Tighten
    Tighten the AIR pipe bolts to 20 N·m (15 lb ft).


    Object Number: 651875  Size: SH
  33. Connect the AIR hose (1) to the check valve.
  34. Install the AIR hose clamp.

  35. Object Number: 651872  Size: SH
  36. Install the right fuel injection rail cover.